EasyManua.ls Logo

Simrad RI9 - Mounting

Simrad RI9
34 pages
Print Icon
To Next Page IconTo Next Page
To Next Page IconTo Next Page
To Previous Page IconTo Previous Page
To Previous Page IconTo Previous Page
Loading...
Simrad RI9 Rudder Angle Indicator
26 20220562E
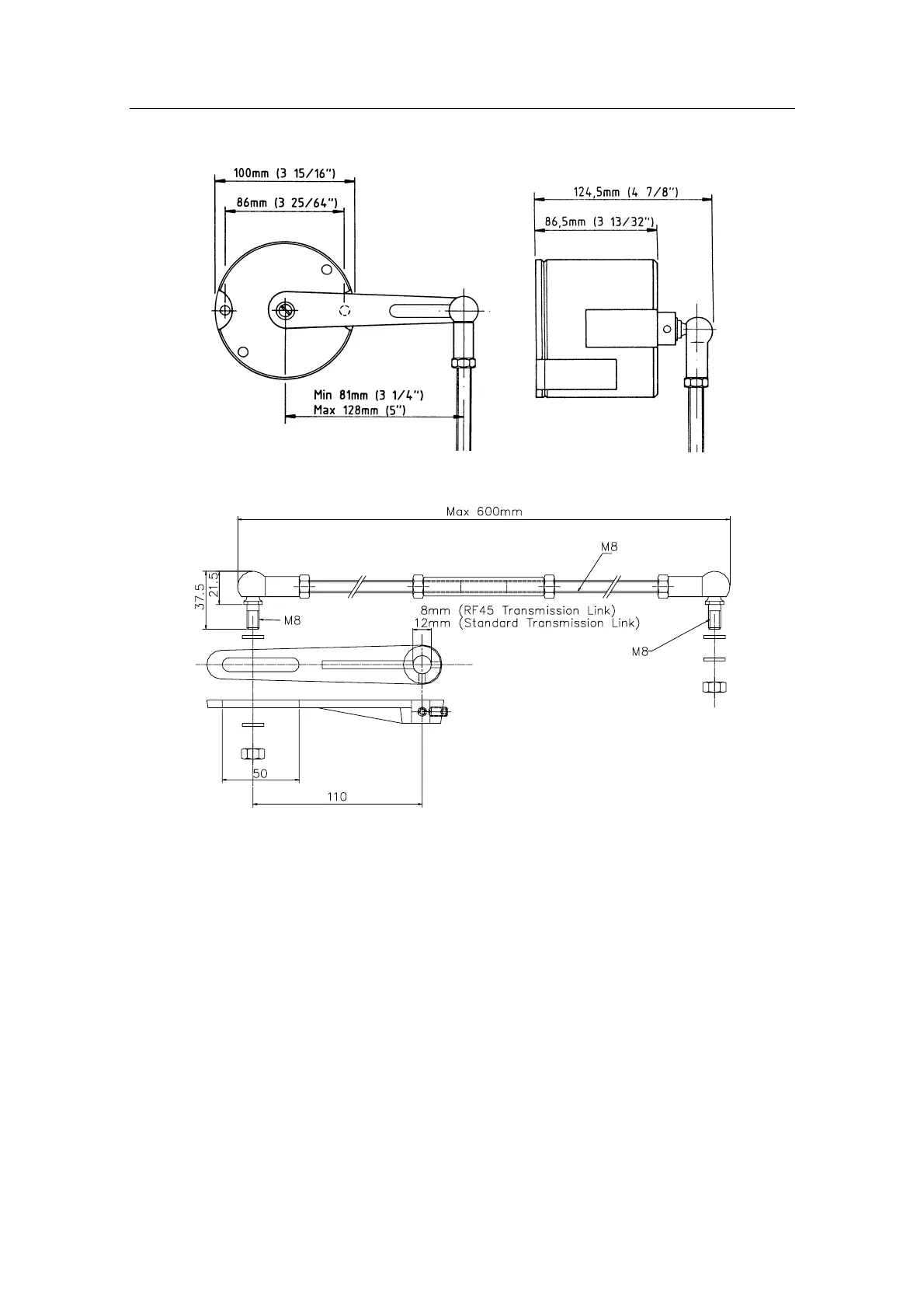
Fig. 3-1 RF45X – Dimensions
Fig. 3-2 RF45/Standard Transmission Link - dimensions
3.3 Mounting
The RF45X is normally mounted with the shaft pointing upwards. It
can, however, also be mounted with the shaft pointing downwards if
that appears to be more convenient. The deflection can then be inverted
as illustrated in Fig. 3-4.
An “upside-down” installation will make access to within the unit more
convenient as the unit can be opened without moving it from the
mounting base. To open the unit, unscrew the two screws at the
bottom and remove the cover. Be careful with the wires when you put
back the cover.

Related product manuals