EasyManua.ls Logo

Skyjack SJ4726 - Electrical Schematic - SJ3220, SJ4726;32 - All Option (ANSI;CSA)

Skyjack SJ4726
177 pages
Print Icon
To Next Page IconTo Next Page
To Next Page IconTo Next Page
To Previous Page IconTo Previous Page
To Previous Page IconTo Previous Page
Loading...
A B C D E F G H
V
Z
Y
X
W
83
SJ3220, SJ3226, SJ4720, SJ4726, SJ4732223198ABA
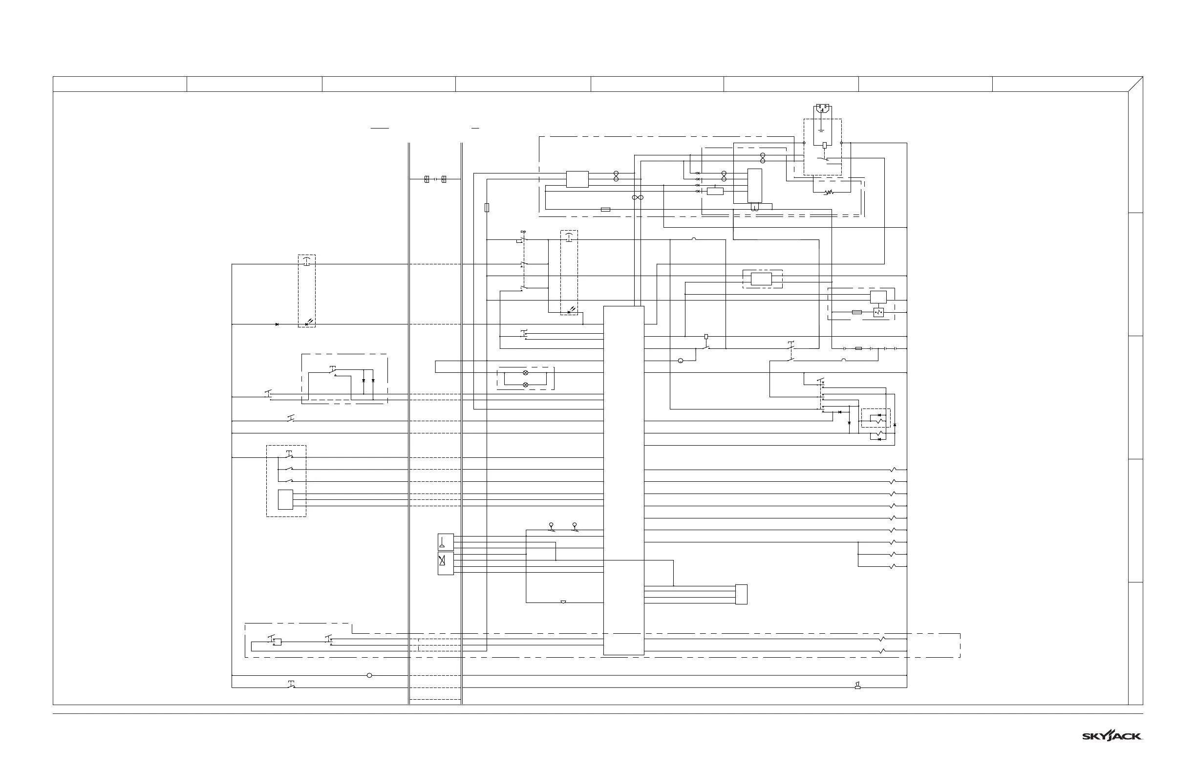
3.35 Electrical Schematic - SJ3220, SJ4726/32 - All Option (ANSI/CSA)
M212626AE
B4
6V
BATT.
F1
300A
FUSE
M
C1
MOTOR
CONTACTOR
CB1
15A CIRCUIT
BREAKER
03A
05
08
07
BASE
CONTROL BOX
49
5V IN
JOYSTICK PCB
JOYSTICK (0-5v)
24
23
P4
SIG
0V IN
S27
TORQUE
SWITCH
18
49
HORN
HORN
H1
49
S3
LIFT/OFF/DRIVE
SWITCH
UP SOLENOID
3H-14
LEFT SOLENOID
4H-24A
4H-23A
RIGHT SOLENOID
4H-15
4H-16
FORWARD SOLENOID
REVERSE SOLENOID
3H-17
BRAKE SOLENOID
B-
M
B+
B3
6V
BATT.
B2
6V
BATT.
B1
6V
BATT.
P1-1
P1-3
P1-2
P1-8
P5-6
P5-8
P5-4
P5-2
P5-3
P5-5
P5-1
P3-3
DRIVE
LIFT
UP
DN
P3-5
P4-4
P4-5
P3-1
P3-12
P3-8
P3-9
P3-7
P3-6
P3
P1
P5
P6
P7
14A
13A
10
10
19
03A 00
60
P8
RED - PIN 5
RED/WHITE - PIN 16
BLUE - PIN 2
ORANGE - PIN 3
BLACK - PIN 4
BLACK/WHITE - PIN 15
BLUE/BLACK - PIN 14
WHITE/BLACK - PIN 10
ORANGE/BLACK - PIN 12
GREEN - PIN 8
BLUE/WHITE - PIN 6
GREEN/WHITE - PIN 7
08
V
00
00
WHITE - PIN 1
12
09
08A
00B
59
08B
P3-2
08C
P5-12
08
08
08C
4H-26B
4H-27B
P4-8
P4-9
26
27
2H-18A
P5-9
3H-18A-1
3H-18A-2
RED/BLACK - PIN 11
DECK EXTEND SOLENOID
DECK RETRACT SOLENOID
CB2
10A CIRCUIT
BREAKER
9898A
P4-1
BLACK - PIN 1
GREEN - PIN 3
60
18
08A
23
24
00B
59
08B
08
12
09
03B
M-
00
+
-
Tx
902
Rx
P6-1
B+
P6-2
P6-3
P6-4
TELEMATICS
OPTION
03
00
19
08C
00
WHITE - PIN 2
D08-1
S28
EMERGENCY STOP
+ - + - + - + -
HOLDNG SOLENOID
TWO CYLINDERS
HOLDING SOLENOID
SINGLE CYLINDER
S4
EMERGENCY STOP
S7-6
ENABLE
S7-2
RIGHT
S7-3
LEFT
BCI
BATTERY CHARGE
INDICATOR
S2
LIFT/LOWER
00
00
00
60
18
08A
08
24
23
00B
59
08B
12
09
26
27
CHARGER
10
27
26
TORQUE MODE
DIFFERENTIAL SOLENOID
TORQUE MODE
SPEED SOLENOID A
TORQUE MODE
SPEED SOLENOID B
BATTERY PACK
14
15
16
17
23A
24A
18A 18A
08
08
08
08
08
S8
HORN
SWITCH
DISPLAY MODULE
GREEN/BLACK - PIN 13
CM1
SKYCODED
CONTROLLER
08C08C
S1 MAIN
DISCONNECT
98B
PUMP MOTOR
TELEMATICS OPTION
05
00D
98B
S51
EMERGENCY
LOWERING
2H-13-2
2H-13-1
13
00C
00D
13
13
13B
13B
00
05
00
D13-1
D13-2
P2-8
D00C
05A
S10
IDLE/PLTF/BASE
KEY SWITCH
(IN IDLE POSITION)
08C
07 05A
05A
08C
08E
P5-10
P5-7
26B
27B
PL-1
OVERLOAD
LIGHT
P2-7
P2-4
P2-2
P4-7
AT1
ANGLE
TRANSDUCER
PT1
PRESSURE
TRANSDUCER
B+
GND
SIG
71
POTHOLE PROTECTION
LIMIT SWITCHES N.C.H.O.
910
60A
28
910
910
902
LS1 LS2
ALL MOTION, TILT &
OVERLOAD BEEPER
910
902
BP-29
29
910
P1-9
PL-2
OVERLOAD
LIGHT
FL-22
FLASHING
LIGHT(S)
2208C
2208C
22
P2-9
10
08C
NO
07
NCHO
NCHO
08C
SUPPR.
SUPPR.
S12
DECK
ENABLE
S11
DECK
EXT/RET
CRD5
05A
19
00
85
TIMER
08C
F4
100A
FUSE
19
INVERTER OPTION
INVERTER TIMER
19
P4-10
37
CANH
CANL
B+
A
B
C
D (9V IN)
CS
CANH
CANL
B+
VREG
00
05B
2
3
4
TU
05B
9
00
19D
08D
7
8
CANL
CANH
ELEVATE TELEMATICS OPTION
F2
1A FUSE
05B
00
P1-4
19D
P3-4
09B
S5
SGLE
OPTION
09
WITHOUT SGLE OPTION
D09A-2
09A
12
D09A-1
CRD3CRD1 CRD2
ELEVATE TELEMATICS
CANL
CANH
P1-6
P1-5
POWERDECK OPTION
DCM1
72
902
B+
GND
SIG
SIG P2-5
28A
24V DELTA-Q CHARGER
AC
LINE VOLTAGE
B-
RT1
TEMP. SENSOR
B+
C4
C5
C1
C2
C3
B+
B-
BC
G
(PE)
L N
BMS OPTION
-t°
37
F3
1A FUSE
08D
08C
40
38
34
33
32
31
30
29
28
27
26
24
23
22
21
20
19
18
17
16
15
13
11
10
12
42
41
14
35
25
36
37
39
43
44
45
46
09
08
06
05
04
03
02
01
07

Table of Contents

Other manuals for Skyjack SJ4726

Related product manuals