EasyManua.ls Logo

SMS SenTRI ONE - Device Loop Circuit

SMS SenTRI ONE
52 pages
Print Icon
To Next Page IconTo Next Page
To Next Page IconTo Next Page
To Previous Page IconTo Previous Page
To Previous Page IconTo Previous Page
Loading...
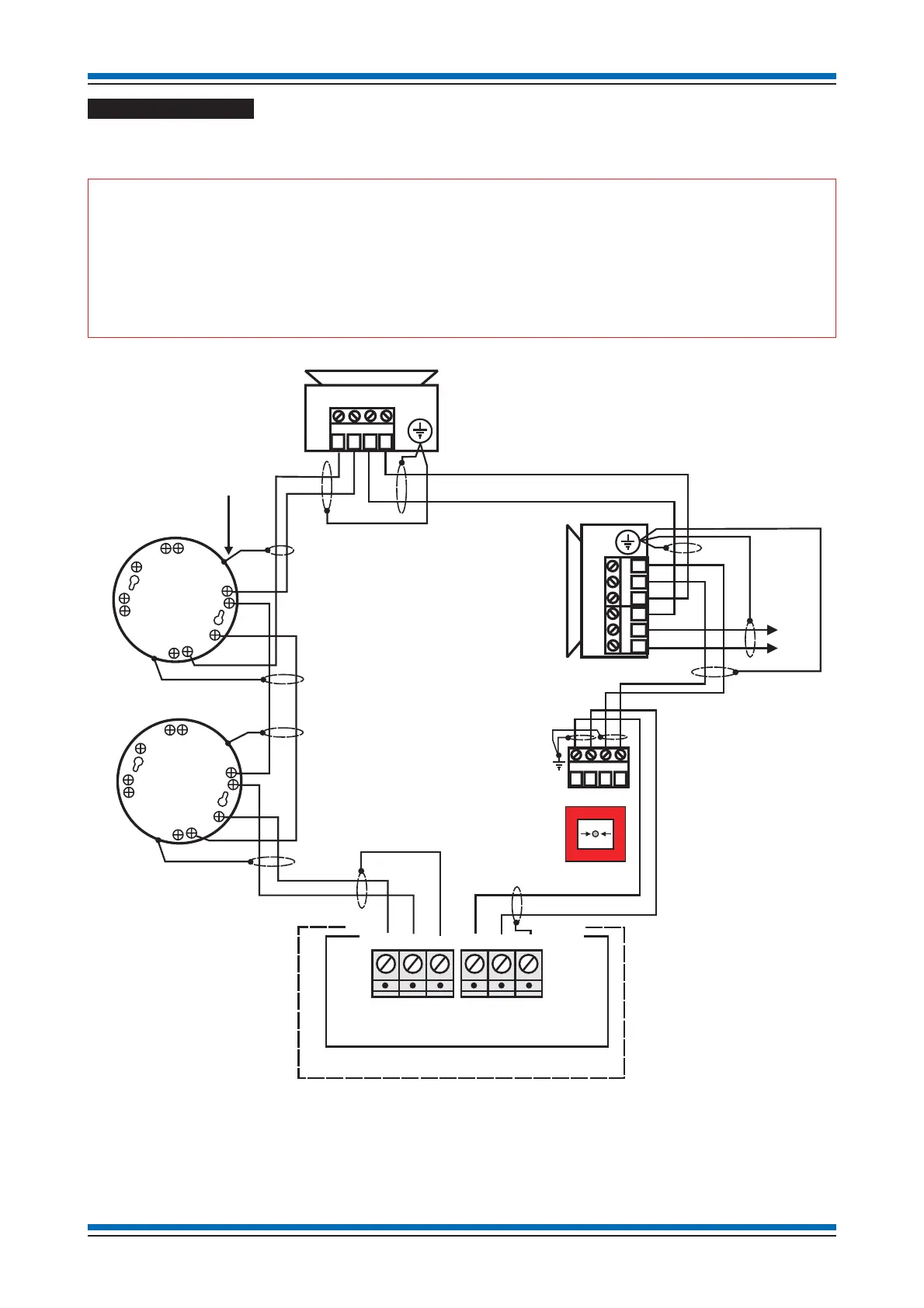
Device loop circuit
The device loop circuit can accept connection of addressable devices, up to 127 maximum. To maintain earth continuity on the loop,
the loop cable screen must be continued through each system device, whether the earth is connected to a device or not.
"
The loop circuit must not cover more than 10,000m
2
of floor area of a protected site.
A spur circuit must always be taken from the "line common" terminals of a 3-way device.
A spur must not cover more than the equivalent of one zone as defined in BS5839 Part 1.
As every device has a loop isolator, the application of more than 32 devices does not require any special consideration.
Ensure the maximum cable length between loop devices does not exceeded 250m. This is the cable distance between
previous and next device on the loop.
Installation instructions
20
L2
02
01
L1
LC
0C
L1
01
Sounder
strobe
(3-way)
L2
02
Fire panel
Spur
circuit
Earth to
metal box
IN4
OUT5
C3
SenTRI
detector
base
IN4
OUT5
C3
L1
0V
LOOP END 1
DRN
DRN
L2
0V
LOOP END 2
L1
0V
Manual call point
L2
0V
MAIN CONTROL BOARD
PP2
PP1
SenTRI
detector
base
Sounder
strobe
(2-way)

Table of Contents