EasyManua.ls Logo

SMS SenTRI ONE - Fire Output Contacts; Repeat Indicator Panel

SMS SenTRI ONE
52 pages
Print Icon
To Next Page IconTo Next Page
To Next Page IconTo Next Page
To Previous Page IconTo Previous Page
To Previous Page IconTo Previous Page
Loading...
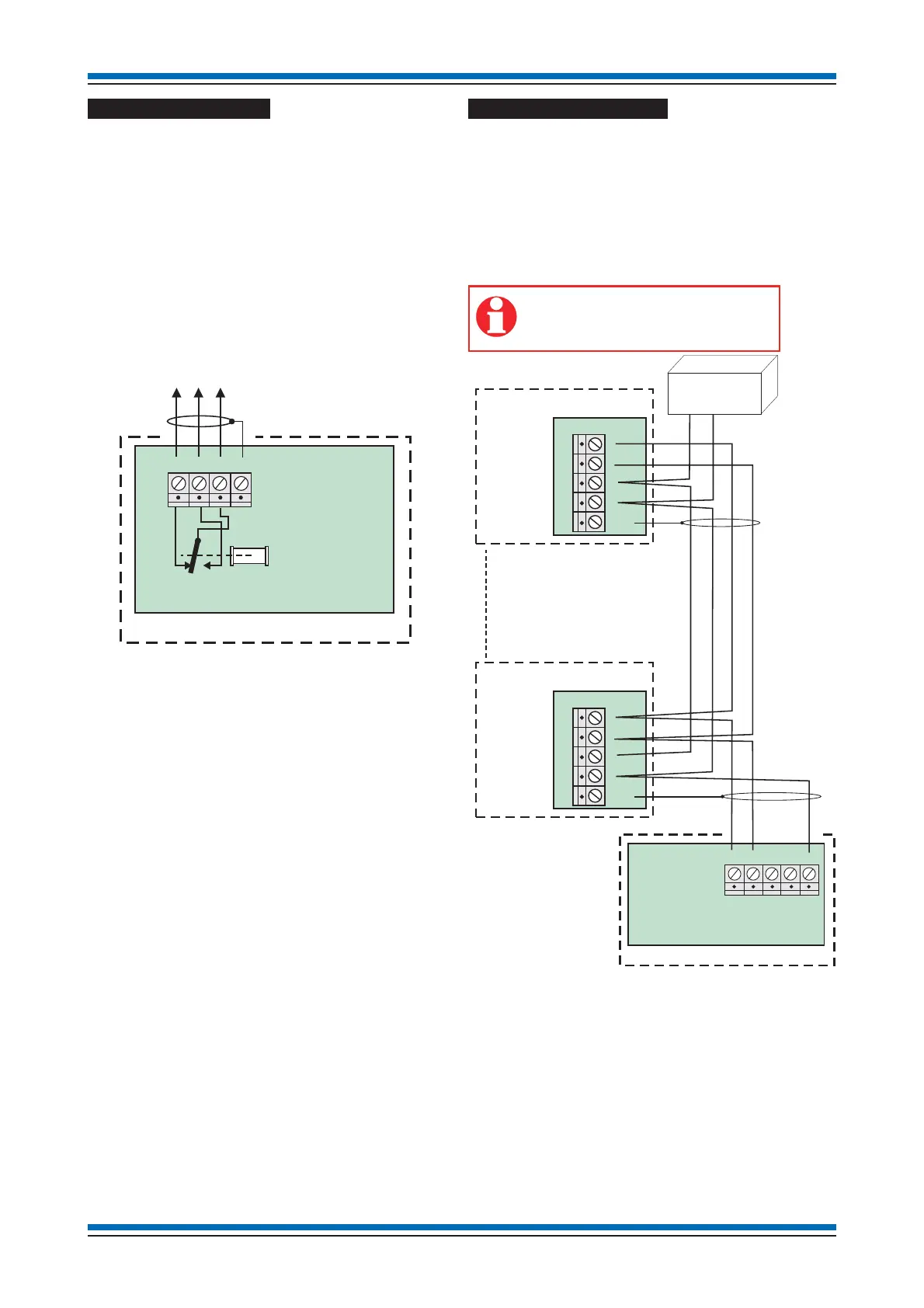
Fire Output contacts
The control panel has a FIRE OUTPUT relay having voltage free
contacts that can be used to switch plant equipment, such as lift
control system. The relay is normally de-energised and will
energise on occurrence of a fire event. The relay can be
configured to operate with a zone immediately or after a delay.
The relay will operate with 'External Evacuate' input and on
operating the 'Sound Alarms' button if configured during
commissioning. The relay operates in the event of a fire event.
The contacts should be powered from an independent power
supply, where required. The fire output can be used to signal
external equipment that in turn signal Alarm Receiving Centre.
Repeat indicator panel
Up to four REPEAT INDICATOR PANELS can be connected
directly to the fire panel to its RS485 Port. The furthest repeat
indicator panel can be installed a maximum of 1Km cable
distance away from the fire panel. The factory default setting
assumes there is no repeat indicator panel connected to the
RS485 port, the fire panel must be configured during
commissioning to know there is a repeat indicator panel installed
in the system.
Installation instructions
22
PANEL
MAIN CONTROL BOARD
The relay is normally de-energised
and o
p
erates with a fire event.
C
hange over contacts rated
1A @ 24Vdc, to control external equipment
NC CNO
DRN
FIRE OUTPUT
PP5
PANEL
MAIN CONTROL BOARD
REPEAT INDICATOR PANEL 1
a
b
RS485
earth
REPEAT INDICATOR PANEL 4
-
+
24V
a
b
RS485
earth
UP TO 4 REPEAT INDICATOR
PANELS MAXIMUM
POWER
SUPPLY UNIT
+
-
If there is only one repeat indicator panel
connected then it is possible to use the 24V
supply on the Main control board.
-
+
24V
24V
DRN
RS485
PP3
BA 24V
0V

Table of Contents