EasyManua.ls Logo

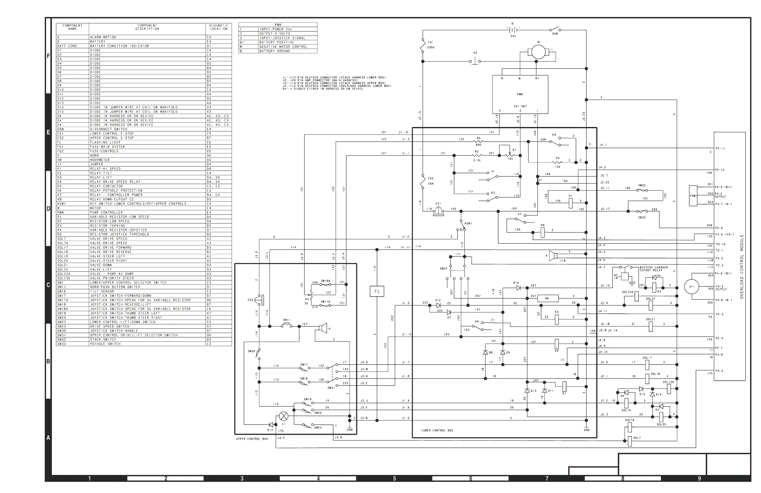
Snorkel S3246E - Electrical Schematic CE - Standard

Snorkel S3246E
236 pages
Print Icon
To Next Page IconTo Next Page
To Next Page IconTo Next Page
To Previous Page IconTo Previous Page
To Previous Page IconTo Previous Page
Loading...
Electrical
Schematics – 17
A37022B
Electrical Schematic
CE - Standard

Table of Contents

Other manuals for Snorkel S3246E

Related product manuals