EasyManua.ls Logo

sol-ark 12K - Page 14

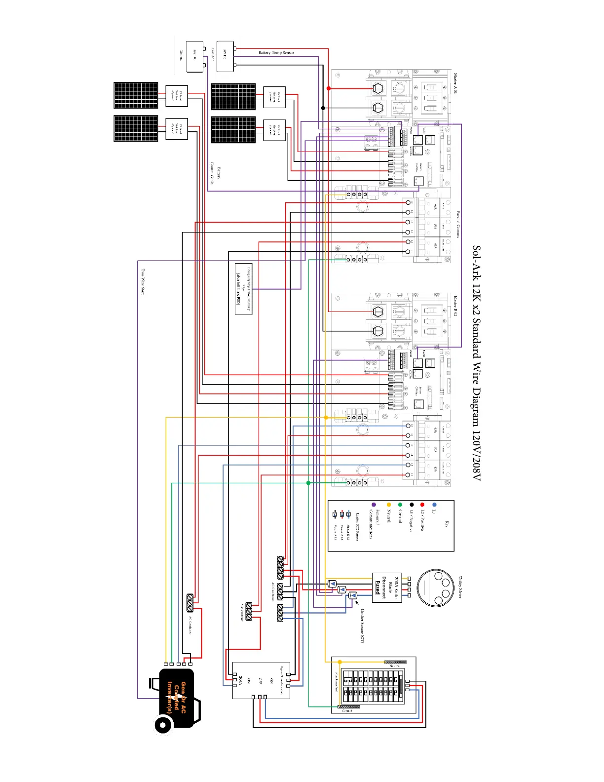
sol-ark 12K
49 pages
Print Icon
To Next Page IconTo Next Page
To Next Page IconTo Next Page
To Previous Page IconTo Previous Page
To Previous Page IconTo Previous Page
Loading...
October 21
st
, 2021 14
Note: Before powering up
Parallel System
installs, please see
Parallel System
app note
(Pg. 43
-44)
Diagram 8

Related product manuals