EasyManua.ls Logo

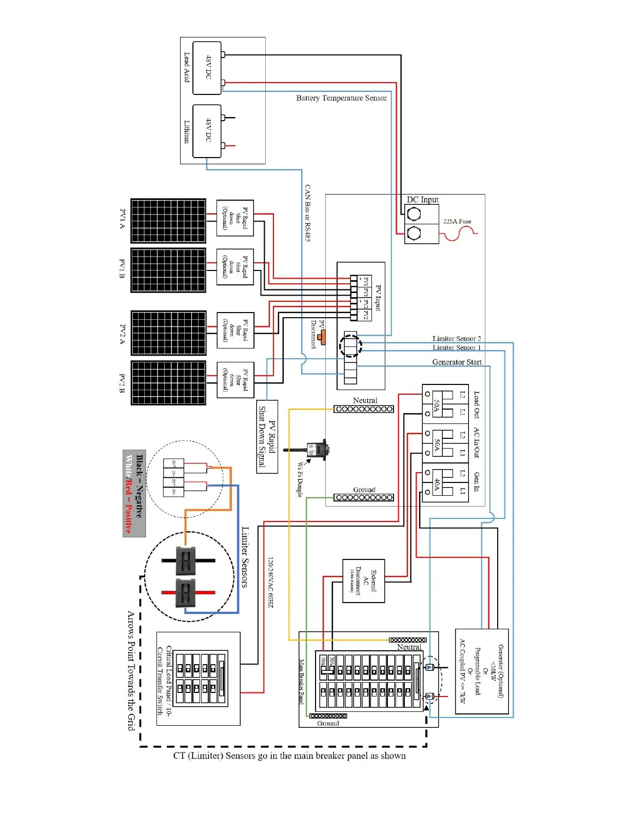
sol-ark 8K - System Wire Diagram

sol-ark 8K
40 pages
Print Icon
To Next Page IconTo Next Page
To Next Page IconTo Next Page
To Previous Page IconTo Previous Page
To Previous Page IconTo Previous Page
Loading...
August 3, 2019 11
Portable Generator / AC Coupling / SmartLoad Diagram

Other manuals for sol-ark 8K

Related product manuals