EasyManua.ls Logo

Sony AVD-K150E - Schematic Diagram - HI-FI;SWITCH Section- [VCR Board] (3;6)

Sony AVD-K150E
92 pages
Print Icon
To Next Page IconTo Next Page
To Next Page IconTo Next Page
To Previous Page IconTo Previous Page
To Previous Page IconTo Previous Page
Loading...
7373
AVD-K150B/K150E/K150G/K150N/K150R
AVD-K150B/K150E/K150G/K150N/K150R
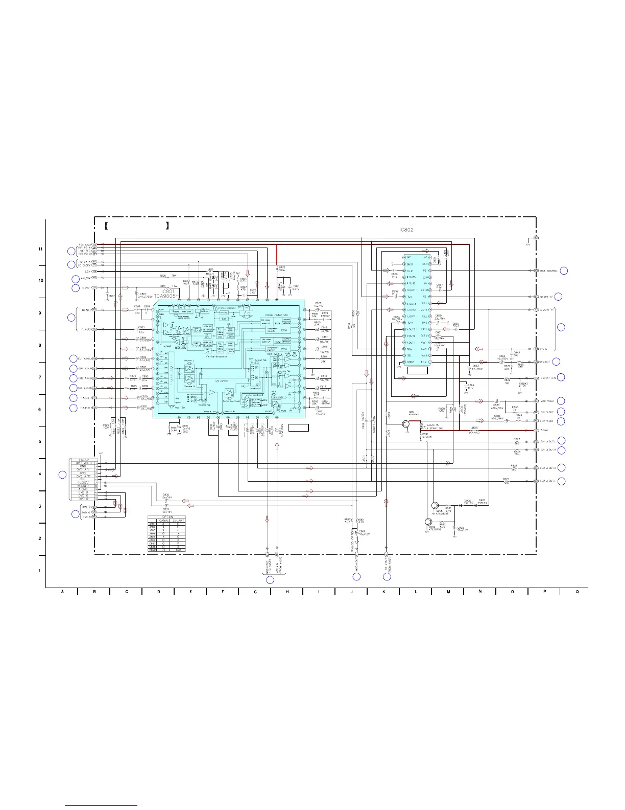
5-20. SCHEMATIC DIAGRAM – HI-FI/SWITCH SECTION– [VCR BOARD] (3/6)
VCR BOARD (3/6)
19
VCR BOARD
(2/6)
18
VCR BOARD
(1/6,2/6,4/6)
28
VCR
BOARD
(4/6)
30
VCR
BOARD
(5/6)
37
VCR
BOARD
(5/6)
34
VCR
BOARD
(5/6)
29
VCR
BOARD
(5/6)
7
VCR
BOARD
(1/6)
6
VCR
BOARD
(1/6)
9
VCR
BOARD
(1/6)
8
VCR BOARD
(1/6)
D
DVD & AMP
BOARD
(6/6)
PDV02
31
VCR
BOARD
(5/6)
20
VCR
BOARD
(2/6)
32
VCR
BOARD
(4/6)
26
VCR
BOARD
(2/6)
43
VCR BOARD
(5/6)
42
VCR
BOARD
(5/6)
25
VCR
BOARD
(2/6)
24
VCR
BOARD
(2/6)
33
VCR
BOARD
(4/6)
41
VCR
BOARD
(5/6)
40
VCR
BOARD
(5/6)
39
VCR BOARD
(5/6)
38
VCR BOARD
(5/6)
36
VCR
BOARD
(5/6)
35
VCR
BOARD
(5/6)
11
VCR
BOARD
(1/6)
IC801
VHS HI-FI
AUDIO PROCESSOR
IC802
AV SWITCH
*
*
*
CANAL:150B/150E(AEP)/150N
*
2SCART:150E(AED)/150G/150R
NM1443XJBE
AMP
MUTE
MUTE
12P

Table of Contents

Related product manuals