EasyManua.ls Logo

Sony AVD-K150E - Video Mechanism Deck -1

Sony AVD-K150E
92 pages
Print Icon
To Next Page IconTo Next Page
To Next Page IconTo Next Page
To Previous Page IconTo Previous Page
To Previous Page IconTo Previous Page
Loading...
86
AVD-K150B/K150E/K150G/K150N/K150R
Ref. No. Part No. Description Remark Ref. No. Part No. Description Remark
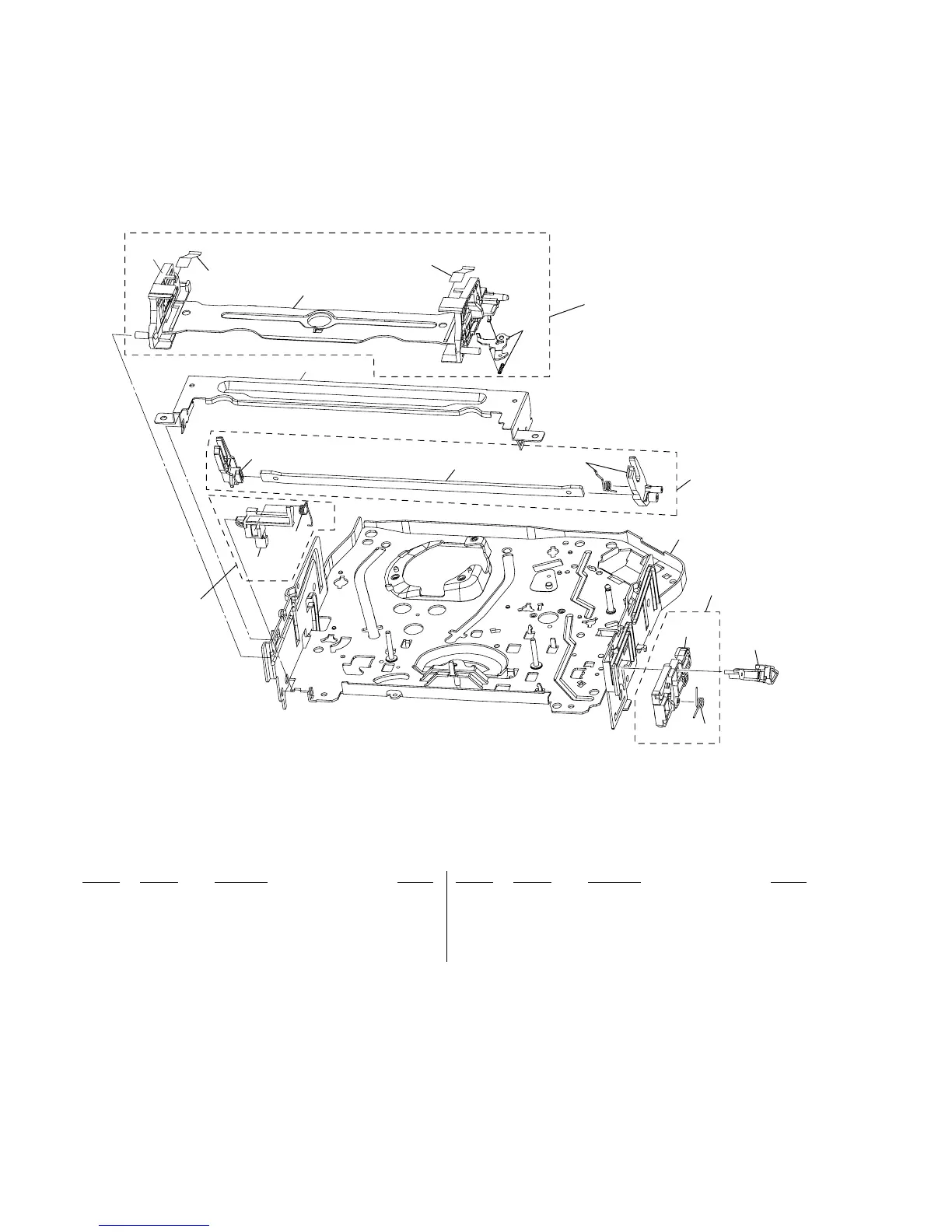
6-4. VIDEO MECHANISM DECK -1
151 9-885-034-28 OPENER, DOOR
152 9-885-034-71 GEAR ASSY, RACK (F/L)
153 9-885-056-15 SPRING, COIL (D35)
154 9-885-034-34 SPRING, COIL (D35 SWITCH)
155 9-885-034-73 LEVER ASSY, SWITCH
156 9-885-034-72 ARM ASSY, F/L
157 9-885-056-14 PLATE, TOP
158 9-885-034-70 HOLDER ASSY, CST
159 9-885-056-16 PLATE, SPRING CST
159
159
157
155
154
151
153
152
156
158
not supplied
not
supplied
not
supplied
not
supplied
not
supplied
not
supplied
not
supplied
not
supplied
not
supplied

Table of Contents

Related product manuals