EasyManua.ls Logo

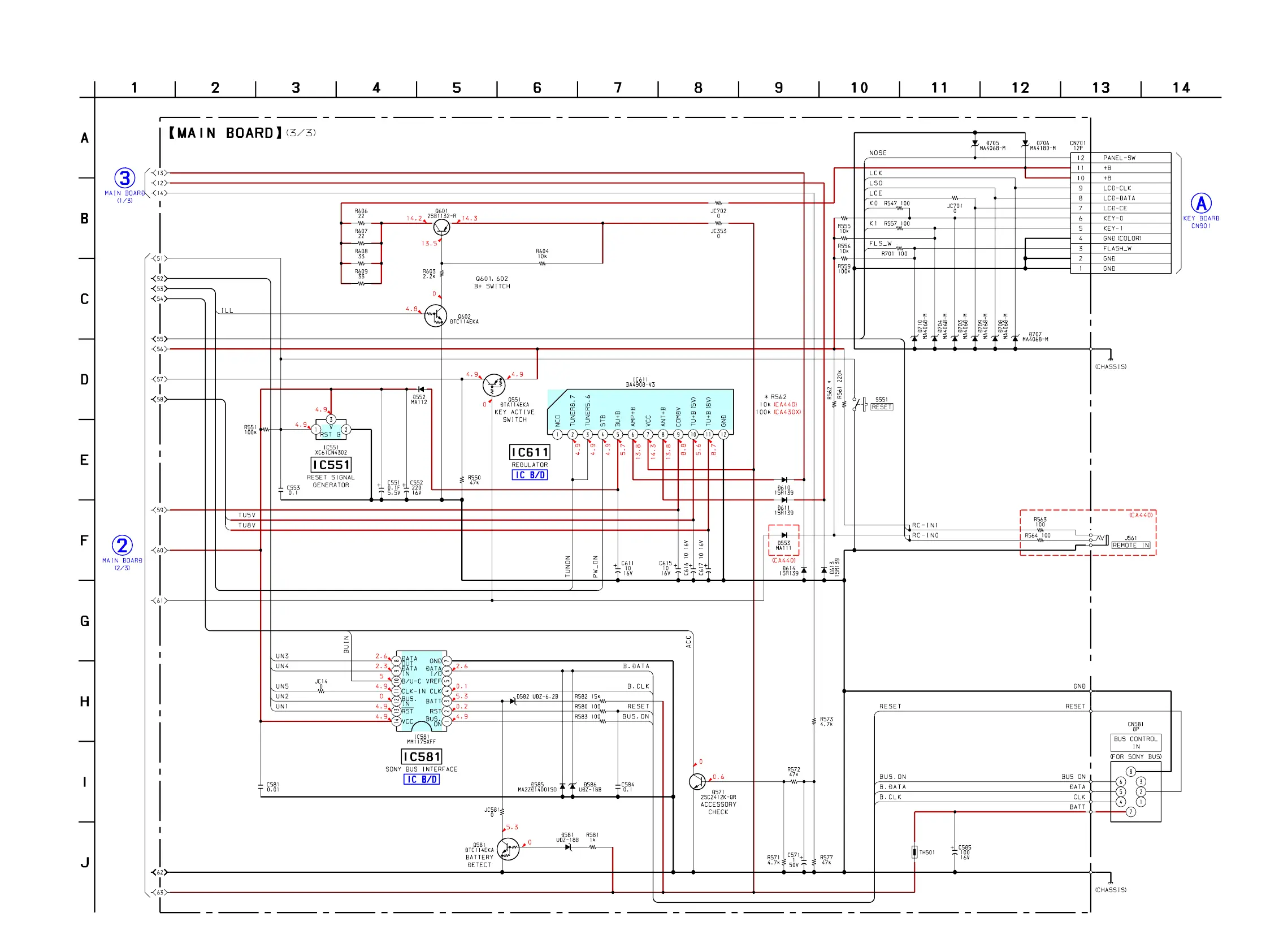
Sony CA440 - Schematic Diagram - MAIN Board (3;3)

Sony CA440
38 pages
Print Icon
To Next Page IconTo Next Page
To Next Page IconTo Next Page
To Previous Page IconTo Previous Page
To Previous Page IconTo Previous Page
Loading...
XR-CA430X/CA440
2121
6-5. SCHEMATIC DIAGRAM MAIN Board (3/3) –• See page 15 for IC Block Diagrams.
(Page 23)
(Page 20)
(Page 19)

Other manuals for Sony CA440

Related product manuals