EasyManua.ls Logo

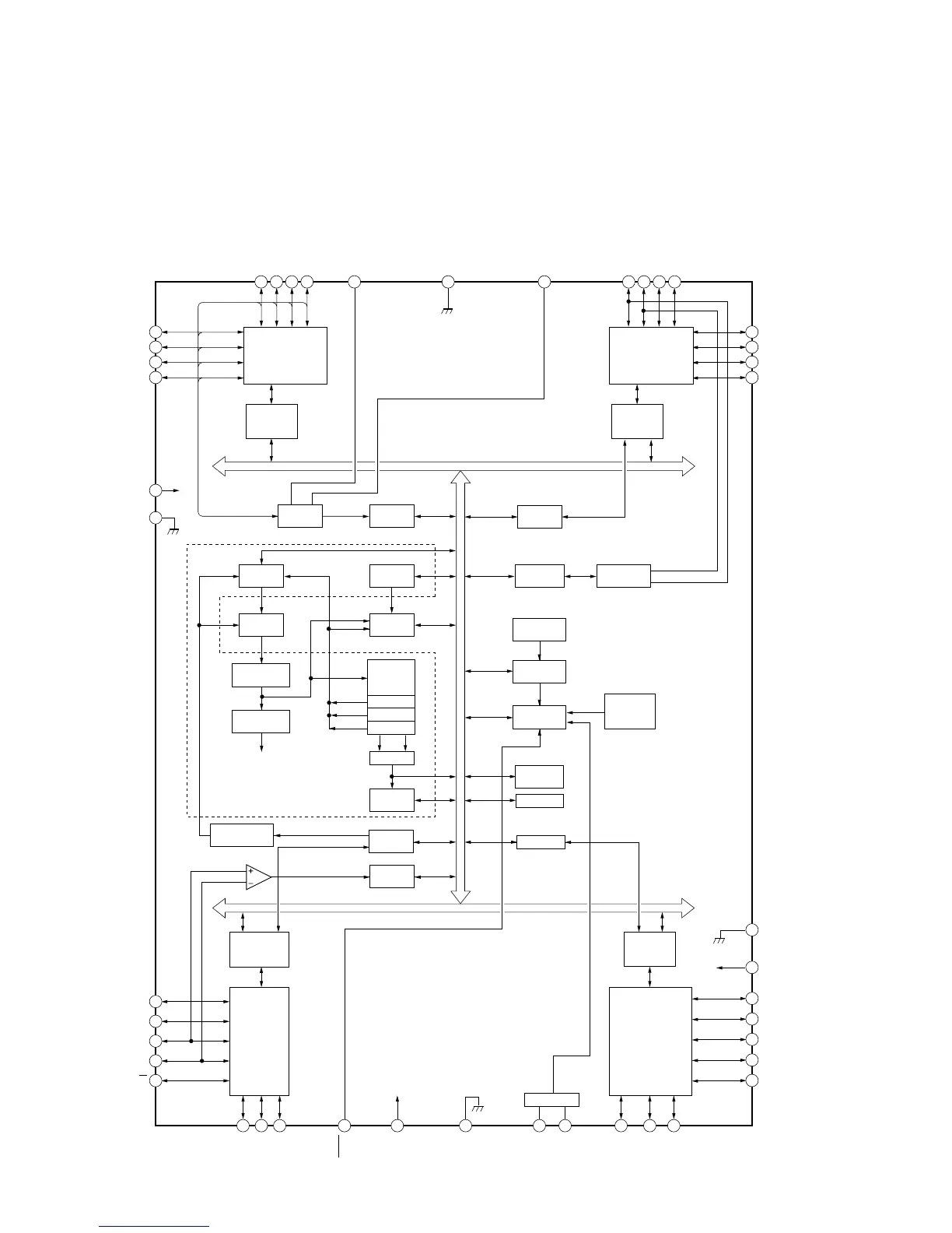
Sony CDX-M50IP - Integrated Circuit (IC) Block Diagrams (iPod Board); IC250 ATMEGA32 L-8 AU-S6 (iPod Board)

Sony CDX-M50IP
48 pages
Print Icon
To Next Page IconTo Next Page
To Next Page IconTo Next Page
To Previous Page IconTo Previous Page
To Previous Page IconTo Previous Page
Loading...
34
CDX-M50IP/MR50IP
IC250 ATMEGA32L-8AU-S6 (IPOD BOARD)
PROGRAM
COUNTER
INSTRUCTION
REGISTER
INSTRUCTION
DECODER
CONTROL
LINES
PROGRAM
FLASH
STACK
POINTER
SRAM
GENERAL
PURPOSE
REGISTERS
ALU
AVR CPU
Z
Y
X
EEPROM
OSCILLATOR
ADC
INTERFACE
TIMERS
/COUNTERS
OSCILLATOR
TWI
MCU CTRL.
& TIMING
INTERNAL
CALIBRATED
OSCILLATOR
STATUS
REGISTER
PROGRAMMING
LOGIC
PORT B
DIGITAL
INTERFACE
PORT B
DRIVERS
/BUFFERS
40
41
42
43
44
34
ADC3
ADC4
ADC5
ADC6
ADC7
AREF
GND
AVCC
TOSC2
TOSC1
TDI
TDO
MOSI
MISO
SCK
RESET
VCC
GND
XTAL2
XTAL1
RXD
TXD
INTO
ADC2
ADC1
ADC0
VCC
GND
XCK/T0
T1
AIN0/INT2
AIN1/OC0
SS
TMC
TCK
SDA
SCL
OC2
ICP1
VCC
GND
INT1
OC1A
OC1B
30313233
35
36
37
38
39
21 3 4 5 9 10 117 86
INTERRUPT
UNIT
INTERNAL
OSCILLATOR
WATCHDOG
TIMER
PORT A
DIGITAL
INTERFACE
PORT A
DRIVERS
/BUFFERS
PORT C
DRIVERS
/BUFFERS
22
2526272829 2324
21
20
19
13
12
14
15
16
17
18
PORT C
DIGITAL
INTERFACE
PORT D
DIGITAL
INTERFACE
PORT D
DRIVERS
/BUFFERS
COMP.
INTERFACE
USART
SPI
MUX &
ADC

Other manuals for Sony CDX-M50IP

Related product manuals