EasyManua.ls Logo

Sony CFD-CD777SMK2 - Page 35

Sony CFD-CD777SMK2
68 pages
Print Icon
To Next Page IconTo Next Page
To Next Page IconTo Next Page
To Previous Page IconTo Previous Page
To Previous Page IconTo Previous Page
Loading...
35
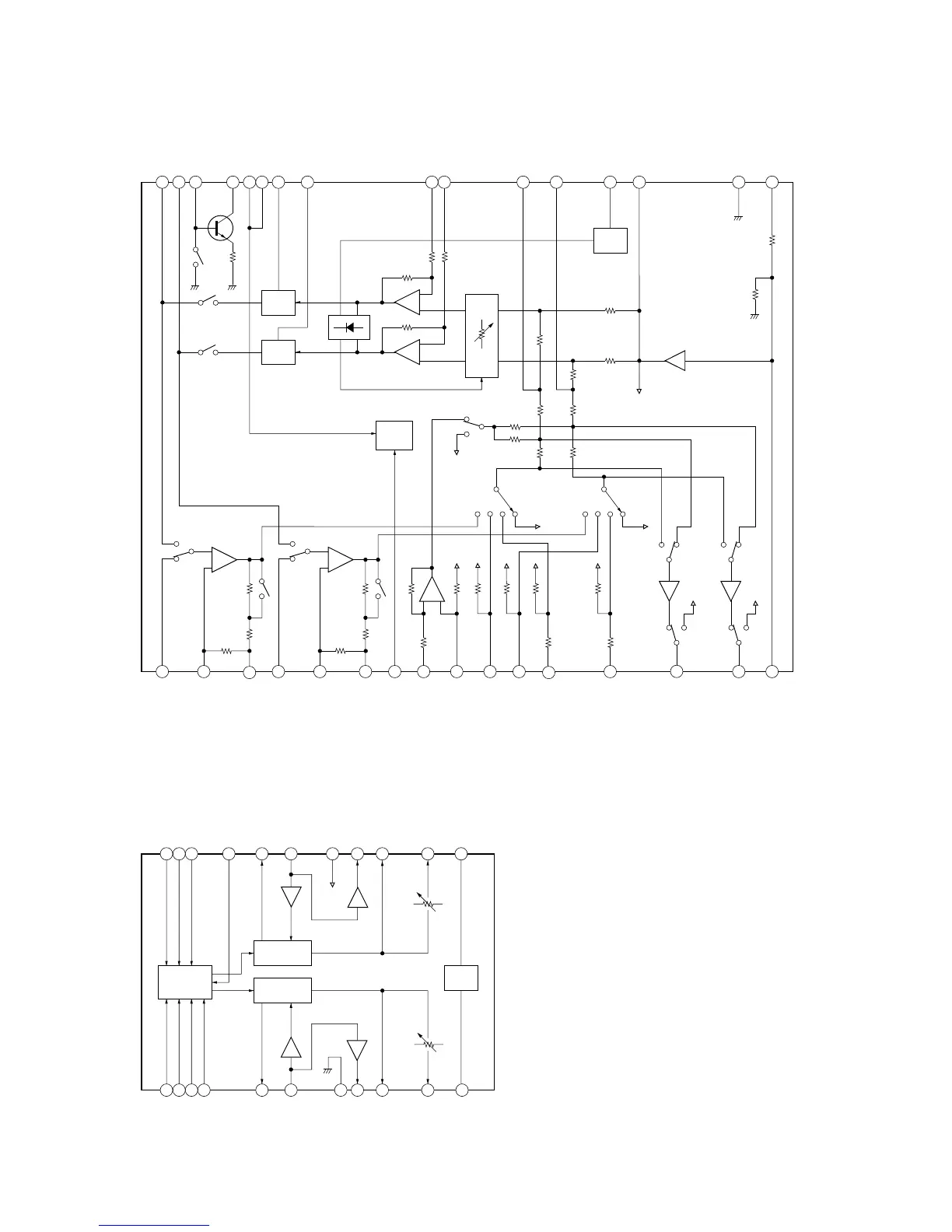
CFD-CD777SMK2
IC101 BA3426AS
IC102 CXA1352AS
+
+
+
+
+
1
27282930 242526 212223 181920
16
17
2
3
4 5 6 7 8 9
A-L
TAPE-NF-L
TAPE-O-L
A-R
TAPE-O-R
MIC/HS
TAPE-NF-R
MIC-NF
MIC-IN
10
RADIO-IN-L
13
CD-IN-R
14
LINE-OUT-L
15
LINE-OUT-R
BIAS-IN
11
RADIO-IN-R
12
CD-IN-L
GND
VCC
BIAS
AGC
LPF-R
LPF-L
REC-NF-R
REC-NF-L
REC-EQ-R
REC-EQ-L
TR-B
32
B-L
31
B-R
TR-C
TAPE-MODE
FUNCTION
AGC
REC EQ
AMP
REC EQ
AMP
LOGIC
CONTROL
15dB
15dB
29dB
VOLUME
VOLUME
29dB
GRAPHIC
EQUALIZER
GRAPHIC
EQUALIZER
BIAS
1
2122 181920 1617
2 3 4 5 6 7 8 9
400Hz
100Hz
BAL
VOL
IN 1
GND
DC1
OUT 1 (FIX)
LINE OUT 1
10
OUT 1 (VARIABLE)
11
ISET
VCC
15
LINE OUT 2
14
OUT 2 (FIX)
13
OUT 2 (VARIABLE)
12
VG
IN 2
DC2
DVCC
10kHz
4kHz
1kHz

Table of Contents

Related product manuals