EasyManua.ls Logo

Sony DSC-P72 - Page 22

Sony DSC-P72
48 pages
Print Icon
To Next Page IconTo Next Page
To Next Page IconTo Next Page
To Previous Page IconTo Previous Page
To Previous Page IconTo Previous Page
Loading...
DSC-P72
COVER
COVER
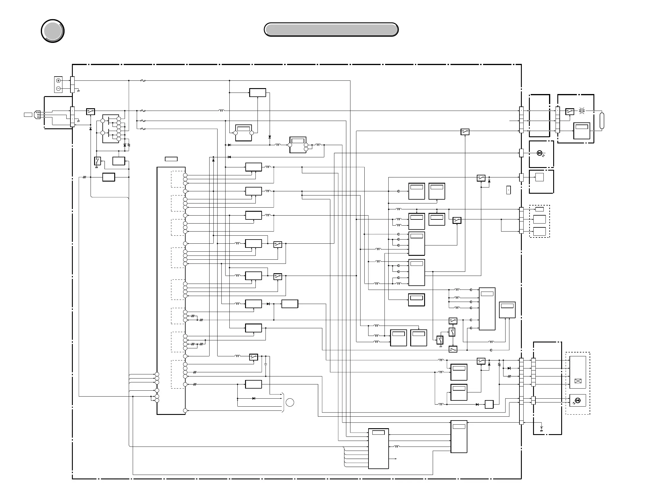
3. BLOCK DIAGRAMS
3. BLOCK DIAGRAMS
3-4. POWER BLOCK DIAGRAM
3-7 3-8E
( ) : Number in parenthesis ( ) indicates the division number of schematic diagram where the component is located.
Q002
IC001
DC/DC CONVERTER
36
OUT1-P
D002
D003
CHARGE
SWITCH
BATT /XETX
F001
VCC1
56
55
V-IN1
37
OUT1-N
L006
34
OUT2-P
58
OVP2
35
OUT2-N
32
OUT3-P
54
V-IN3
33
OUT3-N
30
OUT4-P
53
V-IN4
31
OUT4-N
23
OUT9-N
80
-IN9
1
-IN (S) 9
4
AMP IN
38
OUT5-P
52
V-IN5
39
OUT5-N
RST
47
UNREG SCK
CONT
57
SYS DD ON
DC IN
BATTERY
TERMINAL
BT901
SY-85 BOARD
CN701
BATT UINREG
CN001
J101
ACV UNREG
BATT/ XEXT
FAST CHARGE
F003
ST UNREG
61
V+IN2
20
VCC5
28
OUT6-P
50
V-IN6
29
OUT6-N
DATA
45
CLK
46
UNREG SO
M5V
ACV UNREG
JK-252 (1/2)
(FLEXIBLE)
30
24
29
31
37
ACV GND
F007
2
1
.
4
3
.
Q001
BATT UNREG
Q006
Q007
1
4
2
3
S1
G1
S1
D1
8
5
7
6
S2
G2
S2
D2
Q005
F005
SWITCHING
Q012,018
41
VCC2
12
IC003
BATT
DET
SWITCHING
Q021,022
ST UNREG
ACV UNREG
BATT UNREG
D014
D013
L009
L010
15
IC004
DC/DC
CONV
2
L011
D016
D009
L007
SWITCHING
Q013,019
22
OUT10
-IN10
AMP OUT
19
VCC4
L008
SWITCHING
Q016
43
OUT5-S
42
VCC3
SWITCHING
Q020,024
L005
Q025
SWITCHING
Q017,023
L003
Q026
18
OUT6-S
SWITCHING
Q015
L002
D020
5
3
SWITCHING
Q011
SWITCHING
Q014,027
Q010
L001
BACK LIGHT
SWITCHING
Q003
60
V-IN2
D004
BL H
BL L
BL THH
BL THL
BL LEVEL
48
ON/OFF2
BL ON
XCS DD CON
XCS
44
CAM 15V
CAM -7.5V
PANEL 13.2V
A4.9V
D3.1V
D2.9V
D1.5V
DD CON SENS
A2.9V
PANEL 2.9V
EVER 4.0V
IC401
FRONT
CONT
IC901
CAMERA
MODULE
Q905
(1/2)
L601
FB906
Q906
(1/2)
Q905
(2/2)
Q906
(2/2)
FB902
FB903
FB905
FB904
L903
L902
L901
L351
FB351
IC351
CCD
IMAGER
IC781
CLOCK
GEN.
FB781
IC201
D/A
CONV.
IC203
7ch LENS
DRIVER
L202
L501
L201
IC202
AMP
14
ZOOM
SENSOR
PITCH
FOCUS
SENSOR
11
19
Q201
CN201
Z POSI VCC
FRST VCC
Z RST VCC
LENS ASSY
IC301
CAMERA
DSP
FB302
FB303
FB301
XLENS RST LED
IC501
MC CAM
SH DSP
FB501
FB503
CAM DD ON
FB502
L503
L502
L302
MS POWER ON
IC502
EEPROM
L203
BATT /XETX
FAST CHARGE
UNREG SCK
SYS DD ON
EVER 3.0V
UNREG SO
XCS DD CON
L401
IC402
INTIAL RESET
BACKUP VCC
XRESET
EVER 3.0V
BATT IN
BACKUP VCC
SW-391
(FLEXIBLE)
BT100
LITHIUME
BATTERY
LI3V
9
LCD
DRIVER
(PAGE 3-5)
IC601
VIDEO
AMP
L152
IC151
AUDIO
AMP
L163
AU 2.9V
IC801
LCD
DRIVER
L803
L801
IC802
LCD
TG
L802
P OFF
REF
VOL
D805
Q810
Q805
D806
D803
12
14
19
18
CN702
VDD
VDDG
CREXT
VREF
18
16
9
11
PANEL UNIT
LCD901
COLOR
LCD
MONITOR
ND901
BACK LIGHT
31
28
6
1
CN101
BL L
BL THH
CN102
Q702
IC501
IGBT
DRIVER
9
CN704
10
12
CN501
2
T501
FLASH
UNIT
9
10
12
2
FP-643
(FLEXIBLE)
ST-82 BOARD
ST UNREG
M5V
Q703
Q501,502
STB CHARGE
CN701
1
3
JK-252(2/2)
(FLEXIBLE)
MS
PORT
Q702
D701
2
STB CHARGE
STB CHARGE
CN706
6
5
.
3
2
.
D001
UA-002
(FLEXIBLE)
A4.9V
SWITCH
Q004,009
L001
5
(8/10)
(8/10)
(9/10)
(4/10) (2/10)
(2/10)
(2/10)
(3/10)
(4/10)
(1/10)
(1/10)
(4/10)
(3/10)
(5/10)
(5/10)
(6/10)
(6/10)
(7/10)
(SELF-TIMER /
AF ILLUMINATOR)

Related product manuals