EasyManua.ls Logo

Sony EVI-HD1 - Page 43

Sony EVI-HD1
84 pages
Print Icon
To Next Page IconTo Next Page
To Next Page IconTo Next Page
To Previous Page IconTo Previous Page
To Previous Page IconTo Previous Page
Loading...
43
仕様
付録
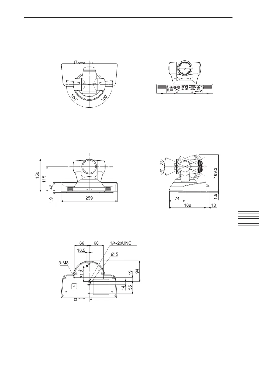
寸法図
上面 背面
底面
正面 側面
深さ 3 から 5
深さ 5 から 7
深さ 5 以下
単位:mm

Table of Contents

Other manuals for Sony EVI-HD1

Related product manuals