EasyManua.ls Logo

Sony EVI-HD1 - Page 82

Sony EVI-HD1
84 pages
Print Icon
To Next Page IconTo Next Page
To Next Page IconTo Next Page
To Previous Page IconTo Previous Page
To Previous Page IconTo Previous Page
Loading...
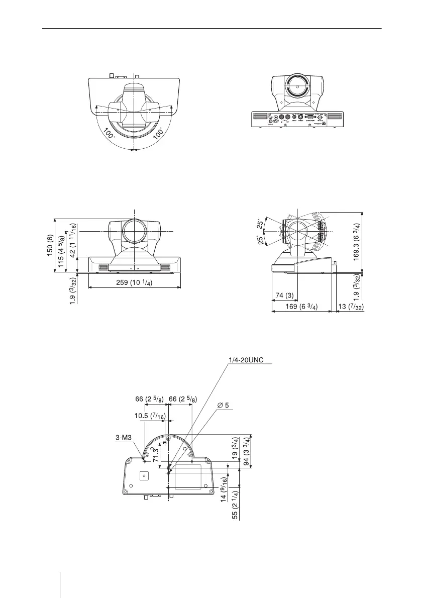
82 Specifications
Dimensions
Top Back
Front Side
Bottom
Within a depth from 5 to 7 mm
(7/32 to 9/32 inches) from the
bottom surface.
Within a depth
from 3 to 5 mm
(1/8 to 7/32 inches)
from the bottom
surface.
Within a depth from 5 mm
(7/32 inches) or less from
the bottom surface.
Unit: mm (inches)

Table of Contents

Other manuals for Sony EVI-HD1

Related product manuals