EasyManua.ls Logo

Sony HCD-CP33 - Power Section Block Diagram; Power Section Functional Blocks

Sony HCD-CP33
84 pages
Print Icon
To Next Page IconTo Next Page
To Next Page IconTo Next Page
To Previous Page IconTo Previous Page
To Previous Page IconTo Previous Page
Loading...
HCD-CP33
3838
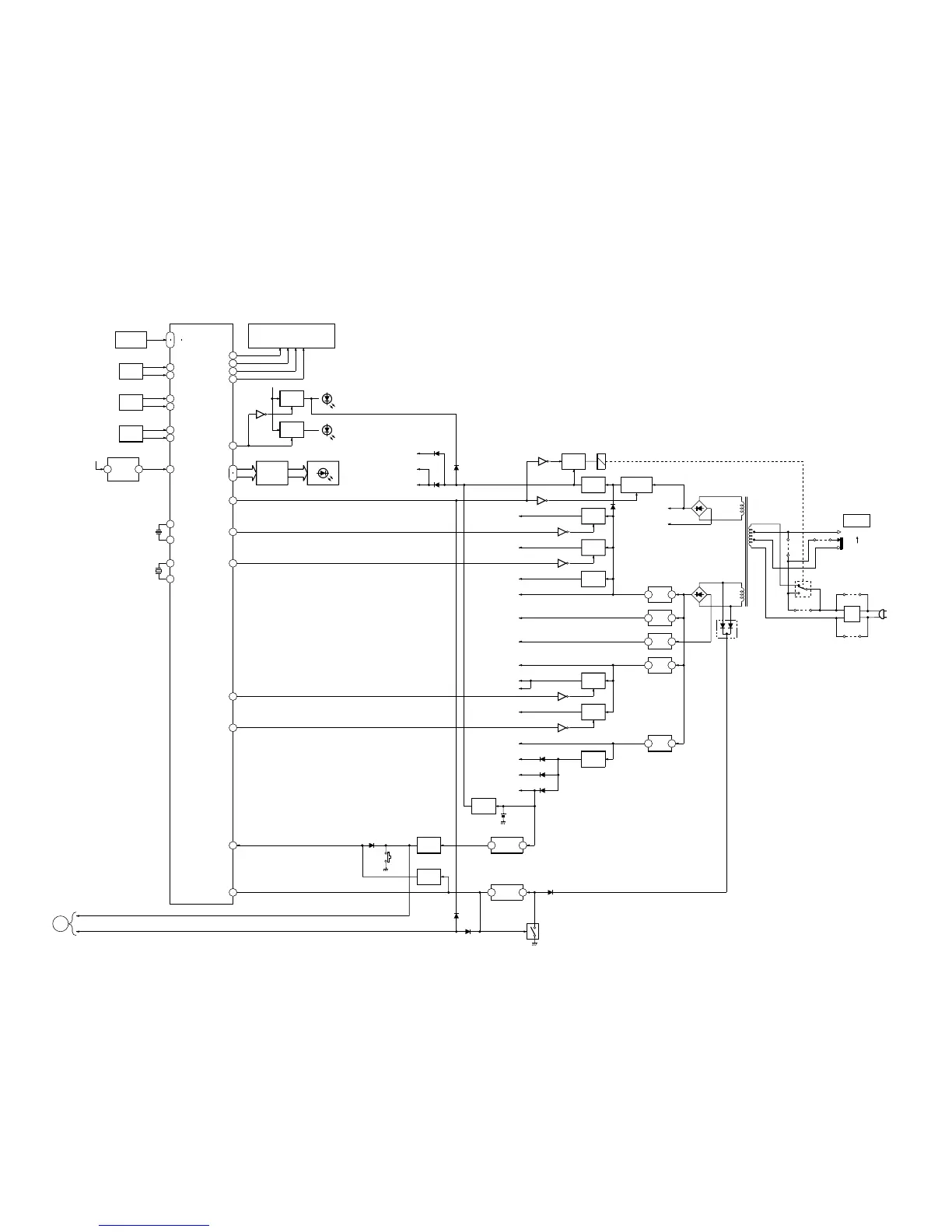
7-4. BLOCK DIAGRAM POWER Section
LIQUID CRYSTAL
DISPLAY PANEL
SYSTEM CONTROL
VOL A
86
VOL B
87
SIRCS
88
RV801
VOLUME
X801
4.19MHz
LCD801
LED
DRIVER
T901
D907-910
D911-914
AC
IN
FUCTION
KEY
REMOTE
CONTROL
RECEIVER
1
2
IC802
+5V
SUB 230V
230V
115V
COM
VOLTAGE
SELECTOR
S901
POWER TRANSFORMER
220-240V
110-120V
RELAY
DRIVE
Q316
RY901
IC306(3/3)
S801-807
S809-822
72
81
Q328
Q859-862,870
D851-855
D857,858,860
RESET
5
3
IC308
RESET
SWITCH
Q313
E
MD
SECTION
KEY0
KEY2
89
91
TREBLE A
84
TREBLE B
85
RV802
TREBLE
BASS A
82
BASS B
83
RV803
BASS
LED
SIGNAL
35
LCD SDA
37
LCD SCK
40
LCD CS
39
LCD RS
X802
32.kHz
LINE
FILTER
LF901
JW918
JW917
JW902
JW904
JW901
S901,JW901,JW902:US,CND
JW904:AEP,UK,AED,AUS,KR,TH
RY901:US,CND,AEP,UK,AED,AUS,KR,TH
LF901:US,CND,AEP,UK,AED,AUS,KR,TH,TW
JW917,JW918:E,JE,AR,SP,MY,HK
RY901
+12V
REG
1
3
IC310
Q315
PWR +B
WRP -B
SWITCHING
Q322
D915
+5V REG
Q340
Q333,334
SUB XIN
10
SUB XOUT
11
XIN
15
XOUT
13
63
TC B/L CONT
+B SW
Q324,325
+B SW
Q326,328
D601-604
LCD
BACK LIGHT
CASSETTE
HOLDER
BACK LIGHT
LED +8V
D303
+B SW
Q303
Q307,308
+B SW
Q304
Q305,306
+B SW
Q338,339
TU +9.5V
TU +7.5V
+12V
IC301,304
+B
+8V
REG
1
3
IC311
TC +8V
-8V
REG
2
3
IC312
TC -8V
+8V
REG
1
3
IC313
CD +8V
(UNSW)
+B SW
Q309
Q310,311
CD D+5V
+B SW
Q335
Q337
LED +8V
CD A+5V
+5V
REG
1
3
IC314
M +5V
REG
Q312
A +3,3V
SYS +3,3V
BU +3,3V
D316
D315
D314
SWITCH
Q317
BT301
µCOM +B
LCD +B
LED +B
D307
D320
D319
RESET
1
3
IC316
D322
D318
D326
D325
RESET
SWITCH
Q319
S301
RESET
D328
4
POWER ON
56
TU ON
55
FM ON
48
CD ON
61
S/B CONT
12
RESET
1AC CUT
P DOWN
RESET
Q851-855
16
(Page 36)

Related product manuals