EasyManua.ls Logo

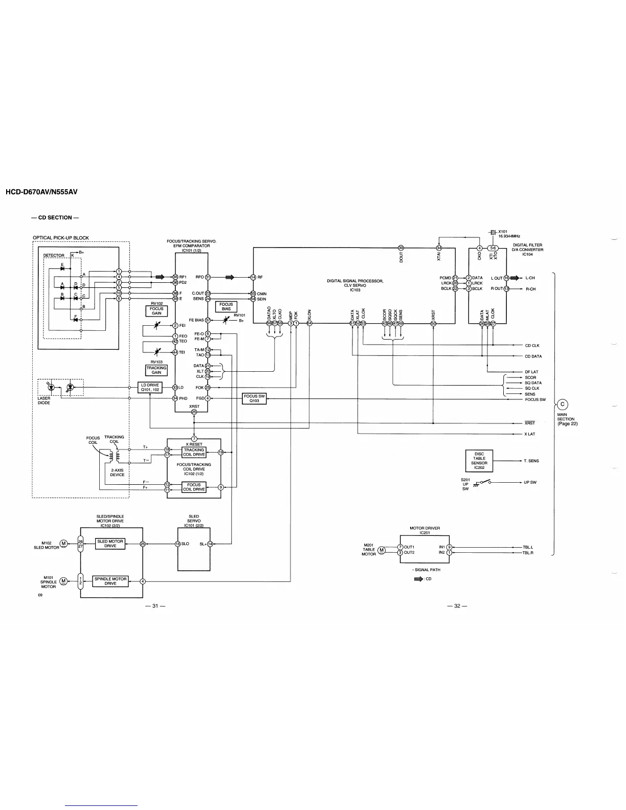
Sony HCD-D670AV - Compact Disk Deck Receiver - CD Section Schematic Diagram

Sony HCD-D670AV - Compact Disk Deck Receiver
78 pages
Print Icon
To Next Page IconTo Next Page
To Next Page IconTo Next Page
To Previous Page IconTo Previous Page
To Previous Page IconTo Previous Page
Loading...

Related product manuals