EasyManua.ls Logo

Sony HCD-DP700 - Schematic Diagram

Sony HCD-DP700
88 pages
Print Icon
To Next Page IconTo Next Page
To Next Page IconTo Next Page
To Previous Page IconTo Previous Page
To Previous Page IconTo Previous Page
Loading...
HCD-DP700
5050
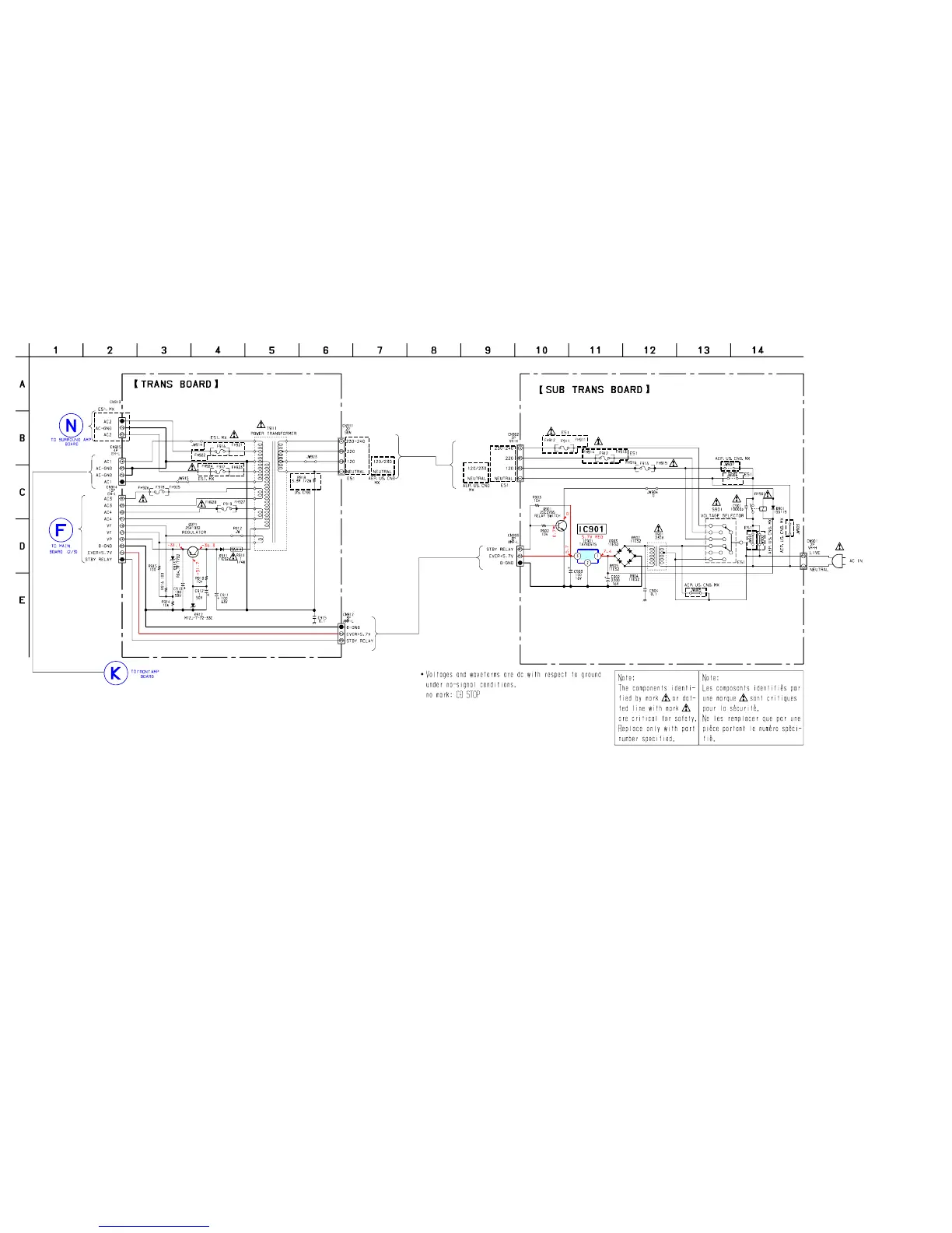
6-28. SCHEMATIC DIAGRAM TRANS SECTION
(Page 40)
(Page 30)
AEP/US/CND MODEL : (Page 37)
E51/MX MODEL : (Page 39)

Related product manuals