EasyManua.ls Logo

Sony HCD-DP900D - Schematic Diagrams - Main Section (1;3); Main Section Schematic Diagram (1;3)

Sony HCD-DP900D
102 pages
Print Icon
To Next Page IconTo Next Page
To Next Page IconTo Next Page
To Previous Page IconTo Previous Page
To Previous Page IconTo Previous Page
Loading...
3737
HCD-DP900D
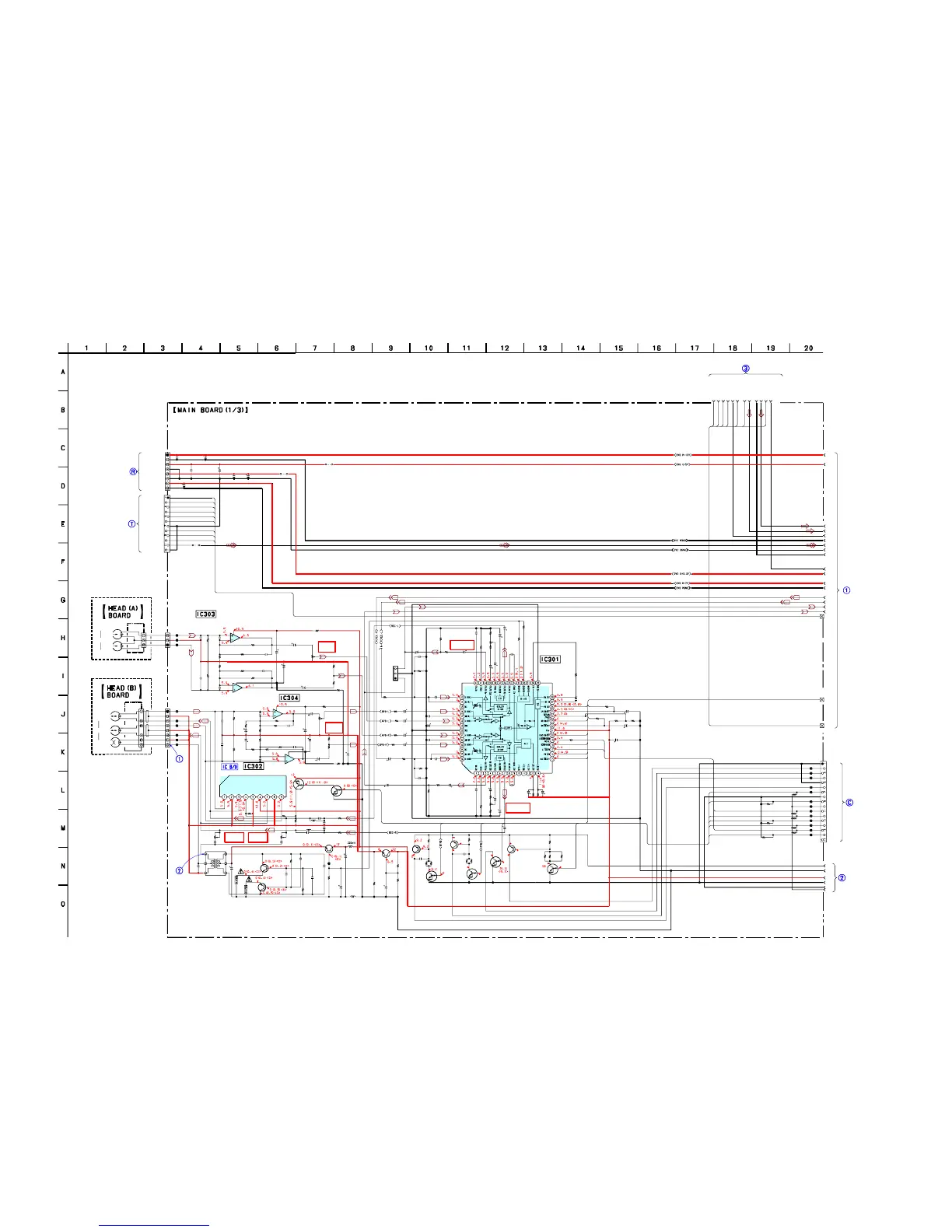
6-14. SCHEMATIC DIAGRAM MAIN (1/3) SECTION See page 22 for Waveforms. See page 61 for IC Block Diagrams.
TP301
TP302
TP303
TP304
TP305
TP306
TP307
TP308
TP309
TP310
TP311
TP312
TP313
TP314
TP315
TP316
TP317
TP318
TP319
TP320
TP321
TP322
TP323
C342
C351
C302
C304
C309
C310
C322
C323
C328
C329
C333
C334
C337
C352
C354
C359
C360
C362
C363
C372
C374
C378
C379
C382
C383
C384
CN304
L302
L303
220
µH
R141
R143
R302
R303
R304
R309
R311
R312
R315
R319
R332
R333
R335
R337
R338
R339
R340
R341
R352
R353
R354
R359
R360
R363
R366
R382
R383
R385
R387
R388
R389
R391
R392
R393
R396
RV304
RV351
RV354
C343
C393
R348
R349
R305
R306
R356
R351
NO302
NO303
R320
R321
R367
R368
R369
R364
R365
R361
R362
C338
R345
R398
R336
C326
C376
RV303
R346
R347
R358
R357
R318
R313
C319
R381
C371
R331
C321
R397
R371
R372
R373
R375
R376
R378
R374
RV302
R334
R386
R343
R344
C339
C340
C313
R308
RV301
R307
R384
C375
R394
L301
L351
C369
R377
C353
C325
C308
C303
C301
C314
C316
C312
C311
C358
C356
C357
C370
C320
C317
R142
C143
C341
C335
C336
R342
C381
C380
C330
C141
C377
C327
C324
R301
R390
C332
C331
R316
R317
C368
C315
CN1
HP901
HRPE901
CN2
C373
T301
CN301
Q391
Q393
Q394
Q395
Q397
Q396
Q141
Q301
Q392
Q305
Q304
Q302
Q303
IC303(1/2)
IC303(2/2)
IC304(1/2)
IC304(2/2)
C305
C307
C318
C306
IC302
µPC1330HA
IC301
JR271
C275
JR273
JR272
C276
C277
C271
C272
CN204
CN203
C274
C273
C355
R355
47
16
1
50
0.0047
PET
0.1
MF
0.47
MF
470p
100p
0.022
PET
100p
0.01
PET
330p
27p
0.015
PET
0.0047
PET
0.1
MF
0.47
MF
470p
0.0047
0.0047
100p
10
50V
100p
0.01
PET
120p
PET
330p
27p
17P
FFC-S
1k
470
2.2k
100
100
22k
1M
160k
10k
390k
100
5.6k
220
220
22k
12k
270k
220
2.2k
100
100
33k
1k
1k
47k
100
5.6k
0
220
22k
12k
0
12k
22k
4.7k
220k
10k
220k
10
50V
10
50V
820
1.5k
6.8k
10k
10k
22k
WIRE MT
WIRE MT
1.2k
4.7k
3.3k
3.3k
3.3k
2.2k
2.2k
2.2k
2.2k
0.0068
PET
18k
1.5k
120k
390p
390p
2.2k
18k
5.6k
4.7k
8.2k
10k
100k
2.2
50
120k
390p
120k
390p
820
47k
4.7k
1k
75k
4.7k
75k
47k
2.2k
130k
120k
5.6
FR
5.6
FR
0.0068
PET
0.018
PET
0.001
4.7k
10k
8.2k
130k
22
50V
220
27mH
27mH
2.2
50
47k
0.1
MF
22
50V
10
50V
0.1
MF
1
50V
10
50V
100
16V
0.47
50V
10
50V
10
50V
1
50V
1
50V
2.2
50V
2.2
50V
100
10V
1.2k
10
50V
1
50V
0.01
100V
PET
2.2
50V
12k
22
50V
10
50V
10
50V
10
50V
100
10V
100
10V
10
50V
22k
270k
120p
PET
22
50V
33k
10k
10
50V
4.7
50V
0.022
PET
3P
MOLEX
2SB1116A-L
2SB1116A-L
DTC114ES
DTC114ES
DTC114ES
2SB1068-K
2SC2785-HFE
2SD1387-3
DTC114ES
DTC114ES
DTA124ES
2SC2001-LK
2SC2001-LK
NJM4580MD-(TE2)
NJM4580MD-(TE2)
NJM4580MD-(TE2)
NJM4580MD-(TE2)
10
50V
1
50V
10
50V
1
50V
HA12226F
0
470
10V
0
0
0.01
1000
16V
0.01
1000
6.3V
8P
12P
1000
6.3V
0.01
10
50V
6.8k
TU
NED
STER
EO
R-CH
L-CH
ANALOG.GND
RD
S D+5V
M
C D
I
MC DO
CL
CE
MUTE
A+12
V
30
34
27
1
2
12
16
9
14
13
17
18
21
22
24
25
28
29
20
19
37
36
35
38
39
40
19
17
17
19
59
60
65
66
67
68
69
52
50
54
55
27
25
23
87
88
21
22
89
90
91
56
70
57
61
48
40
42
19
36
37
43
47
35
58
53
SW
.R1
GND
GND
GND
SW
.P1
CONT.
VCC
SW
.P2
SW
.R2
L-PB
L-REC
R-PB
E-HOT
R-REC
E+6V
E+6V
E+6V
L-PB
R-PB
+6V
PB EQ AMP
INPUT SELECT SWITCH
DULBY NR
BIAS OSC
REC BIAS SWITCH
(R)
(L)
REC/PB
SWITCH
PB EQ AMP
0
0
0
0
L
R
TAPE A
PB HEAD
REC/PB/ERASE
HEAD
L
R
TAPE B
DECK-A
DECK-B
(L)
PB LEVEL
SWITCH
SWITCH
DC BIAS
PLUNGER DRIVER
B DECK
PLUNGER DRIVER
B DECK
PLUNGER DRIVER
A DECK
PLUNGER DRIVER
A DECK
3
1
L-CH
GND
R-CH
REC LEVEL(L)
DECK (B)
DECK (B)
REC LEVEL(R)
CAP MOTOR
DRIVE
CAP MOTOR
SPEED CONT.
CAP MOTOR
DRIVE
5
8
7
6
2
4
1
3
5
6
7
8
1
2
3
4
9.2
9.1
9.1
4.9
9.2
9.1(8.4)<8.4>
9.1
0(5)<5>
(L)
PB LEVEL
CAPM
+
AHALF
APLAY
A120/70
ASHUT
+5V
DGND
BSHUT
BM
ETAL
BPLAY
B120/70
CAPM
-
CAPM
H/L
ATRGM
+
BTRGM
+
TRGM
GND
BHALF
DECK(B)
DECK(A)
REC BIAS
REC BIAS
D+5V
D+3.3V
SPDIF
11V
MGND
GND
GND
M+7V
M+7VGND
XFRRST
XIFINT
XIFCS
SIO
SOO
SCO
GND
XIFOK
FR
VMUTE
DGND
BOARD
LEAF SW
MB
MB
BOARD(5/5)
BOARD(4/5)
(Page39)
(Page34)
(Page33)
(Page38)
(Page51)
(Page38)

Related product manuals