EasyManua.ls Logo

Sony HCD-DP900D - Schematic Diagrams - DSP Section (1;2); DSP Section Schematic Diagram (1;2)

Sony HCD-DP900D
102 pages
Print Icon
To Next Page IconTo Next Page
To Next Page IconTo Next Page
To Previous Page IconTo Previous Page
To Previous Page IconTo Previous Page
Loading...
4141
HCD-DP900D
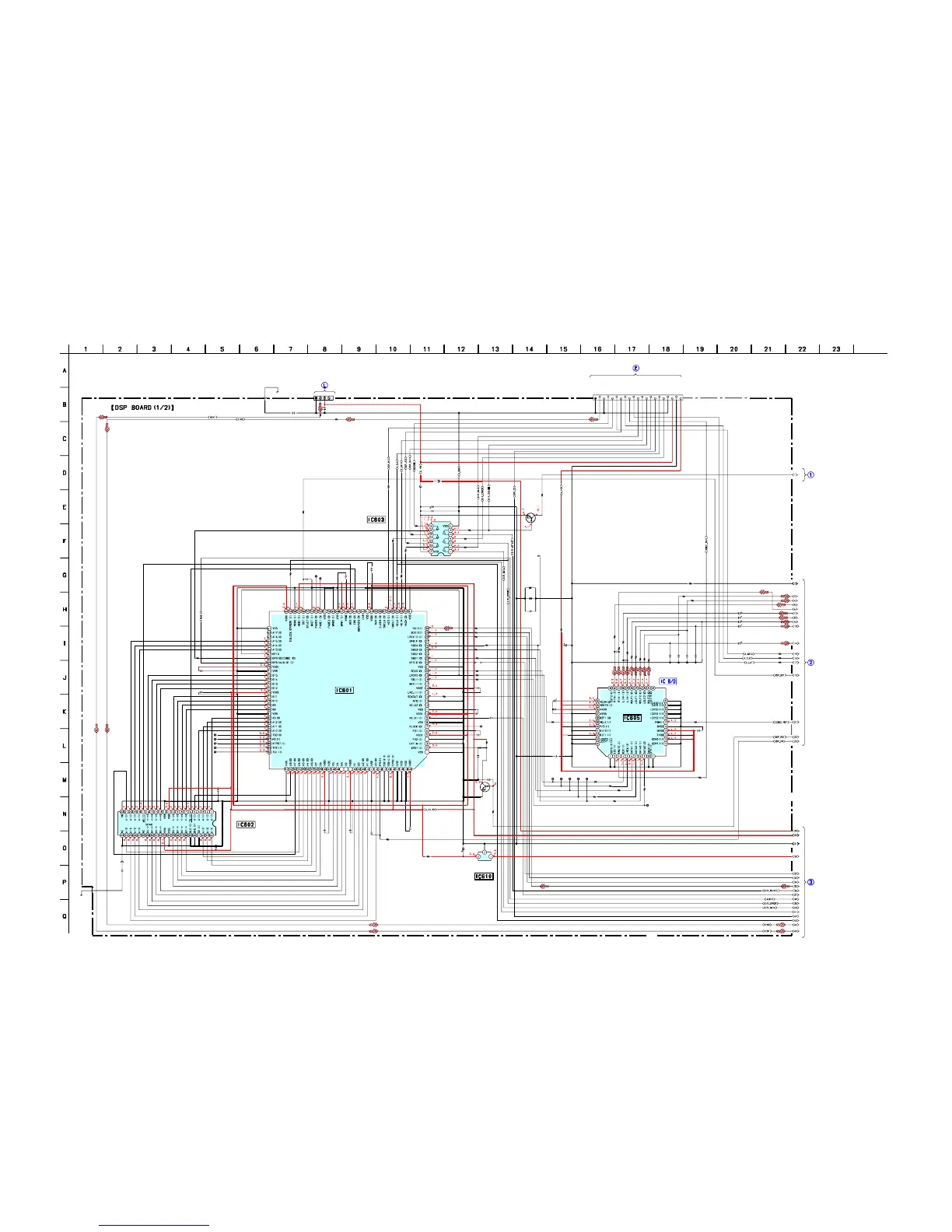
6-18. SCHEMATIC DIAGRAM DSP (1/2) SECTION See page 59 for IC Pin Function. See page 62 for IC Block Diagrams.
TP614
TP615
TP618
TP617
TP616
TP611
TP622
CN602
D604
D605
C645
C647
C659
C601
C602
C604
C606
C607
C608
C609
C610
C611
C612
C613
C635
C644
C658
C736
JR622
R601
R619
R620
R621
R630
R634
R635
R636
R642
C738
C739
C742
R680
TP601
TP602
TP603
TP604
TP605
R613
R612
R611
R608
R693
R694
R754
C672
C671
C673
C674
C678
R639
R638
R637
R641
R640
C643
R652
R
6
5
1
R
6
5
0
R
6
4
9
R
6
4
8
R
6
4
7
R
6
4
6
R
6
4
5
R
6
4
4
R632
R633
C
616
C615
R606
R617
R614
R604
R605
R603
R
6
1
5
R
6
1
6
R618
TP623
TP621
C
6
3
7
R623
C735
R771
C603
R629
R628
C
6
4
2
C636
R631
C614
C721
C740
C
6
4
0
C
6
3
9
C
6
3
8
IC605
FB604
JR621
FB607
0µH
FB608
0µH
IC603
Q613
IC610
FB601
EP604
FB609
0µH
EP601
CN
601
C734
R753
TP619
C646
R695
Q612
R602
R609
LR604
LR602
IC602
IC601
BCK
LRCK
D2
D3
DOUT
BCK
PLOCK
21P
FFC-S(1M
M
)
1SS355
1SS355
220
10V
220
10V
220
10V
0.1
0.01
0.1
0.1
0.1
0.1
0.1
0.1
0.1
0.1
0.1
0.1
0.1
0.1
0.1
100
100
100
100
100
100
100
100
100
0.001
0.001
0.001
3.3k
TDO
M
S
XTRST
TCK
TDI
100
100
100
100
100
100
100
10
50V
10
50V
10
50V
10
50V
10
50V
100
100
100
100
100
0.001
470
4
7
0
4
7
0
4
7
0
3
3
0
3
3
0
3
3
0
3
3
0
3
3
0
100
100
220
10V
0.1
100
100
100
100
100
100
1
0
0
1
0
0
100
PAGE1
PAGE0
0
.0
1
10k
0.1
10k
0.1
100
100
0
.0
0
1
0.01
100
0.1
220
10V
0.1
0
.0
1
0
.
0
1
0
.0
1
AK4527
0
0
TC74HCT7007AF
(EL)
FA1A4M
-L33
NJM
2391DL1
-26-TE1
0
3P
0.1
100
100
1k
FN1F4M
-M
32
220
100
0
0
IS61LV6416-15T
(T&R)
CXD9617R
D
IG
-T
x
D
S
P
-
R
x
D
IG
-C
L
K
A
M
P
-
D
A
T
A
A
M
P
-
C
L
K
A
M
P
-
L
A
T
D
IR
-U
N
L
O
C
K
D
IR
-C
S
D
S
P
-
C
S
D
IR
-R
x
D
S
P
-
D
E
C
O
D
E
D
I
R
-X
S
T
A
T
E
D
S
P
-
A
C
K
C
O
D
E
C
-S
M
U
T
E
D
-
G
N
D
D
-
G
N
D
D
+
5
V
A
+
5
V
A
-
G
N
D
D
-
G
N
D
D
-
O
U
T
BUFFER
M
ULTI-CHANNEL
AUDIO CODEC
DECODER
+2.6V REG
S-RAM
4
104
105
106
1
21
(CHASSIS)
(CHASSIS)
BOAR
D
M
AIN
BO
ARD(2/3)
O
PT IN
(Page38)
(Page43)
(Page42)
(Page42)
(Page42)

Related product manuals