EasyManua.ls Logo

Sony HCD-DR6 - Schematic Diagram - Main (4;5) Section

Sony HCD-DR6
88 pages
Print Icon
To Next Page IconTo Next Page
To Next Page IconTo Next Page
To Previous Page IconTo Previous Page
To Previous Page IconTo Previous Page
Loading...
HCD-DR4/DR5/DR6/DR440/W300/W5000/XB500
– 49 –
– 50 –
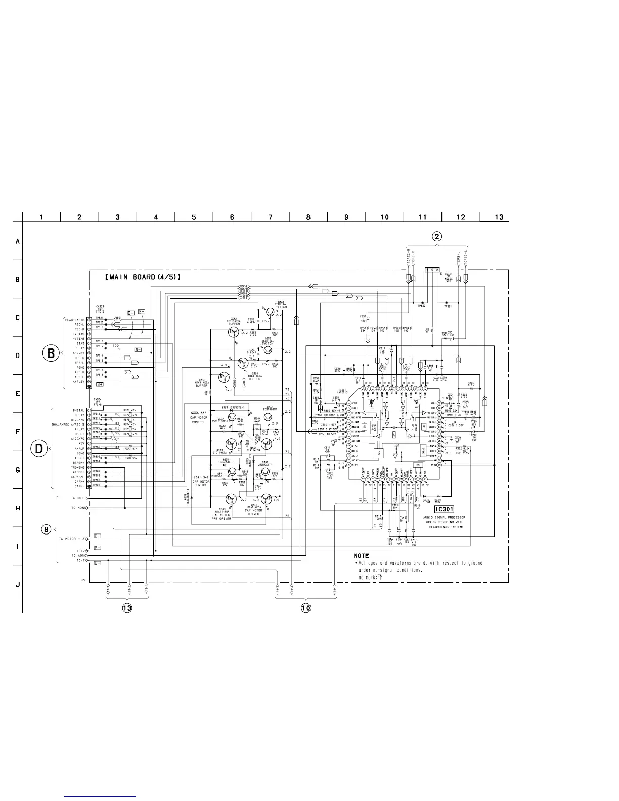
7-9. SCHEMATIC DIAGRAM – MAIN (4/5) SECTION –
• See page 41 for Printed Wiring Board.
(Page 54)
(Page 100)
(Page 51)
(Page 47)
(Page 45)
(Page 44)

Table of Contents

Related product manuals