EasyManua.ls Logo

Sony HCD-DR6 - TC Mechanism Section 1 (TCM230 AWR2;230 PWR2)

Sony HCD-DR6
88 pages
Print Icon
To Next Page IconTo Next Page
To Next Page IconTo Next Page
To Previous Page IconTo Previous Page
To Previous Page IconTo Previous Page
Loading...
– 109 –
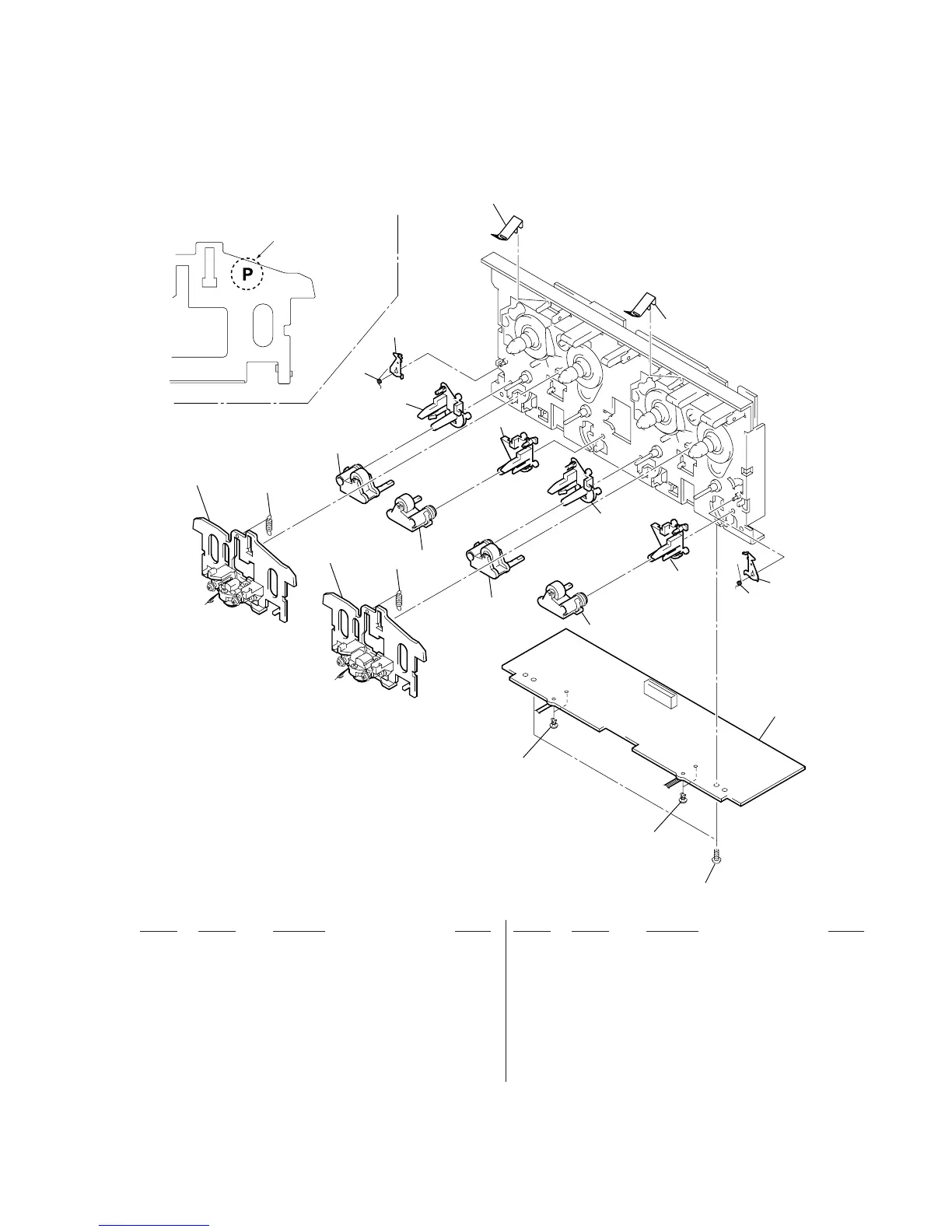
8-5. TC MECHANISM SECTION 1 (TCM230AWR2/230PWR2)
Ref. No. Part No. Description Remark Ref. No. Part No. Description Remark
410 3-016-573-01 LEVER (EJECT PREVENTION R)
411 3-032-810-02 SPRING (R), TORSION
412 3-016-572-01 LEVER (EJECT PREVENTION L)
413 3-032-809-02 SPRING (L), TORSION
HP101 A-2056-681-B DECK (A) ASSY, HEAD (230AWR2)(*NOTE)
HP101 A-2056-683-B DECK (A) ASSY, HEAD (230PWR2)(*NOTE)
HRPE101 A-2056-682-B DECK (B) ASSY, HEAD (230AWR2)(*NOTE)
HRPE101 A-2056-684-B DECK (B) ASSY, HEAD (230PWR2)(*NOTE)
401 3-376-464-11 SCREW(+PTT 2.6X6),GROUND POINT
402 3-911-116-21 RIVET, PUSH
403 3-016-574-01 SPRING (HEAD), TENSION
404 X-3374-156-1 PINCH LEVER (REV) ASSY
405 X-3374-155-1 PINCH LEVER (FWD) ASSY
406 3-017-365-01 BASE (PINCH LEVER FWD)
407 3-017-366-01 BASE (PINCH LEVER REV)
408 3-026-892-01 SPRING (CASSETTE), LEAF
409 A-2007-799-A AUDIO BOARD, COMPLETE
401
402
402
403
403
404
404
405
405
406
410
411
406
407
413
412
408
408
407
HRPE101
HP101
409
*NOTE: Two types of parts which are not interchangeable are available
for the Head deck (A) ASSY and Head deck (B) ASSY.
When replacing the parts, refer to the following figure, and use the
appropriate part.
Parts with “P” mark: 230PWR2
Parts without “P” mark: 230AWR2

Table of Contents

Related product manuals