EasyManua.ls Logo

Sony HCD-DR6 - TC Mechanism Section 2 (TCM230 AWR2;230 PWR2)

Sony HCD-DR6
88 pages
Print Icon
To Next Page IconTo Next Page
To Next Page IconTo Next Page
To Previous Page IconTo Previous Page
To Previous Page IconTo Previous Page
Loading...
– 110 –
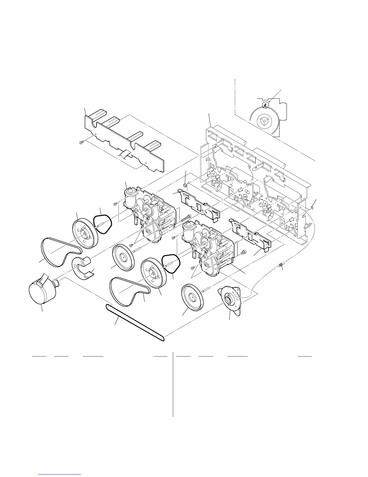
8-6. TC MECHANISM SECTION 2 (TCM230AWR2/230PWR2)
Ref. No. Part No. Description Remark Ref. No. Part No. Description Remark
459 A-2004-630-A MECHANICAL BLOCK ASSY (230PWR2)(*NOTE)
460 3-016-566-01 SLIDER, REVERSE
461 A-2007-800-A LEAF SW BOARD, COMPLETE
462 3-016-575-01 SPRING, TORSION
463 3-019-208-01 WASHER, STOPPER
464 3-027-453-01 SPRING (GROUND), TENSION
M1 A-2004-628-A MOTOR ASSY, CAPSTAN
451 X-3374-214-1 CHASSIS ASSY, MAIN
452 3-016-570-01 BELT (CAPSTAN)
453 3-016-569-01 BELT (TENSION)
* 454 3-016-568-01 BRACKET (MOTOR)
455 X-3374-075-5 FLYWHEEL (FWD) ASSY
456 X-3374-076-1 FLYWHEEL (REV) ASSY
457 X-3374-157-1 PULLEY ASSY, TENSION
458 3-024-405-01 BELT (FR2)
459 A-2004-629-A MECHANICAL BLOCK ASSY (230AWR2)(*NOTE)
451
452
452
453
454
455
455
456
456
457
458
458
459
459
464
460
460
461
462
463
M1
#10
#12
#13
#10
#10
#10
#11
*NOTE: Two types of parts which are not interchangeable are available
for the mechanical block assembly. When replacing the parts,
refer to the following figure, and use the appropriate part.
Parts with “P” mark: 230PWR2
Parts without “P” mark: 230AWR2

Table of Contents

Related product manuals