EasyManua.ls Logo

Sony HCD-DR6 - SCHEMATIC DIAGRAM - POWER (1;2) SECTION - (W300,W5000, XB500 Model)

Sony HCD-DR6
88 pages
Print Icon
To Next Page IconTo Next Page
To Next Page IconTo Next Page
To Previous Page IconTo Previous Page
To Previous Page IconTo Previous Page
Loading...
HCD-DR4/DR5/DR6/DR440/W300/W5000/XB500
– 65 –
– 66 –
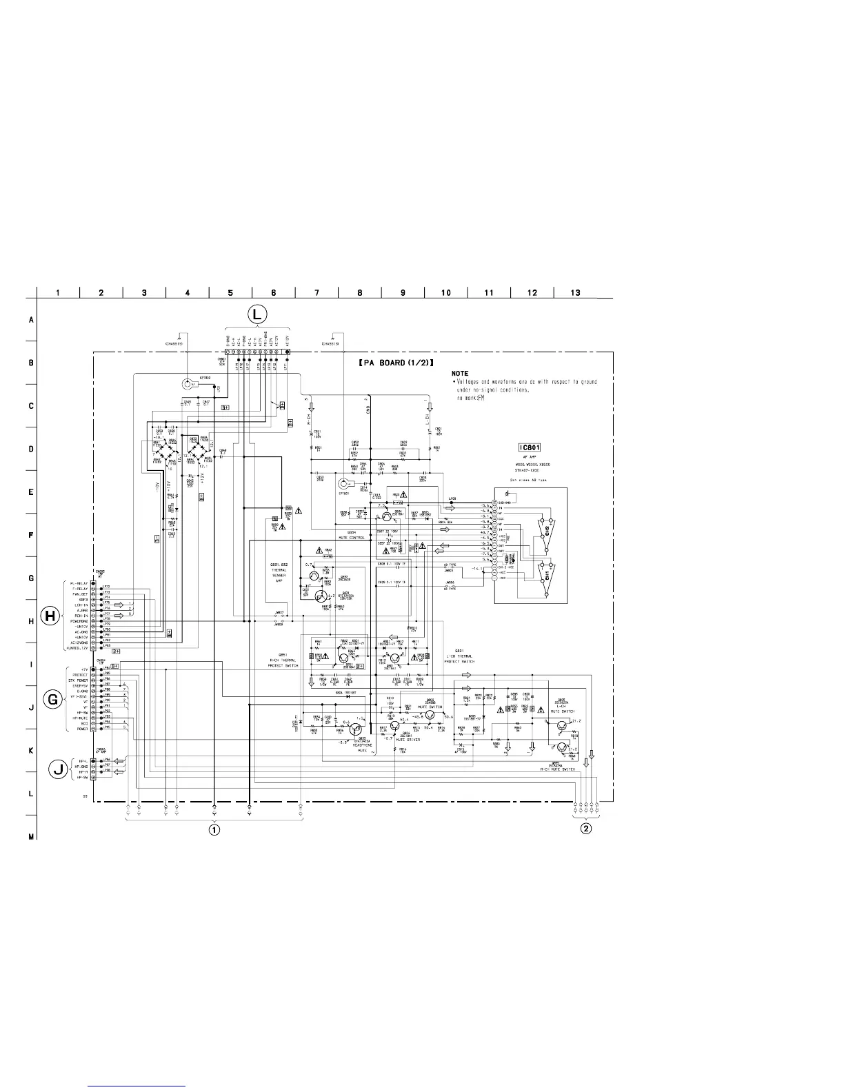
7-17. SCHEMATIC DIAGRAM – POWER (1/2) SECTION – (W300,W5000, XB500 model)
• See page 63 for Printed Wiring Board.
(Page 93)
(Page
52)
(Page
52)
(Page
89)
(Page 67)
(Page 68)

Table of Contents

Related product manuals