EasyManua.ls Logo

Sony HCD-DX255 - REMOTE CONTROL OPERATION; Button Descriptions

Sony HCD-DX255
92 pages
Print Icon
To Next Page IconTo Next Page
To Next Page IconTo Next Page
To Previous Page IconTo Previous Page
To Previous Page IconTo Previous Page
Loading...
10
HCD-DX155/DX255
Remote control
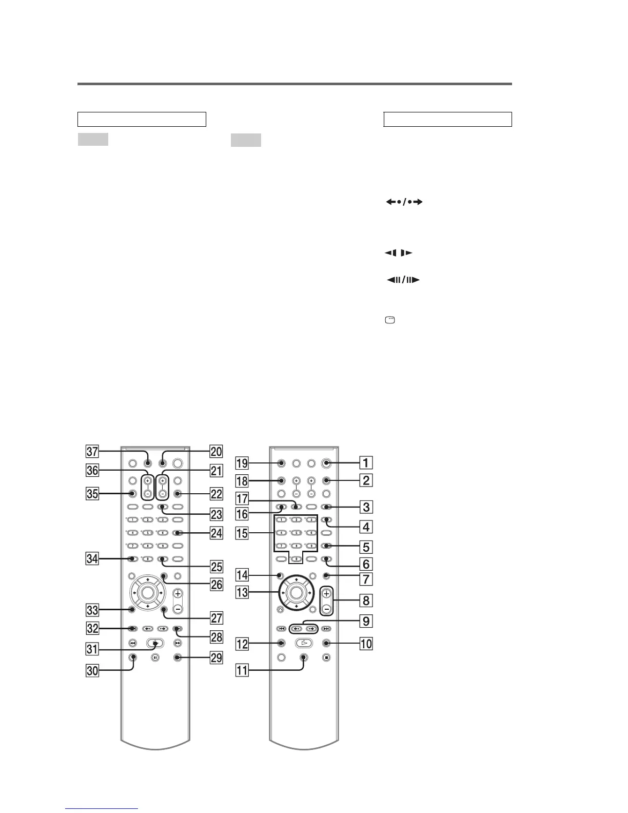
AMP MENU wg (22, 31, 60, 62,
97)
ANGLE 5 (47)
AUDIO 4 (42)
CLEAR ef (36, 58, 60, 71)
D.TUNING wf (58)
DISC SKIP qk (29)
DISPLAY 3 (45, 59)
DYNAMIC BASS wd (61)
ENTER qd (19, 22, 31, 36, 57,
63)
FUNCTION ws (25, 29, 31, 37,
57, 66)
MENU wh (42, 57)
MOVIE/MUSIC qj (32)
MUTING 7 (29)
Number buttons* qg (36, 58, 60,
63)
PICTURE NAVI 6 (37, 60)
PRESET +/– wk es (58)
PROGRESSIVE eg (25)
SLEEP ql (62)
SOUND FIELD qh (33)
SUBTITLE wf (48)
THEATRE SYNC w; (61)
TOP MENU qf (42)
TUNING +/– 0 qs (57)
TV e; (60)
TV CH +/– wa (60)
TV VOL +/– eh (60)
TV/VIDEO 2 (60)
VOLUME +/–* 8 (29, 58, 77)
[/1 (on/standby) 1 (19, 22, 29,
37, 58)
TV [/1 (on/standby) ej (60)
C/X/x/c qd(19, 22, 31, 36, 57,
63)
REPLAY/
ADVANCE 9 (29)
./> es wk (29)
m/M qs 0 (35)
/
SLOW qs 0 (35)
H (play)* ea (29, 37, 64)
STEP 9 (35)
x (stop) wl (30, 37, 63)
X (pause) qa (30)
DISPLAY wj (20, 36, 63, 93)
O RETURN ed (37)
-/-- ef (60)
*The H, number 5, and
VOLUME + buttons have
tactile dots. Use the tactile dots
as references when operating
the system.
ALPHABETICAL ORDER
A – O
P – Z
BUTTON DESCRIPTIONS

Table of Contents

Related product manuals