EasyManua.ls Logo

Sony HCD-DZ110 - Block Diagram - VIDEO Section

Sony HCD-DZ110
88 pages
Print Icon
To Next Page IconTo Next Page
To Next Page IconTo Next Page
To Previous Page IconTo Previous Page
To Previous Page IconTo Previous Page
Loading...
2929
HCD-DZ110/DZ111/DZ120/DZ120K
HCD-DZ110/DZ111/DZ120/DZ120K
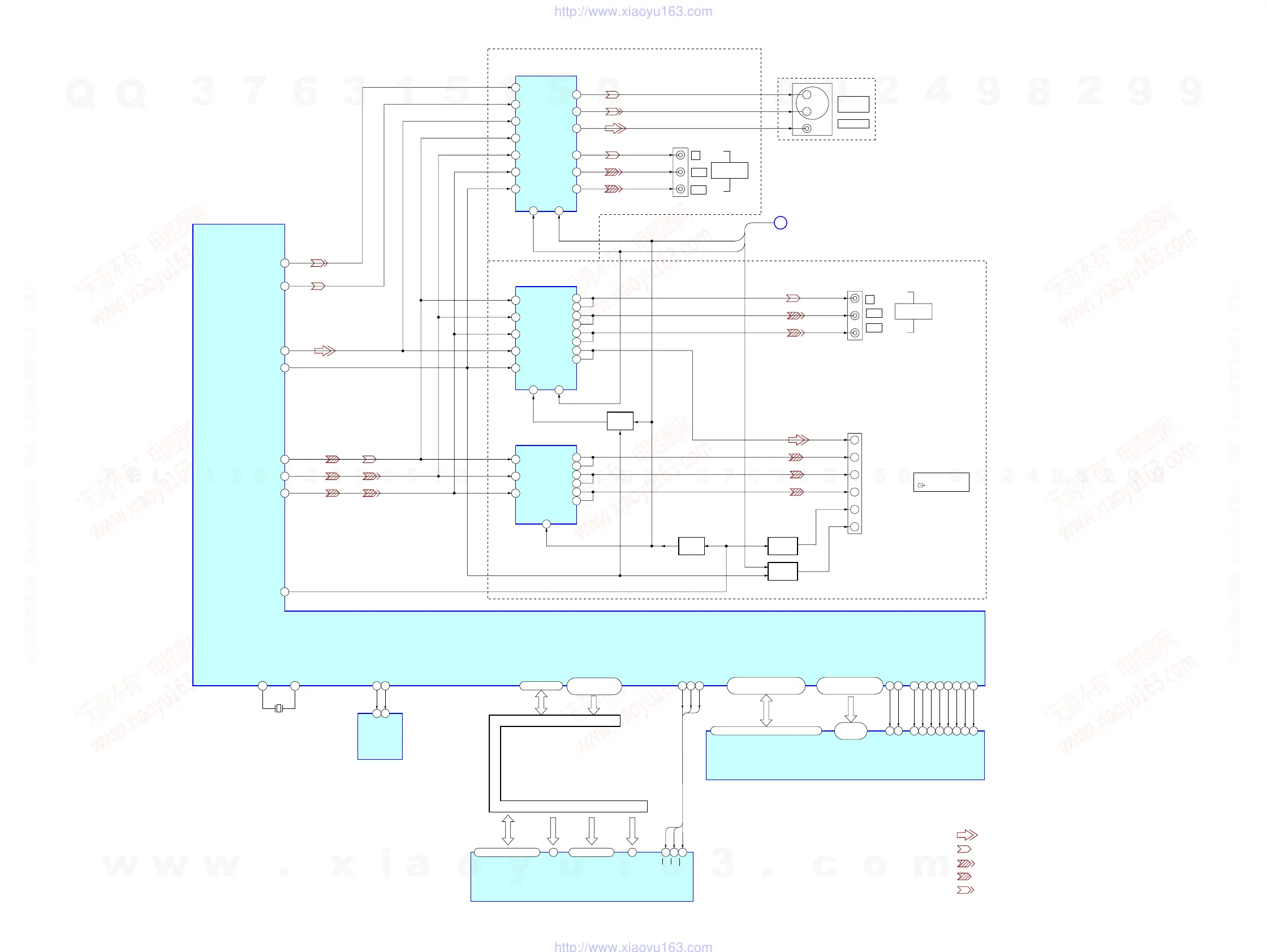
6-4. BLOCK DIAGRAM – VIDEO SECTION –
• Signal Path
: VIDEO
: Y
: COMPONENT VIDEO
: CHROMA
: R, G, B
IC1101(3/3)
DVD SYSTEM PROCESSOR
196
YUV2
203
YUV6
49
WIDE
WIDE
200
YUV4
202
YUV5
IC1103
EEPROM
6 5
SCL
SDA
198
YUV3
194
YUV1
XROMCS
XWR
XRD
IC1102
32M FLASH ROM
125-123, 121, 120, 118,
117, 115, 135, 133-128, 126
146, 147, 149-151,
158-160, 162, 164-166
22-26,
29-35
HIGHA0-7
IOA0-7, IOA18-IOA21
A16, A17
AD0 – AD7
A1-A20
DATA & ADDRESS BUS
DATA & ADDRESS BUS
81-84,86-88,91
53-61, 67-72, 74-76,
78, 89, 92, 93
HD0 – HD7 A0 – A21
HD0 – HD7
A21
A0
2645
CE
WE
28
OE
11
A0 – A19DQ15/A-1
77
IOCS
IOWA
79
IOUE
66
DQ0 – DQ7
RCLK
IC1104
64M SDRAM
38
DRCLK
RD0 – RD15
RA0 – RA11
RA0 – RA11
RD0 – RD15
142
RCS
19
RCS
138
RWE
16
RWE
140
MRAS
18
RAS
139
CAS
17
CAS
MDQM0
15
DQM0
MDQM1
39
DQM1
CLE
37
DRCLE
102
SCL
103
SDA
143
BA0
20
BS0
BA1
21
BS1
29,31,33,35,38,40,42,44 25-16, 9-1, 48
145 156 113 137 157
2,4,5,7,8,10,11,13,42,44,45,47,48,50,51,53
10
NC
XROMCS
XWR
XRD
15
CRIN
11
CYIN
13
CBIN
15
CRIN
11
CYIN
13
CBIN
2
S1
6
CVBSIN
12
CBIN
4
CVBSIN
10
CYIN
2
CIN
6
YIN
25
S1
14
20
21
23
26
16
18
CRIN
2
1
S VIDEO
(DVD ONLY)
J201
J202
COMPONENT
VIDEO OUT
VIDEO
Y
P
B
/C
B
P
R
/C
R
Y
P
B
/C
B
P
R
/C
R
J230
J203
COMPONENT
VIDEO OUT
CVBS OUT
G OUT
B OUT
R/C OUT
BLANKING OUT
FUNCTION SW
DZ110/DZ111
169
RGB
RGB SEL
CY
CB
CR
B
AMP
SECTION
(Page 27)
DZ120/DZ120K
DZ120K
IC230
VIDEO AMP, 75 DRIVE
23
CYOUTB
24
CYOUTA
21
CBOUTA
18
CROUTA
20
CBOUTB
17
CROUTB
14
MUTE2
IC201
VIDEO AMP, 75 DRIVE
23
CYOUTB
CYOUTA
24
V SEL0
V SEL1
DVD SEL
21
CBOUTA
18
CROUTA
20
CBOUTB
17
CROUTB
29
VOUTB
30
VOUTA
14
MUTE2
5
MUTE1
IC201
VIDEO AMP, 75 DRIVE
YOUT
COUT
CVBSOUT
Y
C
V
CbOUT
CYOUT
CrOUT
3 13
Q277
MUTE
Q279
MUTE
Q271-273
BLANKING
Q274-276
SWITCH
19
11
7
15
16
8
EURO AV
OUT PUT(TO TV)
228
229
X1102
27MHz
w
w
w
.
x
i
a
o
y
u
1
6
3
.
c
o
m
Q
Q
3
7
6
3
1
5
1
5
0
9
9
2
8
9
4
2
9
8
T
E
L
1
3
9
4
2
2
9
6
5
1
3
9
9
2
8
9
4
2
9
8
0
5
1
5
1
3
6
7
3
Q
Q
TEL 13942296513 QQ 376315150 892498299
TEL 13942296513 QQ 376315150 892498299
http://www.xiaoyu163.com
http://www.xiaoyu163.com

Table of Contents

Other manuals for Sony HCD-DZ110

Related product manuals