EasyManua.ls Logo

Sony HCD-DZ151KB - Page 96

Sony HCD-DZ151KB
110 pages
Print Icon
To Next Page IconTo Next Page
To Next Page IconTo Next Page
To Previous Page IconTo Previous Page
To Previous Page IconTo Previous Page
Loading...
1212
HCD-DZ150K/DZ151KB
HCD-DZ150K/DZ151KB
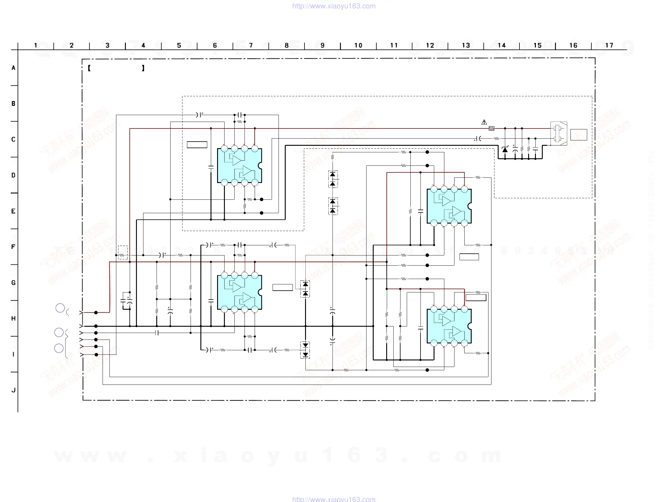
SCHEMATIC DIAGRAM – MAIN BOARD (8/9) –
38
MAIN BOARD
(4/9) (SUPPLEMENT-1 : Page 8)
(5/9)
(SUPPLEMENT-1 : Page 9)
(7/9)
(SUPPLEMENT-1 : Page 11)
20
MAIN BOARD
(2/9)
(SUPPLEMENT-1 : Page 6)
24
MAIN BOARD
(1/9)
(SUPPLEMENT-1 : Page 5)
6
6
6
0
0
0
12
12
6
6
12
0
0
0
6.2
0
0
12
0
0
0.5
D-LIGHT
SYNC OUT
MAIN BOARD
(8/9)
IC452
IC451
IC454
IC453
No mark:DVD STOP
47
16V
C451
47
16V
C452
1
50V
C454
KR,TW
RU,E3,
EA,AUS
C455
100k
R454
0
R458
0.01
C453
1k
R461
47
16V
C459
2.2
50V
C460
2.2k
R462
2.2
50V
C461
2.2k
R463
47
16V
47
16V
C462
8765
4321
NJM2903M-TE2
IC452
8765
4321
NJM2903M-TE2
IC453
22k
R465
0.1
C463
0.1
C464
56k
R466
22k
R470
2.2k
R471
4.7k
R473
4.7k
R474
0.1
C465
4.7k
R476
4.7k
R477
4.7k
R479
0
R480
0
R481
0
R482
470
R491
47
16V
100k
R488
8765
321
NJM4558M-TE2
IC454
INV AMP
SCORE DET
AMP
SCORE DET
10
50V
C469
0.1
C467
C466
100p
C471
182004811
CN451
3
MUSIC
4
D+4V
21
5
UDZSTE-173.9B
D460
47
16V
C470
1k
R455
4.7k
R451
4.7k
R452
CL451
CL452
CL453
CL454
CL455
CL456
CL457
CL458
CL459
CL460
CL461
CL462
CL463
CL464
A12V
MUSICL+R
AR,E12,E32,MX,SP
A-GND
MIC1+2
XVOICE
SCORE
0.1
C450
220
R489
100k
R493
100k
R453
56k
R490
R492
15k
330k
R460
1k
R467
10k
R469
22
25V
C457
470k
R456
1k
R457
8765
4321
NJM4565M(TE2)
IC451
100p
C456
100p
C458
4700p
C468
0
R484
100
R487
0
R494
0
R483
MC2837
D451
MC2837
D453
MC2837
D455
MC2837
D456
MUSIC L+R
MIC 1+2
5.9
6
6
12
5.9
6
6
-
+
+
-
-
+
+
-
-
+
+
-
+
+
-
4
w
w
w
.
x
i
a
o
y
u
1
6
3
.
c
o
m
Q
Q
3
7
6
3
1
5
1
5
0
9
9
2
8
9
4
2
9
8
T
E
L
1
3
9
4
2
2
9
6
5
1
3
9
9
2
8
9
4
2
9
8
0
5
1
5
1
3
6
7
3
Q
Q
TEL 13942296513 QQ 376315150 892498299
TEL 13942296513 QQ 376315150 892498299
http://www.xiaoyu163.com
http://www.xiaoyu163.com

Table of Contents