EasyManua.ls Logo

Sony HCD-DZ151KB - Page 97

Sony HCD-DZ151KB
110 pages
Print Icon
To Next Page IconTo Next Page
To Next Page IconTo Next Page
To Previous Page IconTo Previous Page
To Previous Page IconTo Previous Page
Loading...
1313
HCD-DZ150K/DZ151KB
HCD-DZ150K/DZ151KB
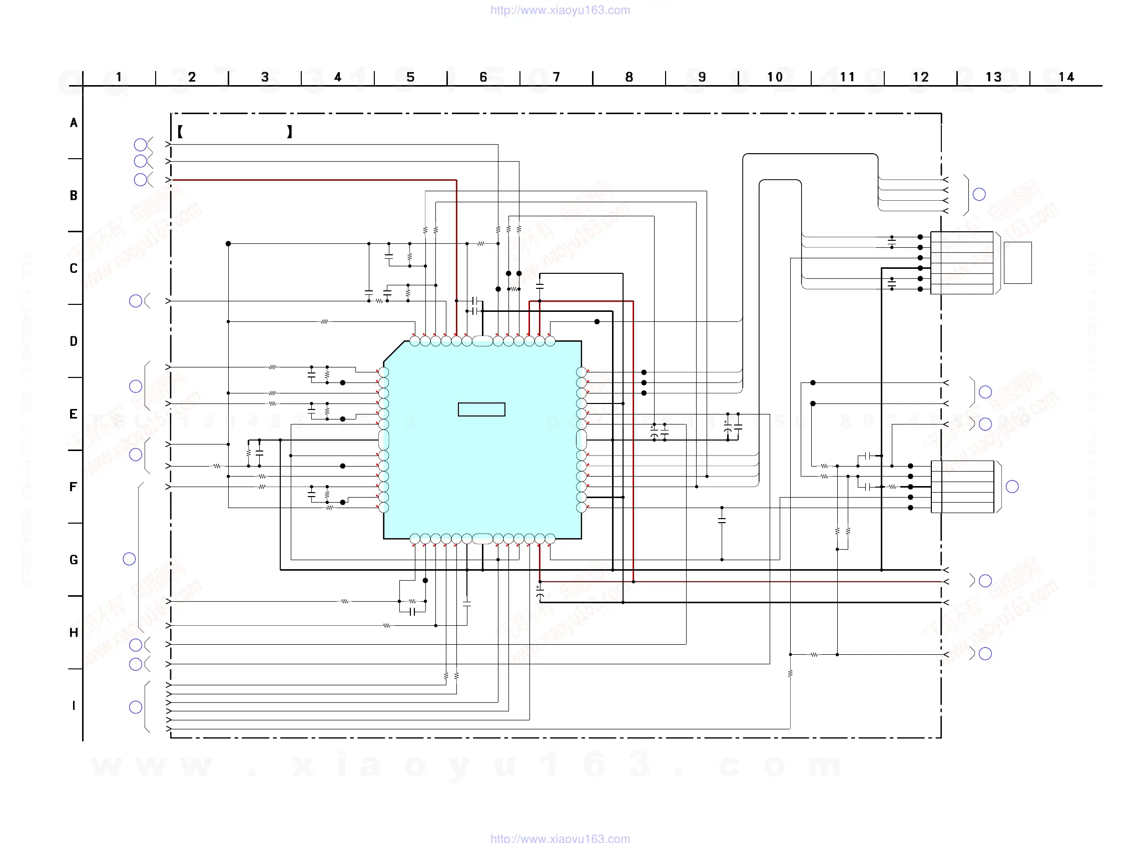
SCHEMATIC DIAGRAM – MAIN BOARD (9/9) –
12
MAIN BOARD
(1/9)
(SUPPLEMENT-1 : Page 5)
MAIN BOARD
(1/9)
(SUPPLEMENT-1 : Page 5)
13
18
MAIN BOARD
(1/9)
(SUPPLEMENT-1 : Page 5)
(4/9)
(SUPPLEMENT-1 : Page 8)
14
MAIN BOARD
(1/9)
(SUPPLEMENT-1 : Page 5)
17
MAIN BOARD
(1/9)
(SUPPLEMENT-1 : Page 5)
MAIN BOARD
(1/9)
(SUPPLEMENT-1 : Page 5)
MAIN BOARD
(1/9)
(SUPPLEMENT-1 : Page 5)
MAIN BOARD
(1/9)
(SUPPLEMENT-1 : Page 5)
MAIN BOARD
(1/9)
(SUPPLEMENT-1 : Page 5)
MAIN BOARD
(1/9)
(SUPPLEMENT-1 : Page 5)
9
25
10
11
16
40
MAIN BOARD
(1/9) (SUPPLEMENT-1 : Page 5)
(2/9) (SUPPLEMENT-1 : Page 6)
(4/9) (SUPPLEMENT-1 : Page 8)
27
MS-203
BOARD
CN001
(Page 49)
R
42
MAIN BOARD
(1/9)
(SUPPLEMENT-1 : Page 5)
MAIN BOARD
(4/9)
(SUPPLEMENT-1 : Page 8)
MAIN BOARD
(4/9)
(SUPPLEMENT-1 : Page 8)
15
MAIN BOARD
(1/9)
(SUPPLEMENT-1 : Page 5)
43
1.4
1.41.4
4.3
4.1
4.3
4.3
1.2
2.7
4.3
4.2
4.2
4.2
2.4
1.8
2.4
5
1.4
9
4.3
3.3
3.3
2.6
9
1.7
1.4
1.7
3.2
3.3
1.4
1.4
3.3
3.1
1.4
1.4
1.4
0
3.3
3.3
9
4.3
3.3
3.3
3.3
2.4
No mark:DVD STOP
0.01
C1212
100k
R1223
4.7k
R1239
16V
47
C1217
33k
R1208
220p
C1205
56k
R1221
15k
R1231
27k
R1219
50V
10
C1218
100
R1243
1.2k
R1204
0.033
C1211
0.01
C1203
0.001
C1226
12k
R1216
0.01
C1219
1
2
3
4
5
6
6P
CN1201
SP-
SP+
LIMIT
(GND)LIMIT
SL-
SL+
15k
R1214
56k
R1226
0.01
C1213
0.01
C1210
1k
R1237
0.0047
C1233
50V
10
C1220
33k
R1209
10k
R1205
10k
R1206
0
R1228
18k
R1232
0.001
C1225
82k
R1230
0
R1227
100k
R1225
0.033
C1209
0.1
C1223
1k
R1236
10k
R1224
0.01
C1208
1k
R1247
47k
R1210
33k
R1222
10k
R1234
0.01
C1224
10k
R1212
4.7k
R1238
6.8k
R1213
12k
R1215
1k
R1220
220p
C1206
0.01
C1215
0.001
C1214
2.7k
R1207
JL1206
JL1205
JL1203
JL1204
JL1202
JL1201
1
2
3
4
5
6
7
8
9
10
11
12
13 14 15 16 17 18 19 20 21 22 23 24
25
26
27
28
29
30
31
32
33
34
35
36
373839404142434445464748
FIN
FIN
FIN
FIN
IC1201
FAN8036L
JL1207
JL1208
JL1209
JL1210
JL1211
JL1212
JL1213
CL1213
SPFG
SW+5V
TRO
VREFO
CKSW
FMO
SW+3.3V
IOP
OCSW
DMO
IOPMON
OCSW1
TROPENPWM
FCS-
D-GND
FWD
FCS+
REV
TRK+
MUTE123
FOO
TRK-
RF+3.3V
MUTE
REG01
TSD_M
REG02
SW+9V
M-GND
0.1
C1222
CL1201
CL1202
CL1203
CL1204
CL1205
CL1206
CL1207
CL1208
CL1209
CL1210
CL1211
CL1212
0.1
C1221
1
2
3
4
5
CN1202
5P
LDM+
LDM-
GND
CKSW1
OCSW1
33k
R1233
FCS-
FCS-
FCS+
TRK+
TRK-
FCS+
TRK+
TRK-
SL+
SP-
SP+
SP-
SP+
SL-
SL+
LIMITSW
SL-
4.7k
R1246
MAIN BOARD (9/9)
IC1201
FOCUS/TRACKING DRIVER
SPINDLE,SLED MOTOR DRIVER
SPINDLE
MOTOR
SLED
MOTOR
w
w
w
.
x
i
a
o
y
u
1
6
3
.
c
o
m
Q
Q
3
7
6
3
1
5
1
5
0
9
9
2
8
9
4
2
9
8
T
E
L
1
3
9
4
2
2
9
6
5
1
3
9
9
2
8
9
4
2
9
8
0
5
1
5
1
3
6
7
3
Q
Q
TEL 13942296513 QQ 376315150 892498299
TEL 13942296513 QQ 376315150 892498299
http://www.xiaoyu163.com
http://www.xiaoyu163.com

Table of Contents