EasyManua.ls Logo

Sony HCD-EC70 - Block Diagram - MAIN Section

Sony HCD-EC70
62 pages
Print Icon
To Next Page IconTo Next Page
To Next Page IconTo Next Page
To Previous Page IconTo Previous Page
To Previous Page IconTo Previous Page
Loading...
2424
HCD-EC70
HCD-EC70
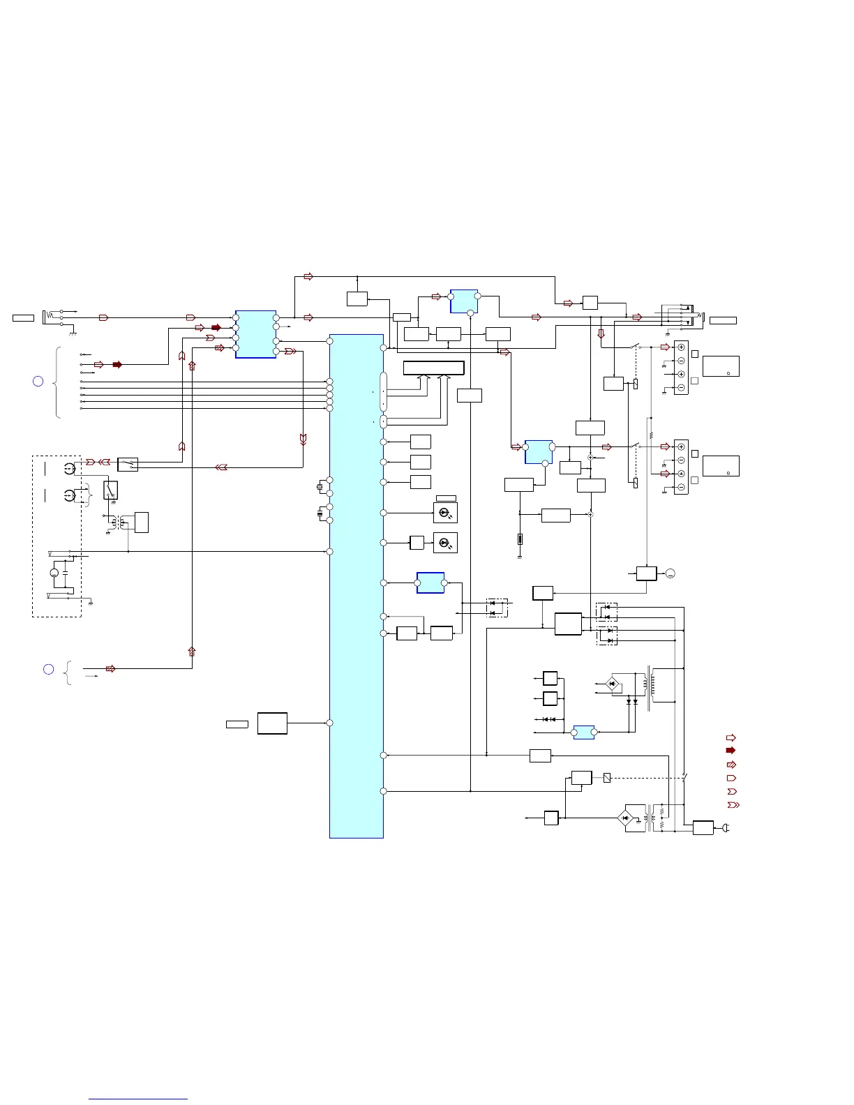
6-3. BLOCK DIAGRAM — MAIN SECTION —
: TUNER(FM)
: TUNER(AM)
: CD
• Signal Path
: AUX
: PB (TAPE)
: REC (TAPE)
• R-CH is omitted due to same as L-CH.
BIAS
OSC
Q507
REC/PB
HEAD
BLOCK
TAPE MECHANISM DECK
V2/P82
V1/P81
V0/P80
SYSTEM CONTROLLER
IC701(2/2)
P57/SI1
VOLUME
VOLUME
AUDIO IN
J105
FUCTION
KEY
REMOTE
CONTROL
RECEIVER
IC703
SW702-704,
SW706,709,710,719,721
SW711-716,
SW708,720
SW701,705
L-CH
R-CH
R-CH
TU-DO
TU-DI
TU-CLK
TU-ANSD
TU-CE
R-CH
P63/AN3
39
55
56
57
33
L501
SW501(1/2)
(REC/PB)
(REC/PB)
SW501(2/2)
BIAS OSC
P64/AN4
40
X1A
14
X0A
13
X701
32.768kHz
X0
93
X1
92
X702
4.19MHz
9
P34/IC0
FUCTION
KEY
FUCTION
KEY
38
41
31
RESET
SWITCH
Q704
54
RSTX
RESET
Q705,706
42
D051,052
RELAY
DRIVE
AC
IN
Q102
RY001
37
P61/AN1
P62/AN2
P65/AN5/INT0
P71/AN9/SC1
P66/AN6/INT1
+9V
PB/REC EQ AMP
IC401
R-CH
A1
19 18
OUT 1
16
OUT 2
B1
21
PB1P
2
C1
23
13
SD
28
REC 10
R-CH
R-CH
L-CH
P27
48
POWER
AMP
(HIGH)
SEG0
SEG31
59
62
COM0
COM3
LIQUID CRYSTAL
DISPLAY
LCD702
Q135
Q301
Q367
Q366
Q131,137
µCON +B
+3.6V
36
P60/ANO
P73/AN11/SI2
LINE
FILTER
L001
+9V
VM9V
4,5
11
IC301
2
P25
D702
+9V
REG
IC101
+VP
-VP
1
3
D101
Q151-154
D111,113
+3.3V
REG
Q191
Q192
AVDD
( +3.3V)
DVDD
( +3.3V)
+3.3V
REG
D156
D154
+9V
POWER
MONITOR
Q121,122
+3.6V
REG
Q701-703
1
P24
+3.6V
67
63
64
89
94
100
.
.
.
17
P40/LED0
46
SW700
LED702
LED
DRIVE
Q707
LED701
(BACK RIGHT)
STANDBY
J102
PHONES
R-CH
R-CH
L
R
R-CH
J101
L
R
R-CH
CD-R
CD-L
A
BD/DRIVER
SECTION
(Page 22)
P-SW
M-SW
+7V
PT001
POWER
(MAIN)
TRANSFORMER
PT002
POWER
(SUB)
TRANSFORMER
4
HP
AMP
RELAY
CONTROL
OVERLOAD
AMP
PROTECT
THERMAL
DET
PROTECT
DET
Q203,207
Q201
OVERLOAD
DET
THERMAL
DETECTION
DET
M
+9V
FAN
CONTROL
Q901,902
CURRENT
DET
Q921
M901
FAN MOTOR
M
HP MUTE
HIGH MUTE
CONTROL
Q133,134,141
FILTER
Q303
AMP
CONTROL
Q361
LOW MUTE
CONTROL
Q251
MUTE
Q305,306
13
POWER
AMP
(LOW)
3
IC201
2
12,13
SPEAKER
HIGH FREQ.
IMPEDANCE:
USE 8
J201
SPEAKER
LOW FREQ.
IMPEDANCE:
USE 8
TUNER
SECTION
(Page 23)
B
RY131
RY201
TH361

Related product manuals