EasyManua.ls Logo

Sony HCD-EC70 - Schematic Diagram - AMP Section

Sony HCD-EC70
62 pages
Print Icon
To Next Page IconTo Next Page
To Next Page IconTo Next Page
To Previous Page IconTo Previous Page
To Previous Page IconTo Previous Page
Loading...
3636
HCD-EC70
HCD-EC70
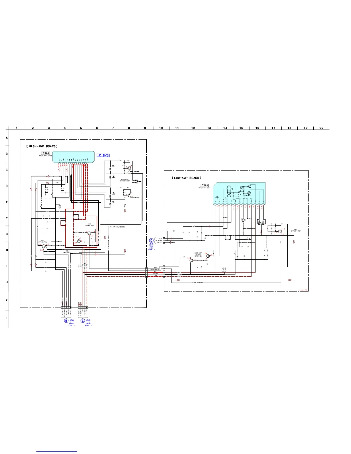
6-15. SCHEMATIC DIAGRAM — AMP SECTION —
31
31
4/5
4/5
32
R370
R374
R375
R373
R385
R386
R203
R210
R211
C206
R202
R208
R205
R247
R246
R248
R256 R257
C308 C307
C204
R204
R220
C216
R232
R238
R252
JW221
JR201
C208
C205
R253
R254
C224
C202
WH301
WH302
C365
C364
IC201
C223
R214R215
R213 R218
R217
R235
R212
R225
R227
R226
D208
R207
C207
C212
C213
C209
R209
Q201
R230
R231
C217
D207
R233
IC301
D
2
0
1
Q366
Q367
R343
R344
R339
R340
C361
R359
R353
R361
R327
Q361
R365
C358
R396R368
R367 R395
C357
C309
R309
R307
R315
R313
C311
C310
R310
R308
R314
C360
EP301
C362
C363
R376
R371
R372 R377
JW303
C306
R311
R312
C
3
0
5
T
H
3
6
1
R316
C312
R324
R322
R323
R321
R358
R338
R330 R334
R342
Q302
D361
R341
Q301
R349
R337
R329 R331
C319
C320
WH303
CNP201
CNP202
CLP202
Q203
Q207
R362
R387
10k
100k
10k
2.2k
470k
1k
1
50
1
50
1k
0.22
3W
0.22
3W
100
25V
47k
4.7k
1/4W
4.7k
1/4W
4.7k
1/4W
4.7k
1/4W
4.7k
1/4W
100 47k
22
50V
47k
1k
0.22
50V
22k
220
JR
JW
0
220p
10p
0
0
0.0047
220p
5P
5P
0.01
0.01
STK404-130S
0.047
10k10k
220 4.7k
10k
2.2k
10
10
10
10
MC2838-
T112-1
4.7k
1/4W
47
50V
0.1
50V
0.1
50V
100
100V
220
2SA2026
22k
4.7k
10
50V
MC2838-
T112-1
22k
STK403-090-S
U
D
Z
S
-T
S
1
7
-1
2
B
2SA2026
2SC5625
22k
22k
1k
1k
100 50
0
22k
22k
02SC3052F-
T1-LF
4.7k
0.0047
047k
47k 0
0.0047
4.7
50V
1k
220
JR
47k
10p
50V
4.7
50V
1k
220
47k
0.1
EARTH TERMINAL
10
100V
10
100V
220
220
220 220
JW
470p
100
100
4
7
0
p
T
H
E
R
M
IS
T
O
R
0
10p
50V
0.22
2W
0.22
2W
0.22
2W
0.22
2W
10k
22k
220 10k
2.2k
2SA2026
MC2838-
T112-1
2.2k
2SA2026
10k
22k
220 10k
0.0047
0.0047
5P
6P
3P
C CLIP
40MM
2SC3052
F-T1-LF
2SC3052
F-T1-LF
10k
1k
See page 40 for IC Block Diagram.

Related product manuals