EasyManua.ls Logo

Sony HCD-EC70 - Printed Wiring Board - PT-AC Board; Schematic Diagram - PT-AC Board

Sony HCD-EC70
62 pages
Print Icon
To Next Page IconTo Next Page
To Next Page IconTo Next Page
To Previous Page IconTo Previous Page
To Previous Page IconTo Previous Page
Loading...
3737
HCD-EC70
HCD-EC70
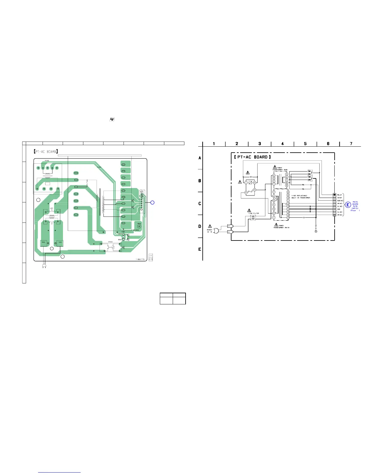
6-16. PRINTED WIRING BOARD — PT-AC BOARD —
See page 21 for Circuit Boards Location.
:Uses unleaded solder.
6-17. SCHEMATIC DIAGRAM — PT-AC BOARD —
32
T002
T001
R052
C053
W052
C052
PT001
RY001
C051
C054
C055
PT002
WH151
L001
D052
D051
R051
1P TERMINAL
1P TERMINAL
4.7k
0.1
50V
WIRE-EARTH
GND
0.1 25V
AC POWER
RELAY
0.1
50V
0.47 25 V
0.47 25 V
8P
MC2836-T112-1
MC2836-T112-1
4.7k
POWER TRANSFORMER (SUB)
POWER TRANSFORMER (MAIN)
1
8
NOT REPLACEABLE
BULT IN TRANSFORMER
AC IN
*
*
E
MAIN BOARD
CNP151
(Page 27)
1
A
B
C
D
E
F
G
2 3 4 5 6 7 8
Semiconductor
Location
Ref. No.
Location
D051 E-5
D052 E-5

Related product manuals