EasyManua.ls Logo

Sony HCD-EP303 - Page 19

Sony HCD-EP303
44 pages
Print Icon
To Next Page IconTo Next Page
To Next Page IconTo Next Page
To Previous Page IconTo Previous Page
To Previous Page IconTo Previous Page
Loading...
1919
HCD-EP303
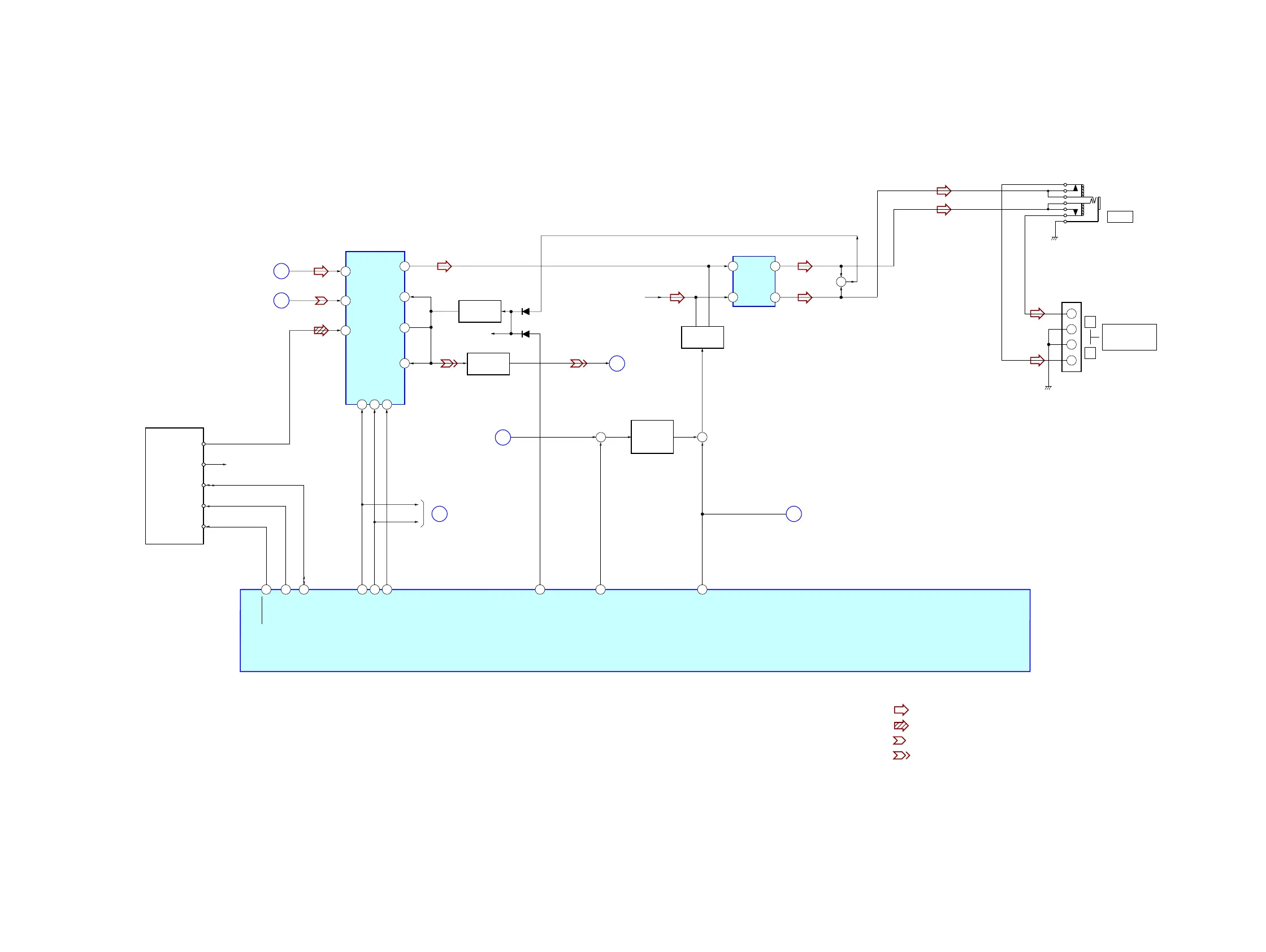
AMP Section
• Signal Path
• R-ch is omitted due to same as L-ch.
: FM
: CD
: PB(TAPE)
: REC(TAPE)
IC203
FUNCTION SELECT SWITCH,
ELECTRONIC VOLUME
Q301,302
MUTING
Q314
MUTING
CONTROL
SWITCH
Q201
REC AMP
Q206
MEGA BASS
R-CH
R-CH
R-CH
RL
LTCOM
LTOUT
LVRIN
LVROUT
L3
CD
CD L
CD L
CD R
CDDAT
CDCLK
CDRS
TUNER
L-CH
PL
L4
TUNER
L2
TAPE
DI
CE
4652
BASS BOOST
MUTE
MUTE
1
10
9
11
15 16
2
12
11 5
3
3
4
40
DATA
34
CD-RESET
42
CD CLOCK
61
CD DATA
D332
D333
+
+
+
+
+
SPEAKER
(IMPEDANCE
USE 4)
L
R
PHONES
SPK301
JK401
IC601 (2/3)
SYSTEM CONTROLLER
D
A
B
C
CL
14
39
CLOCK
48
CE
TAPE
SECTION
TUNER
SECTION
TAPE
SECTION
TAPE
SECTION
H
DISPLAY
SECTION
G
DISPLAY
SECTION
CD BLOCK
30
TAPE
COTR
DATA
CLOCK
IC301
POWER AMP

Related product manuals