EasyManua.ls Logo

Sony HCD-EP303 - Schematic Diagram POWER Section

Sony HCD-EP303
44 pages
Print Icon
To Next Page IconTo Next Page
To Next Page IconTo Next Page
To Previous Page IconTo Previous Page
To Previous Page IconTo Previous Page
Loading...
2828
HCD-EP303
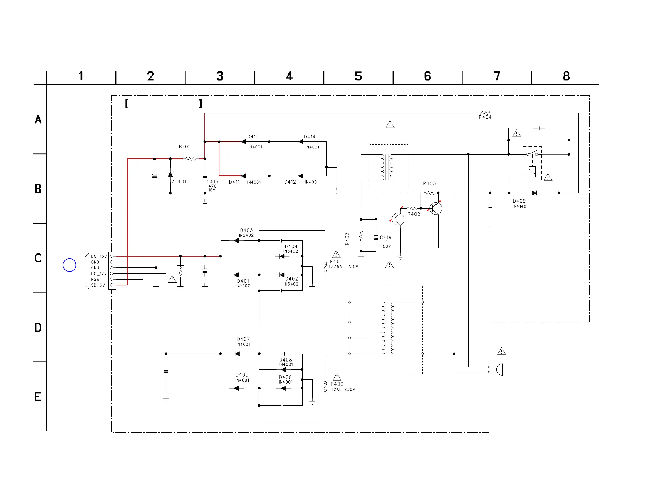
6-11. Schematic Diagram POWER Section
0.6
0
0.8
1.6
No mark:FM
MAIN BOARD
(2/2)
E
CN402
6P
C407
100
25V
C405
100
25V
C401
100
10V
R406
390
3W
+
C404 0.01u
C402 0.01u
C408 0.01u
C406 0.01u
TR401
POWER
TRANSFORMER
MTZJ-6.8B
++
+
Q401, 402
POWER ON/OFF
RELAY DRIVE
Q402
2SA733
C411
0.1
Q401
2SC3330
TR402
POWER
TRANSFORMER
2.2k
C410 680p 250V
82 1/4W :EXCEPT US CND, MX
10 1/4W :US CND, MX
120V :EXCEPT US,CND,MX
250V :US,CND,MX
RL401
AC IN
POWER BOARD
3.15A 125V
(EXCEPT US,CND,MX)
(US, CND,MX)
2A 125V (US, CND,MX)
(EXCEPT US,CND,MX)
2.2k
(Page 23)
510 : EXCEPT US,CND,MX
180 : US,CND,MX
100k : EXCEPT US,CND,MX
180k : US,CND,MX

Related product manuals