EasyManua.ls Logo

Sony HCD-EX99 - Schematic Diagram: AMP SMPS Section (1;2) (EX88)

Sony HCD-EX99
74 pages
Print Icon
To Next Page IconTo Next Page
To Next Page IconTo Next Page
To Previous Page IconTo Previous Page
To Previous Page IconTo Previous Page
Loading...
HCD-EX66/EX88/EX99
HCD-EX66/EX88/EX99
3535
D
A
I
11
G
C
72 14
H
1064
B
131 985
F
E
3 12
EFX-MODULE
BOARD
CN802
J
EFX-MODULE
BOARD
CN801
I
BOARD
K
CN803
EFX-MODULE
AMP SMPS
(2/2)
2
BOARD
CN307
CN700
(2/3)
REGULATOR
PANEL
O
D
BOARD
BOARD
1
BOARD
(2/2)
AMP SMPS
IC B/D
IC B/D
(HCD-EX88)
(EX88)
(EX88)
(EX88)
(EX88)
(EX88)
(EX88)
(EX88)
(1/2)AMP SMPS BOARD
16.4
016.4
16.4
016.4
16.4
016.4
16.4
016.4
36.2
36.3
00
2.8
3.4
3.7
1.8
IC603
11.9
0
0
2.8
1.1
12
13.3
11.9
IC602
0
0
6.3
7.1
6.36.3
6.3
6.3
IC601IC600
12
6.3
7.2
7.26.3
7.2
6
12
47
10uH
L605
10uH
L604
10uH
L603
10uH
L602
63V
1
C639
63V
1
C641
63V
1
C640
63V
1
C638
2200p
C643
2200p
C642
3.3
R629 R633
3.3
R634
3.3
2200p
C644
2200p
C645
3.3
R630
2200p
C646
2200p
C647
3.3
R631 R635
3.3
3.3
R632
2200p
C648
R636
3.3
2200p
C649
R612
22k
R617
2.2k
R610
100k
5W
R616
0.05
R620
2.2k
50V
C610
0.22
4.7k
R619
0.5%
2.2k
R621
2.2k
R613
15k
R602
2.2k
R611
NJM4558V-TE2
IC601
PRE AMP
VSS
VCC
4.7k
R615
8765
4321
8765
4321
NJM4558V-TE2
IC600
PRE AMP
VSS
VCC
4.7k
R614
47k
R608
0.5%
2.2k
R622
47k
R604
15k
R606
C607
47p
4.7k
R618
0.1
C609
0.1
C614
CL621
CL620
CL619
CL618
CL617
CL616
CL615
CL614
CL613
CL612
JL603
JL602
15k
R601
47k
R603
15k
R607
47k
R609
C608
47p
50V
2200
C625
2SC4154TP-1EF
Q600
OVER CURRENT DETECT
Q601
OVER CURRENT DETECT
ISA1602AM1-T111-1EF
16V
100
C613
10V
100
C612
JL600
JL601
1000p
C662
1000p
C663
1000p
C664
1000p
C665
CL623
CL600
0.6uH
L606
0.6uH
L608
0.022
C650
0.022
C651
0.022
C652
0.022
C653
0.022
C654
0.022
C655
0.022
C656
0.022
C657
220k
R645
Q604
OVERLOAD DETECT
ISA1602AM1-T111-1EF
220k
R642
Q605
ISA1602AM1-T111-1EF
Q607
ISA1602AM1-T111-1EF
Q606
ISA1602AM1-T111-1EF
100k
R640
22k
R637
50V
1
C658
47k
R639
MC2840-T112-1
D601
22k
R638
50V
10
C659
CL622
1kR600
0.01
C600
2SC4154TP-1EF
Q603
POWER CONTROL
16V
47
C624
0.5%
10k
R627
22k
R624
RT1N141M-TP-1
Q602
POWER CONTROL
470k
R623
0.5%
100k
R626
V2_13.4V
PVDD_36V
V2_GND
PVDD_GND
MAIN_ON
10k
R625
1000p
C677
47k
R670
5
4
3
2
1
PST3629NR
IC603
VOLTAGE DETECT
OUT
VDD
GND NC
CD
0.01
C676
E
ET600
(CHASSIS)
50V
470
C626
50V
470
C627
50V
470
C628
50V
470
C629
16V
100
C619
1
2
3
4
5
6
7
8
9
10
11
12
12P
CN605
GVDD
INPUT-A
GND
INPUT-B
INPUT-C
INPUT-D
/RESET
CLK_SEL
/SD
/OTW1
/OTW2
/CLIP
18k
R671
1
2
3
4
5
6
1
2
3
4
5
6
6P
CN604
OUT-A
PVDD-A
GND
OUT-B
PVDD-B
GND
6P
CN603
GND
PVDD-C
OUT-C
GND
PVDD-D
OUT
-D
1.5k
R672
1.5k
R674
1.5k
R673
1.5k
R675
CL624
CL626
CL627
CL628
CL629
CL630
CL631
CL632
CL633
CL634
CL635
CL636
CL637
CL638
CL639
CL640
CL641
CL642
CL643
CL644
CL645
CL646
CL647
CL648
CL649
CL650
CL625
2SC4154TP-1EF
Q608
FAN SPEED CONTROL
10k
R699
47k
R651
1
2
3
4
5
6
7
8
9
10
11
12
13
14
15
16
1
2
3
4
5
6
7
8
9
10
11
12
13
14
15
16
17
18
19
20
21
CN600
21P
A-GND
R-OUT
A-GND
L-OUT
AMP-RST
FAN LOW SPEED
V2-MONI
PROTECT-S
PROTECT-F
MAIN-ON
SUB-ON
VBUS-ON
VBUS-OCP
VBUS-GND
VBUS+5V
E-GND
E+4V
M-GND
M+7V
VCC-GND
VCC+9V
CL602
CL601
1234
6
5
SI-3010KM-TLS
IC602
+12V REG
VCONT
VIN
GND
VOUT
VADJ
GND
10k
R628
0.5%
CL651
CL652
CL653
CL654
C660
47
C661
220k
R643
220k
R644
220k
R646
220k
R641
0.5%
22k
R663
0.6uH
L609
0.6uH
L607
GND1
0.18
C604
0.18
C605
1000p
C620
TB600
4P
1
2
3
4
16P
CN601
V2
GND
9V
GND
VBUS+5V
GND
M+7V
GND
E+4V
GND
SUB_ON
VBUS_ON
VBUS_OCP
DC or FAN DET
FAN_DET_CTRL
DC_DET
1C666
1C667
1C668
1C669
Q604-607
-
+
-
+
L
R
,03('$1&(86(ȍ
SPEAKERS
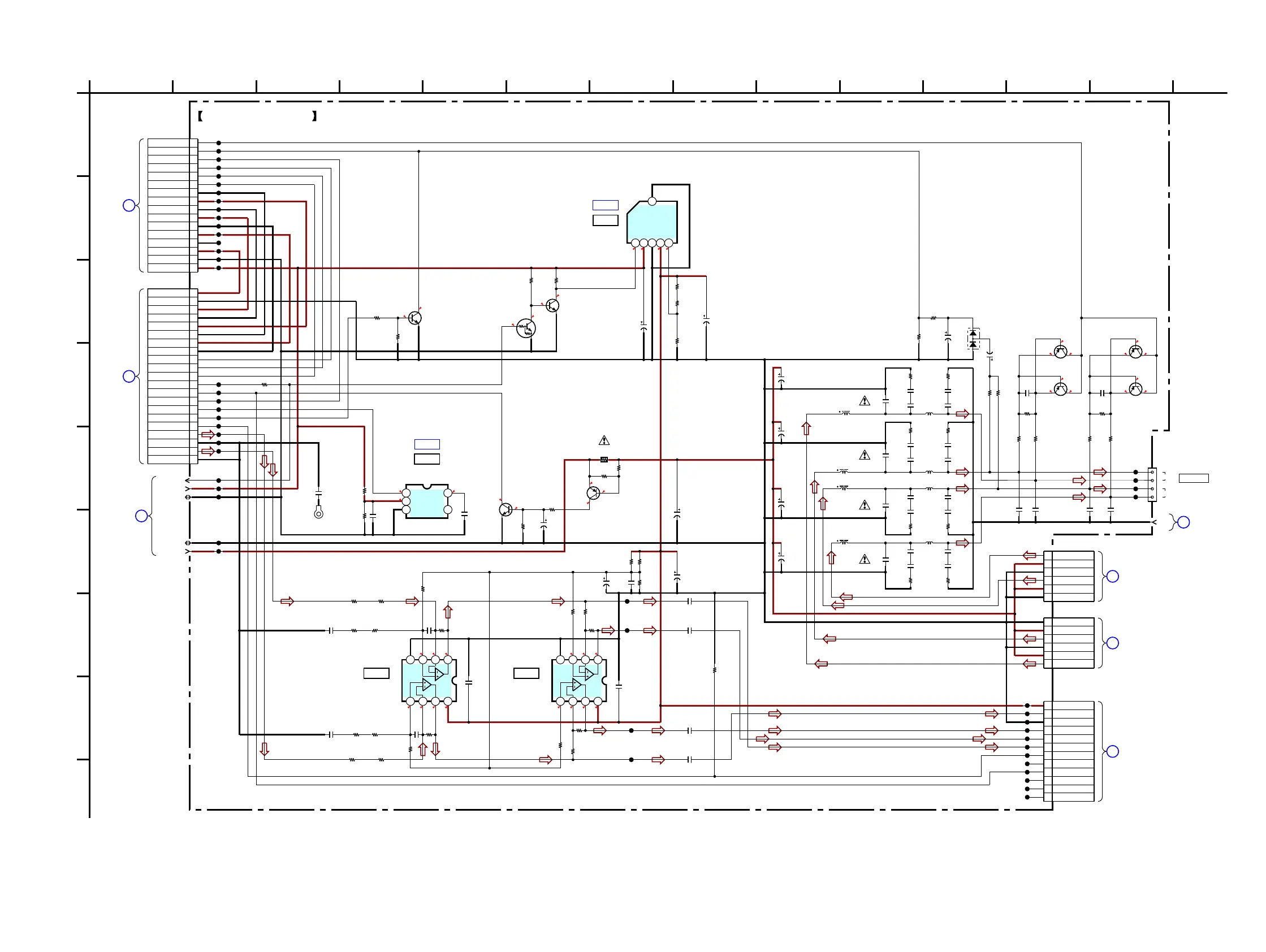
5-19. SCHEMATIC DIAGRAM – AMP SMPS Section (1/2) (HCD-EX88) –
• See page 44 for IC Block Diagrams.
(Page 38)
(Page 26)
(Page 36)
(Page 36)
(Page 30)
(Page 30)
(Page 30)

Table of Contents

Related product manuals