EasyManua.ls Logo

Sony HCD-HX3 - Block Diagram - PANEL;POWER SUPPLY Section

Sony HCD-HX3
90 pages
Print Icon
To Next Page IconTo Next Page
To Next Page IconTo Next Page
To Previous Page IconTo Previous Page
To Previous Page IconTo Previous Page
Loading...
HCD-HX3/HX5/HX7
2222
HCD-HX3/HX5/HX7
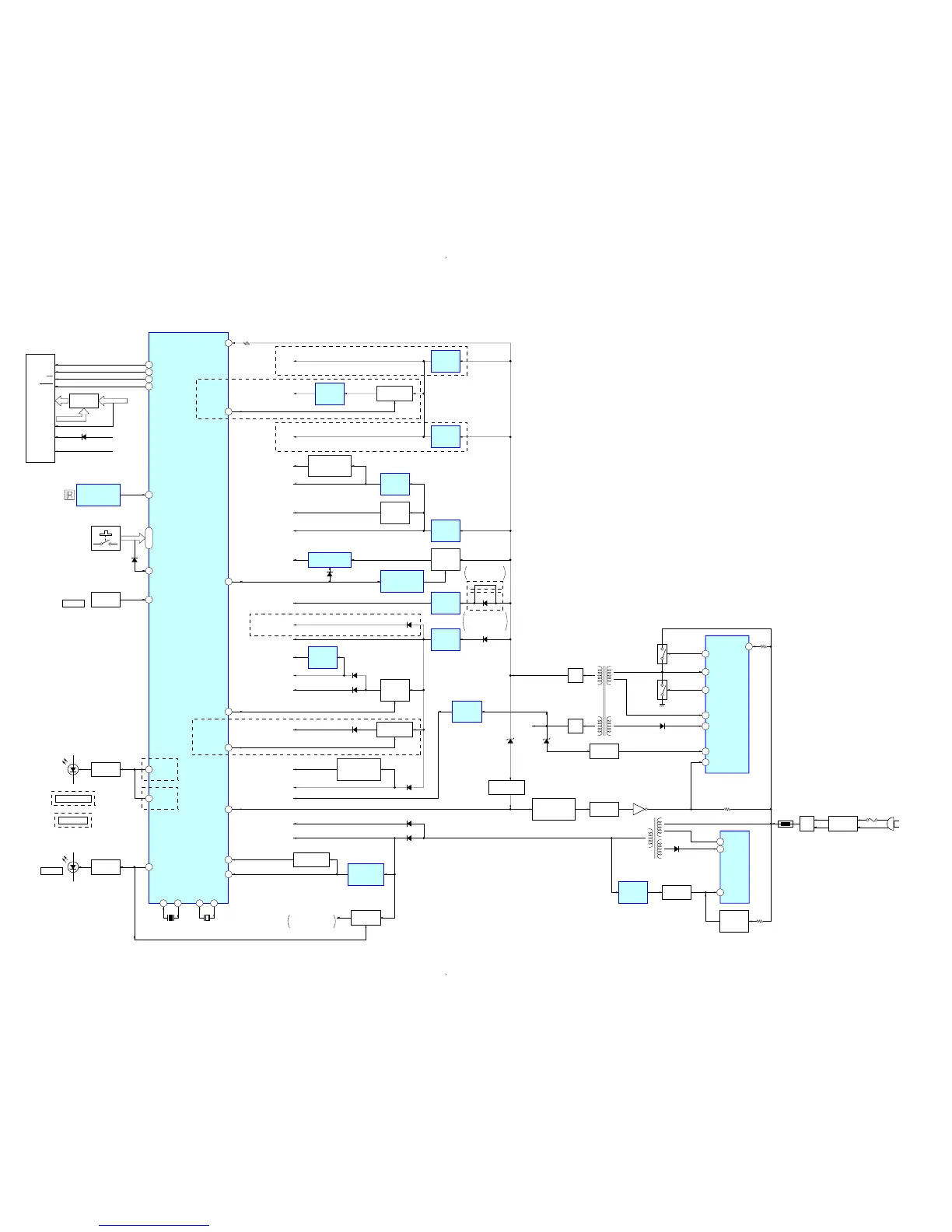
6-5. Block Diagram – PANEL/POWER SUPPLY Section –
FL901
FLUORESCENT
INDICATOR TUBE
DA
CP
CS
1G, 12G
VH
Q1, Q12
GRID DRIVE
Q901, 902
VH B+
F+
VDD
+7V
EVER +3.3V
D909
REMOTE CONTROL
RECEIVER
IC951
SYSTEM CONTROLLER
IC301 (5/5)
80STBY RELAY
20AC CUT
RESET SIGNAL
GENERATOR
IC302
RESET SWITCH
Q301
B+ SWITCH
Q952
85AC DET
12RESET
84 VOLUME JOG
KEY0 – KEY2
83 – 81
78 STBY LED
4 SIRCS
D951
STANDBY
LED DRIVE
Q951
76 USB LED
77 BT LED
D952
USB MEMORY
BLUETOOTH
LED DRIVE
Q953
ROTARY
ENCODER
VOLUME
RV952
13
XOUT
15
XIN
X302
5MHz
11
XCOUT
10
XCIN
X301
32.768kHz
FL SD
73
FL SCLK
71
FL CS
72
FL RESET
75
74 KEY WAKE UP
S951 – 954,
S961 – 963,
S965 – 968,
S970 – 976
(AC IN)
T603
SUB POWER
TRANSFORMER
T31
MAIN POWER
TRANSFORMER
F1
LINE FILTER
T1
RECT
D1
21CD ON
70FL POWER ON
D603
D14
4
POWER
CONTROL
IC601
VCC
5 DRAIN
2 FB
POWER CONTROL
IC11
1 VSENSE
2 F/B
9 OCP
16 VG (H)
ISOLATOR
PH601
FEED BACK
SWITCH
Q615
ISOLATOR
PH602
SHUNT
REGULATOR
IC650
D205 – 207
D209
18
VD
SWITCHING
Q12
12 VG (L)
SWITCHING
Q11
15 VS
8 VC1
Q601
RECT
D32
RECT
D31
D652 D33
+27V
+4V
DVDD
+3.3V
+3.3V
(FOR IC311 –313)
+1.5V
D203
D210
D211
AVDD
+3.3V
D212
D213
AMP
+3.3V
+1.8V
+12V
D220
D221
+3.3V
EVER
+3.3V
µ-COM
+3.3V
+7V
+9V
VH B+
+7V
REGULATOR
IC306
+9V
REGULATOR
IC305
+5.4V
REGULATOR
IC309
+4V
REGULATOR
IC307
65BT POWER
DC/DC
CONVERTER
Q906, 907
B+ SWITCH
IC901-2, Q904, 908
+5V
+5V
REGULATOR
IC308
+12V
REGULATOR
IC12
+9V
(FOR HP AMP)
+3.3V
(FOR ADC )
XM
+5.4V
SWITCHING
REGULATOR
IC319
VBUS
+5V
BT
+3.3V
RIPPLE
FILTER
Q305
+3.3V REGULATOR
IC702 (HX3/HX7)
IC702 (HX5)
+1.8V REGULATOR
IC704 (HX3/HX7)
IC704 (HX5)
+1.5V
REGULATOR
IC201
DC DETECT
Q651, 652
POWER ON/OFF
CONTROL SWITCH
Q650
B+ SWITCH
Q312, 313,
325, 326
28USB POWER
USB
+3.3V
B+ SWITCH
Q327, 329, 330
RESET
D218, 219
(HX3)
(HX5/HX7)
(HX3/HX5)
(HX3/HX5)
(HX7)
(HX3/HX5)
(HX5/HX7)
(HX3)
(HX5/HX7)
FOR
ROTARY ENCODER
TH1
ISOLATOR
PH11
POWER CONTROL
SWITCH
IC901-1, Q903, 905
D903
B+ SWITCH
Q302, 323, 324
+3.3V
REGULATOR
IC903
HX3: AEP/HX5:
AEP, UK/HX7
HX3: Canadian/
HX5: Canadian,
Australian, Korean

Table of Contents

Related product manuals