EasyManua.ls Logo

Sony HCD-HX3 - Page 50

Sony HCD-HX3
90 pages
Print Icon
To Next Page IconTo Next Page
To Next Page IconTo Next Page
To Previous Page IconTo Previous Page
To Previous Page IconTo Previous Page
Loading...
50
HCD-HX3/HX5/HX7
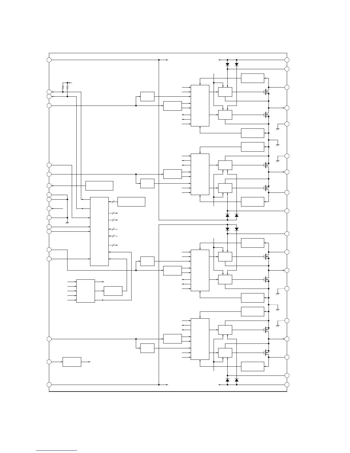
IC707 CXD9845AM (HX3/HX7)
/OTW 2
GVDD_B
1
PROTECTION
LOGIC
GATE
DRIVE
GVDD_A36
BST_A35
PVDD_A
34
OUT_A
33
GND
32
GATE
DRIVE
OVER CURRENT
FAULT
OVER CURRENT
FAULT
/SD 3
PWM_A 4
PWM_B
6
/RESET_AB
5
/RESET_CD 15
PWM_C 14
M1 13
M2 12
GND 11
GND 8
GND 9
VREG 10
OC_ZDJ 7
PROTECTION
&
RESET LOGIC
OLP
OTP
CB3C
TIMING
CONTROL
STUCK
DETECT
STUCK
DETECT
STUCK
DETECT
REGULATOR
STUCK
DETECT
/HIZ_LS
/OCH
/OCL
/RESET
/HIZ_HS
/UVP
PROTECTION
LOGIC
GVDD_C
PWM_D
16
VDD
17
18
GATE
DRIVE
BST_C27
PVDD_C
26
OUT_C
25
GND
24
GATE
DRIVE
OVER CURRENT
FAULT
OVER CURRENT
FAULT
TIMING
CONTROL
/HIZ_LS
/OCH
/OCL
/RESET
/HIZ_HS
/UVP
PROTECTION
LOGIC
GATE
DRIVE
BST_B
28
PVDD_B
29
OUT_B
30
GND
31
GATE
DRIVE
OVER CURRENT
FAULT
OVER CURRENT
FAULT
TIMING
CONTROL
TIMING
CONTROL
/HIZ_LS
/OCH
/OCL
/RESET
/HIZ_HS
/UVP
PROTECTION
LOGIC
GATE
DRIVE
BST_D
20
GVDD_D
19
PVDD_D
21
OUT_D
22
GND
23
GATE
DRIVE
OVER CURRENT
FAULT
OVER CURRENT
FAULT
TIMING
CONTROL
TIMING
CONTROL
/HIZ_LS
/OCH
/OCL
/RESET
/HIZ_HS
/UVP
PROGRAMMABLE
CURRENT SENSE
TEMPERATURE
WARNING/ERROR
2
4
/HIZ_HS
4
/HIZ_LS
4
/OCH
4
/OCL
GVDD_D
GVDD_C
GVDD_B
GVDD_A
VREG
4
/RESET
VREG
UNDER
VOLTAGE
PROTECTION
POWER-UP
RESET
/UVP
GVDD_A
GVDD_D
GVDD_B
GVDD_C
VREG

Table of Contents