EasyManua.ls Logo

Sony HCD-HX3 - Page 6

Sony HCD-HX3
90 pages
Print Icon
To Next Page IconTo Next Page
To Next Page IconTo Next Page
To Previous Page IconTo Previous Page
To Previous Page IconTo Previous Page
Loading...
6
HCD-HX3/HX5/HX7
– HCD-HX5 –
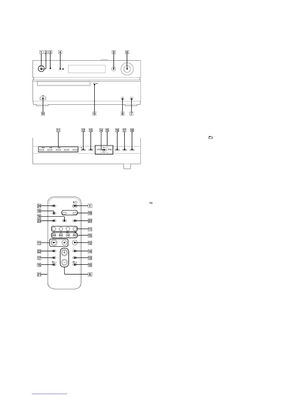
Front panel
Top panel
Remote (RM-SCU35)
1
"/1(power) button
Press to turn on the system.
2
STANDBY indicator
Lights up when the system is turned off.
3
BLUETOOTH indicator
Lights up when the Bluetooth function
is active.
4
Remote sensor
5
BLUETOOTH OPR button
Press to make a connection,
disconnection, or pairing with a
Bluetooth device.
6
Unit: VOLUME control
Remote: VOLUME +/– button
Turn or press to adjust the volume.
7
AUDIO IN jack
Connect to an optional audio
component.
8
PHONES jack
Connect the headphones.
9
Z (open/close) button
Press to open or close the disc tray.
q;
(USB) port
Connect to an optional USB device
(Digital music player or USB storage
media).
qa
Playback buttons and function
buttons
Unit: BLUETOOTH u (play/
pause) button
Press to select the Bluetooth function.
Press to start or pause playback of the
music on the Bluetooth device (Bluetooth
mobile phone, etc.).
Unit: USB u (play/pause)
button
Press to select the USB function.
Press to start or pause playback of an
optional USB device (Digital music
player or USB storage media).
Remote: USB button
Press to select the USB function.
Unit: CD u (play/pause)
button
Press to select the CD function.
Press to start or pause playback of a disc.
Remote: CD button
Press to select the CD function.
Remote: N (play) button,
X (pause) button
Press to start or pause playback.
TUNER/BAND button
Press to select the TUNER function.
Press to select FM or AM reception
mode.
Unit: AUDIO IN button
Press to select the AUDIO IN function.
Remote: FUNCTION button
Press to select the function.
qs
Unit: x/CANCEL (stop/cancel)
button
Remote: x (stop) button
Press to stop playback.
Press to cancel search.
qd
SEARCH button
Press to enter or exit search mode.
qf
ENTER button
Press to enter the settings.
qg
./> (go back/go forward)
button
Press to select a track or file.
Unit: TUNE +/– (tuning) button
Remote: +/– (tuning) button
Press to tune in the desired station.
+/– (select folder) button
Press to select a folder.
m/M (rewind/fast forward)
button
Press to find a point in a track or file.
qh
PLAY MODE/TUNING MODE
button
Press to select the play mode of a CD,
MP3 disc or an optional USB device
(Digital music player or USB storage
media).
Press to select the tuning mode.
qj
Sound buttons
Unit: DSGX button
Remote: EQ button
Press to select the sound effect.
qk
DISPLAY button
Press to change the information on the
display.
ql
CLOCK/TIMER SELECT button
CLOCK/TIMER SET button
Press to set the clock and the Play Timer.
w;
REPEAT/FM MODE button
Press to listen to a disc, a single track or
file repeatedly.
Press to select the FM reception mode
(monaural or stereo).
wa
Battery compartment lid
ws
CLEAR button
Press to delete a pre-programmed track
or file.
Press to erase the pairing registration
information of the Bluetooth device.
wd
TUNER MEMORY button
Press to preset the radio station.
wf
SLEEP button
Press to set the Sleep Timer.

Table of Contents

Related product manuals