EasyManua.ls Logo

Sony HCD-RX50 - Page 40

Sony HCD-RX50
66 pages
Print Icon
To Next Page IconTo Next Page
To Next Page IconTo Next Page
To Previous Page IconTo Previous Page
To Previous Page IconTo Previous Page
Loading...
— 68 —
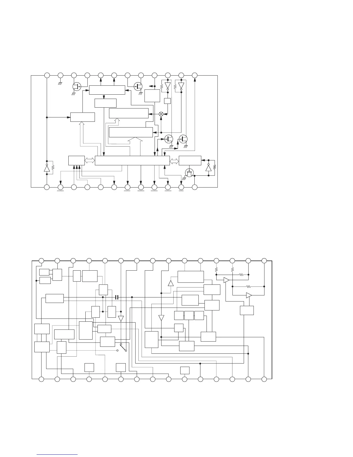
- TCB BOARD Section -
IC41 LA1835
IC21 LC72130
1 2 3 4 5 7 8 9
10 11 12 14 15
29
2730
ALC
BUFF
AM
OSC
AM
MIX
28
AM
RF. AMP
26
AGC
S METER
LEVEL
DET
FM
IF
FM
DET
REG
GND
6
S-CURVE
AM/FM
IF
BUFF
COMP
TUNING
DRIVE
AM
IF
AM
DET
FM
AM
25
24
23
22
21
20 19 17 1618
DECODER
ANTI BIRDIE
STEREO
SW
TRIG
STEREO
DRIVER
FF FF FF
VCO
PILOT
DET
PHASE
DET
AM/FM
SW
Vcc
MUTE
FM-SD
AM-OSC
FM-AFC
AM-RF-IN
AGC
AM. CUT
AM/FM
VCO
MPX-IN
OUT R
OUT L
AMP-IN R
AMP-IN L
R
L
FM-IN
AM-MIX
IF
REG
AM-IF
GND
TU-LED
ST-LED
DET
VCC
IF-BUFF
AM. SD
AM. SD
AM/FM
VCO-STOP
13
2 3 4 5 6 7 8 9 10 11 12
24 23
21
20
19 18
17
16
15
C'B
I/F
DATA SHIFT REGISTER
LATCH
UNIVERSAL
COUNTER
13
14
22
XOUT VSS AOUT2 AIN2 PD2 PD1 AIN1 AOUT1 VDD FMIN AMIN IO2
SWALLOW COUNTER
1/16. 1/17 4bits
REFERENCE
DIVIDER
12bits PROGRAMMABLE
DRIVER
PHASE DETECTOR
CHARGE PUMP
UNLOCK
DETECTOR
POWER
ON
RESET
1/2
XIN
BO5
CE DI CL DO
BO1
BO2 BO3 BO4 IO1
IFIN
1

Related product manuals