EasyManua.ls Logo

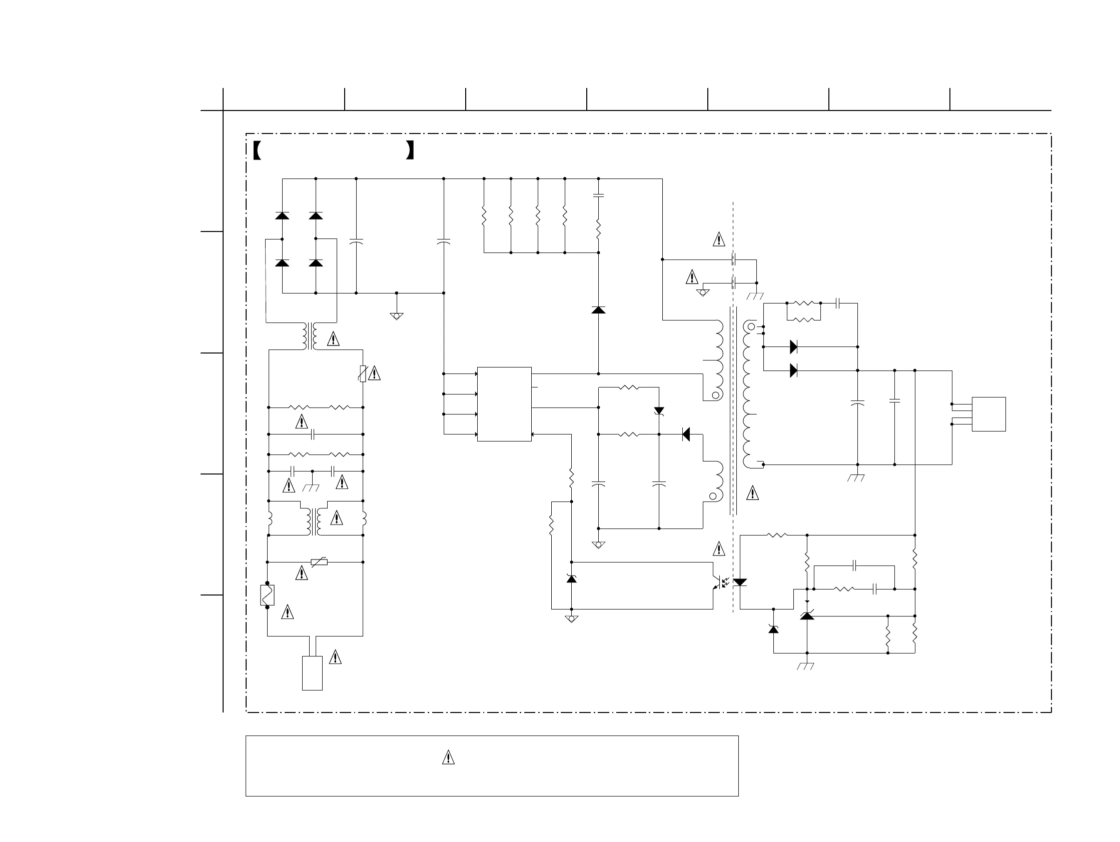
Sony HCD-S20 - Schematic Diagram - POWER Board

Sony HCD-S20
40 pages
Print Icon
To Next Page IconTo Next Page
To Next Page IconTo Next Page
To Previous Page IconTo Previous Page
To Previous Page IconTo Previous Page
Loading...
HCD-S20
HCD-S20
3434
D502
RL207/2A/1000V
D502
RL207/2A/1000V
SR3100/3A/100VSR3100/3A/100V
R507
680
R507
680
C551
1500pF/1KV
C551
1500pF/1KV
CN503
2PIN/7.92mm
CN503
2PIN/7.92mm
R531
33.2K/1%
R531
33.2K/1%
R526 0R526 0
LF501
30mH
LF501
30mH
D533
SR3100/3A/100V
D533
SR3100/3A/100V
U502
BPC-817B
U502
BPC-817B
D506
FR107/1A/1000V
D506
FR107/1A/1000V
F501
FUSE_2A/250V
F501
FUSE_2A/250V
D501
RL207/2A/1000V
D501
RL207/2A/1000V
U501
TNY180PN
U501
TNY180PN
PASPAS
22uF/450V
CE502
22uF/450V
CE502
C554
0.1uF/25V/Y5V
C554
0.1uF/25V/Y5V
R5051
150K
R5051
150K
R508
22K
R508
22K
R527 0R527 0
R501 1MR501 1M
D504
RL207/2A/1000V
D504
RL207/2A/1000V
CY502
NC
CY502
NC
CY504
470PF/250Vac
CY504
470PF/250Vac
R5052
150K
R5052
150K
R528 10KR528 10K
C552 1000pF/50V/X7RC552 1000pF/50V/X7R
T501
36-TRF327-SX0-E
T501
36-TRF327-SX0-E
R502 1MR502 1M
D505
FR107/1A/1000V
D505
FR107/1A/1000V
D503
RL207/2A/1000V
D503
RL207/2A/1000V
CY501
NC
CY501
NC
CON2 4PIN/2.54mmCON2 4PIN/2.54mm
R509
22
R509
22
R5053
150K
R5053
150K
CY503
470PF/250Vac
CY503
470PF/250Vac
R529 1KR529 1K
U533
AS431
U533
AS431
CX501 0.1uF/250VACCX501 0.1uF/250VAC
820UF/50V
CE534
820UF/50V
CE534
R5054
150K
R5054
150K
RV501 VDR/470VRV501 VDR/470V
R523
100K
R523
100K
R503 1MR503 1M
C553
0.1uF/50V/X7R
C553
0.1uF/50V/X7R
LIF502
NC
LIF502
NC
10uF/50V
CE505
10uF/50V
CE505
NC
CE501
NC
CE501
PASPAS
PASPAS
C501
0.0022uF(222)400V
C501
0.0022uF(222)400V
R522
0
R522
0
FB502
FB90@100MHz
FB502
FB90@100MHz
R504 1MR504 1M
R533
11.3K/1%
R533
11.3K/1%
R532
2.2K
R532
2.2K
FB503
FB90@100MHz
FB503
FB90@100MHz
TR501
NTC/10ohm
TR501
NTC/10ohm
R530
33.2K/1%
R530
33.2K/1%
ZD503
11V
ZD503
11V
47uF/35V
CE504
47uF/35V
CE504
ZD501
9.1V
ZD501
9.1V
ZD502 20VZD502 20V
++
++
++
++
++
1
2
S EN/UV
S
S
Drain
S
NC
BP/M
D
P-GND
FB
VDD
N.C
A8
A9
A10
A11
1
2
3
4
V2
GND
VDD
PG
D
FB
+12V
POWER BOARD
A
36
E
2
D
5
B
C
714
THE PARTS MARKED WITH ARE IMPORTANT PARTS ON THE SAFETY.
PLEASE USE THE PARTS HAVING THE DESIGNATED PARTS NUMBER WITHOUT FAIL.
* CAUTION :
1
2
12
43
81
5
6
4
7
3
2
4
1
2
6
5
11
12
10
9
1
2
3
4
3
1
2
1
34
2
6-18. SCHEMATIC DIAGRAM - POWER Board -

Related product manuals