EasyManua.ls Logo

Sony HCD-V818 - Power Section

Sony HCD-V818
92 pages
Print Icon
To Next Page IconTo Next Page
To Next Page IconTo Next Page
To Previous Page IconTo Previous Page
To Previous Page IconTo Previous Page
Loading...
– 31 – – 32 –
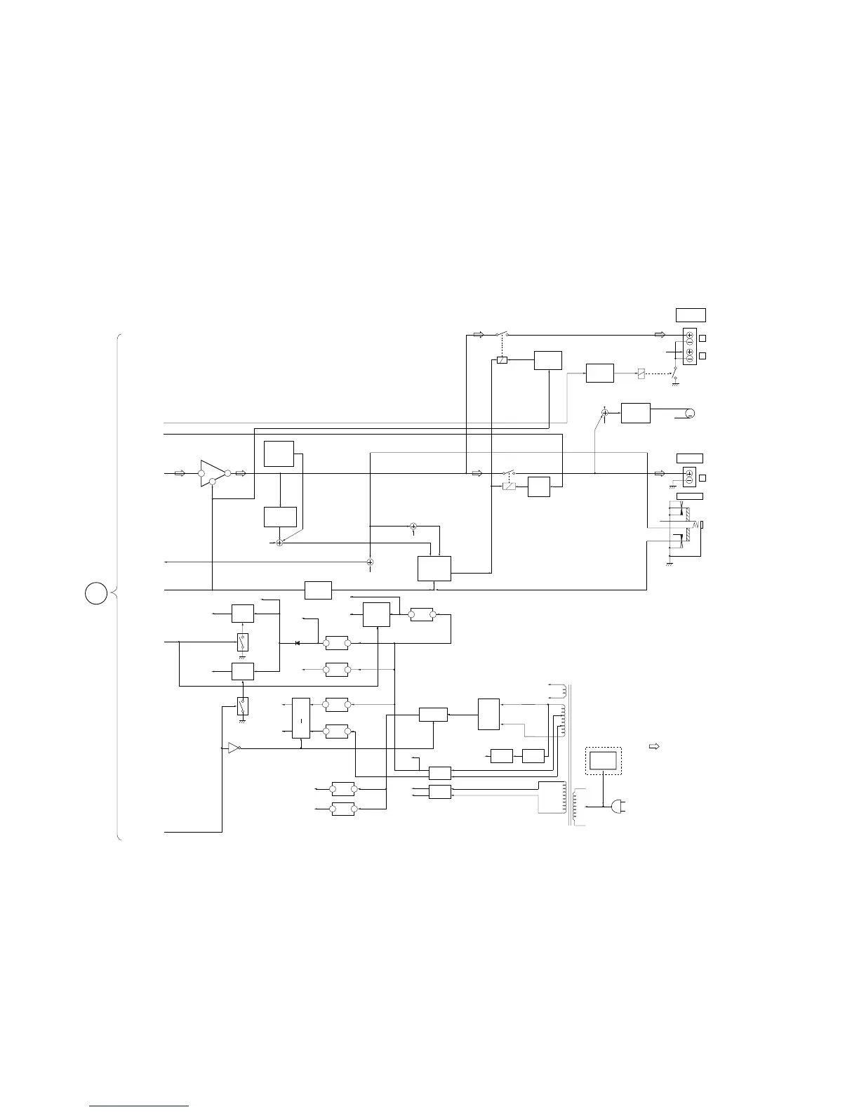
– POWER SECTION –
HCD-V818
• R CH : Same as L ch
• SIGNAL PATH
: FM
• Abbreviation
EA
SP
MY
HK
TW
IA
: Saudi Arabia model.
: Singapore model.
: Malaysia model.
: Hong Kong model.
: Taiwan model.
: Indonesian model.
Rch
Rch
RY401
RY402
RY404
THERMAL
DET
Q321,322
THP321
OVER LOAD
DET
Q201
Rch
POWER AMP
IC201
FRONT
F RELAY
PL RELAY
DBFB
STK MUTE
D5V
SWITCHED
Q932
D932
+5.6V
M+7V
A+7V
A–7V
+5.6V REG
IC931
D+5V
(SW)
D+5V
(UNSW)
+7V REG
IC941
+10V REG
IC911
+10V
ST+10V
+10V REG
IC921
Q934
VFDP
SP,MY,EA,HK,TW,IA
UNREG
–12V
POWER B+
POWER B–
AC
IN
AU/D5V SW
CD POWER
FRONT
SPEAKER
TM401
PHONES
J755
Rch
FRONT
SURROUND
SPEAKER
TM402
RELAY
DRIVE
Q403,407
Rch
FAN MOTOR
DRIVER
Q961, 962
M
UNREG
–12V
R-CH
M901
FAN
MOTOR
3 1
3 1
+5V REG
IC932
3 1
+7V REG
IC901
–7V REG
IC902
3
1
3
2
3 1
3 1
RELAY
DRIVE
Q401,402
MUTE
SWITCH
Q304,305
CD +5V
CONTROL
SWITCH
Q931,932
POWER ON/OFF
CD REG
Q931
+5V REG
Q933
VF REG
Q111
RECT
D111,112
VOLTAGE
SELECTOR
S501
RECT
D102
RECT
D101
VF
VF
T501
POWER
TRANSFORMER
MAIN
SECTION
D
09
(Page 30)
RECT
D103,
D104
+12V REG
Q911-913
SWITCH
Q901
Q905
CD+5V
Q937
PROTECT
CONTROL
Q301-303,
Q306,307
L
L
R
8
3
12
RELAY
DRIVE
Q408

Table of Contents

Related product manuals