EasyManua.ls Logo

Sony HCD-V818 - Schematic Diagram - Main (4;4) Section

Sony HCD-V818
92 pages
Print Icon
To Next Page IconTo Next Page
To Next Page IconTo Next Page
To Previous Page IconTo Previous Page
To Previous Page IconTo Previous Page
Loading...
– 61 – – 62 –
HCD-V818
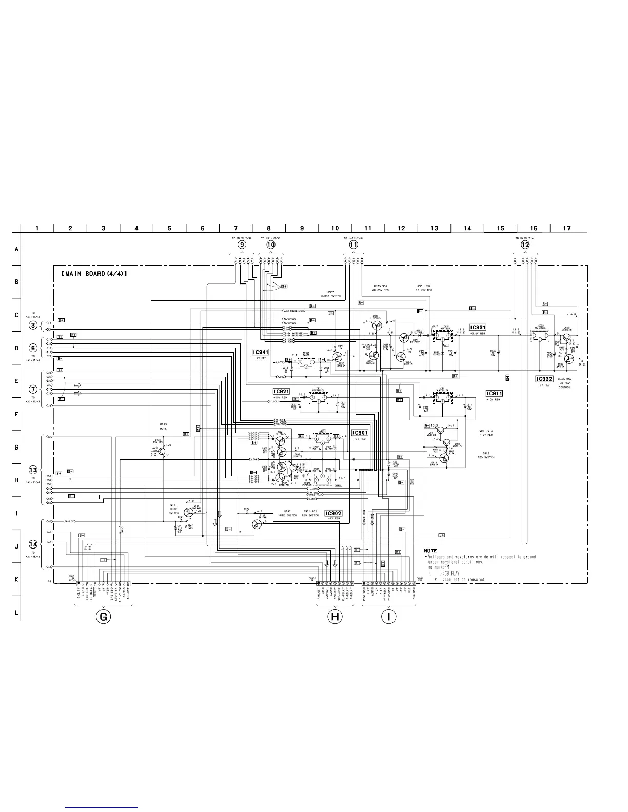
8-15. SCHEMATIC DIAGRAM – MAIN (4/4) SECTION –
• See page 53 for Printed Wiring Board.
(Page 56)
(Page
56)
(Page
56)
(Page
60)
(Page
60)
(Page 75) (Page 67) (Page 67)
(Page 57) (Page 57) (Page 57) (Page 58)

Table of Contents

Related product manuals