EasyManua.ls Logo

Sony HCD-VR70 - Main (2;2) Section

Sony HCD-VR70
98 pages
Print Icon
To Next Page IconTo Next Page
To Next Page IconTo Next Page
To Previous Page IconTo Previous Page
To Previous Page IconTo Previous Page
Loading...
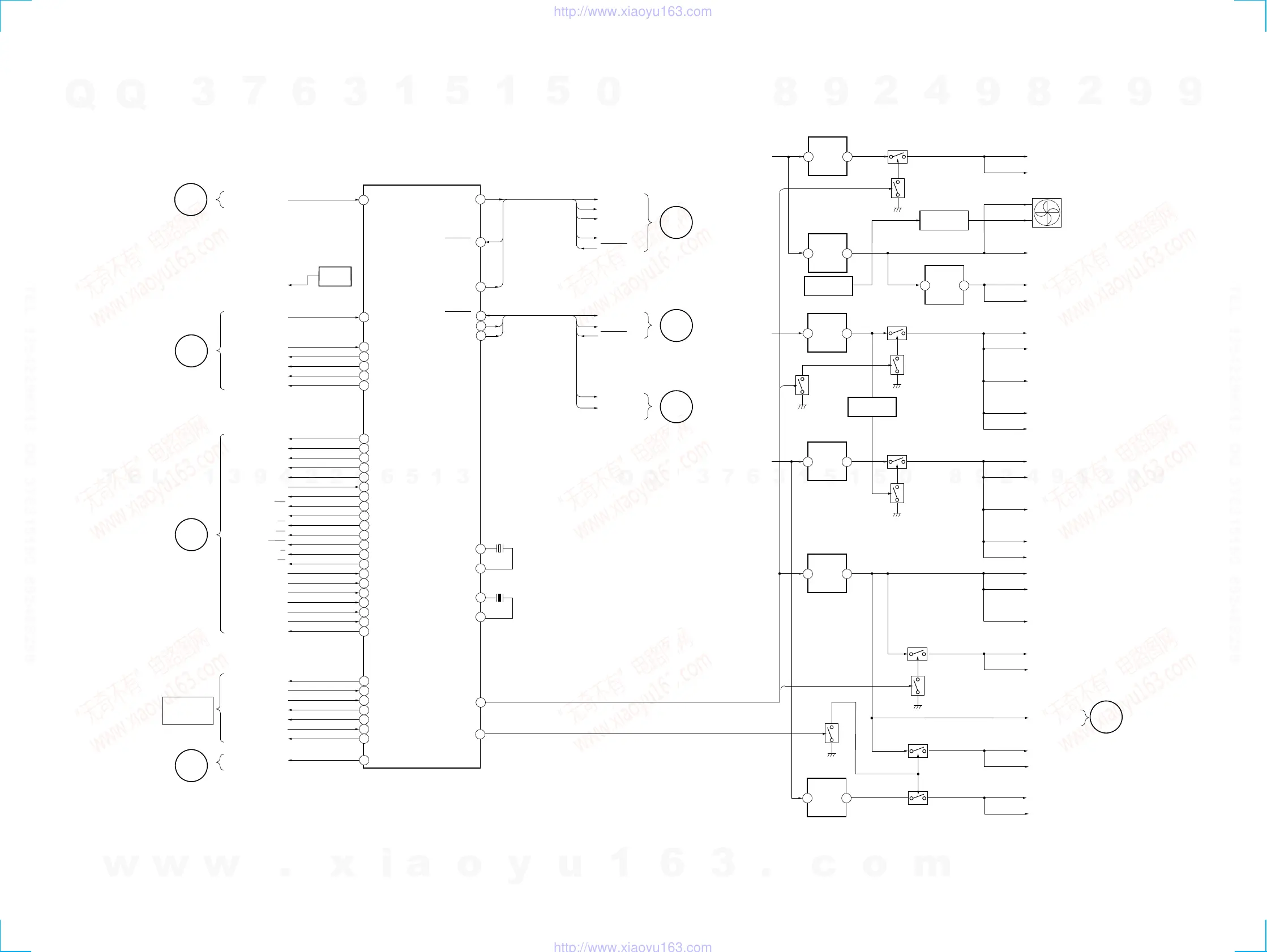
HCD-VR50/VR70
– 25 –
– 26 –
– MAIN (2/2) SECTION –
30
29
I
2
C-CLK
I
2
C-DATA
VIDEO
SECTION
N
MAIN CONTROL
IC501 (2/2)
1
27
93
18
29
30
81
80
84
82
83
86
85
87
88
90
89
100
91
1
27
93
STK-POWER
PROTECT
HP MUTE
18
29
30
WAKE UP
IIC-CLK
IIC-DATA
93
1
27
29
30
18
STK POWER
PROTECT
HP MUTE
DATA
CLOCK
WAKE UP
FAN DETECTOR
D405-409
IC933
M+7V (UNSW)
PL A+10V
7V
ST +10V
TC MOTOR+12V
FAN
1 3
1 3
+10V
REG
+12V
REG
IC931
IC932
FAN SWITCH
Q961, 963
+UNREG, 12V
FAN901
2
Q931
SWITCH
Q932
SWITCH
+7V
REG
1 3
A–7.5V
–V BIAS
2 3
–7V
REG
IC951
UN–10V
Q931
SWITCH
Q932
SWITCH
Q932
SWITCH
1 3
+7V
REG
IC901
UN+10V
2
Q901
SWITCH
Q902
SWITCH
2
DETECTOR
Q905
TC–7V
–7V
–7
(LED–7V)
A+7.5V
+V BIAS
TC–7V
–7V
–7
(LED+7V)
1 3
+5V
REG
IC911
LED 5V
LED 5V
D+5V UNSW
2
Q901
SWITCH
Q902
SWITCH
5V
AU D+5V
Q913
SWITCH
D+5V (SW)
A+5V (SW)
EVER +5V
Q921
SWITCH
CD D+5V SW
CD A+5V SW
(CD D+5V SW)
(CD A+5V SW)
(D+5V SW)
1 3
+5V
REG
IC921
5
Q914
SWITCH
POWER
SECTION
POWER
SECTION
I
DISPLAY
SECTION
J
72
69
75
73
74
77
76
78
79
63
56
SENS
SENS
61
65
68
50
49
52
51
53
54
59
XRST
X-RST
55
BIAS
REC-MUTE
ALC
EQ-H/N
PB-A/B
A-PLAY-SW
B-PLAY-SW
A-HALF
B-HALF
A-SHUT
B-SHUT
TC-RELAY
A-TRG
B-TRG
CAP-M-H/L
CAPM-CNT 2
CAPM-CNT 1
TC-MUTE
AMS IN
R/PB/PAS
NR-ON/OFF
DISC-SENS
TBL-R
TBL-L
ENC 3/UP-SW
ENC 2/DISC-LED
STEREO
ST-MUTE
ST-CE
TUNED
ST-DOUT
ST-DIN
ST-CLK
36
H/P IN
5
CD-POWER
2
POWER
10
XC-IN
11
XC-OUT
13
X-OUT
15
X-IN
IC781
OPTIC
TRANSMITTING
D.OUT
BIAS ON/OFF
RM ON/OFF
ALC ON/OFF
NORM/HIGH
PB A/B
A PLAY
B PLAY
A-HALF
B-HALF/REC A/REC B
A SHUT
B SHUT
RELAY
A TRG
B TRG
CAP-M-H/L
CAPM-CNT 2
CAPM-CNT 1
LM ON/OFF
MS OUT
REC/PB/PASS
NR ON/OFF
DISC.SENS
TBL.R
TBL.L
ENC 3
ENC 2
STEREO
ST-MUTE
ST-CE
TUNED
ST-DOUT
ST-DIN
ST-CLK
HP.SW
POWER
SECTION
H
BD (CD)
SECTION
C
VIDEO
SECTION
P
(Page 28)
DECK
SECTION
B
X501
32.768kHz
X502
16MHz
L
09
(Page 30)
(Page 20)
(Page 22)
(Page 29)
(Page 28)
(Page 31)
(Page 29)
FM/AM TUNER
TUNER UNIT IS
SUPPLED AS THE
ASSEMBLED
BLOCK
• R CH : Same as L ch
w
w
w
.
x
i
a
o
y
u
1
6
3
.
c
o
m
Q
Q
3
7
6
3
1
5
1
5
0
9
9
2
8
9
4
2
9
8
T
E
L
1
3
9
4
2
2
9
6
5
1
3
9
9
2
8
9
4
2
9
8
0
5
1
5
1
3
6
7
3
Q
Q
TEL 13942296513 QQ 376315150 892498299
TEL 13942296513 QQ 376315150 892498299
http://www.xiaoyu163.com
http://www.xiaoyu163.com

Table of Contents

Related product manuals