EasyManua.ls Logo

Sony HCD-VR70 - Schematic Diagram - Main (1;5) Section

Sony HCD-VR70
98 pages
Print Icon
To Next Page IconTo Next Page
To Next Page IconTo Next Page
To Previous Page IconTo Previous Page
To Previous Page IconTo Previous Page
Loading...
HCD-VR50-/VR70
– 53 –
– 54 –
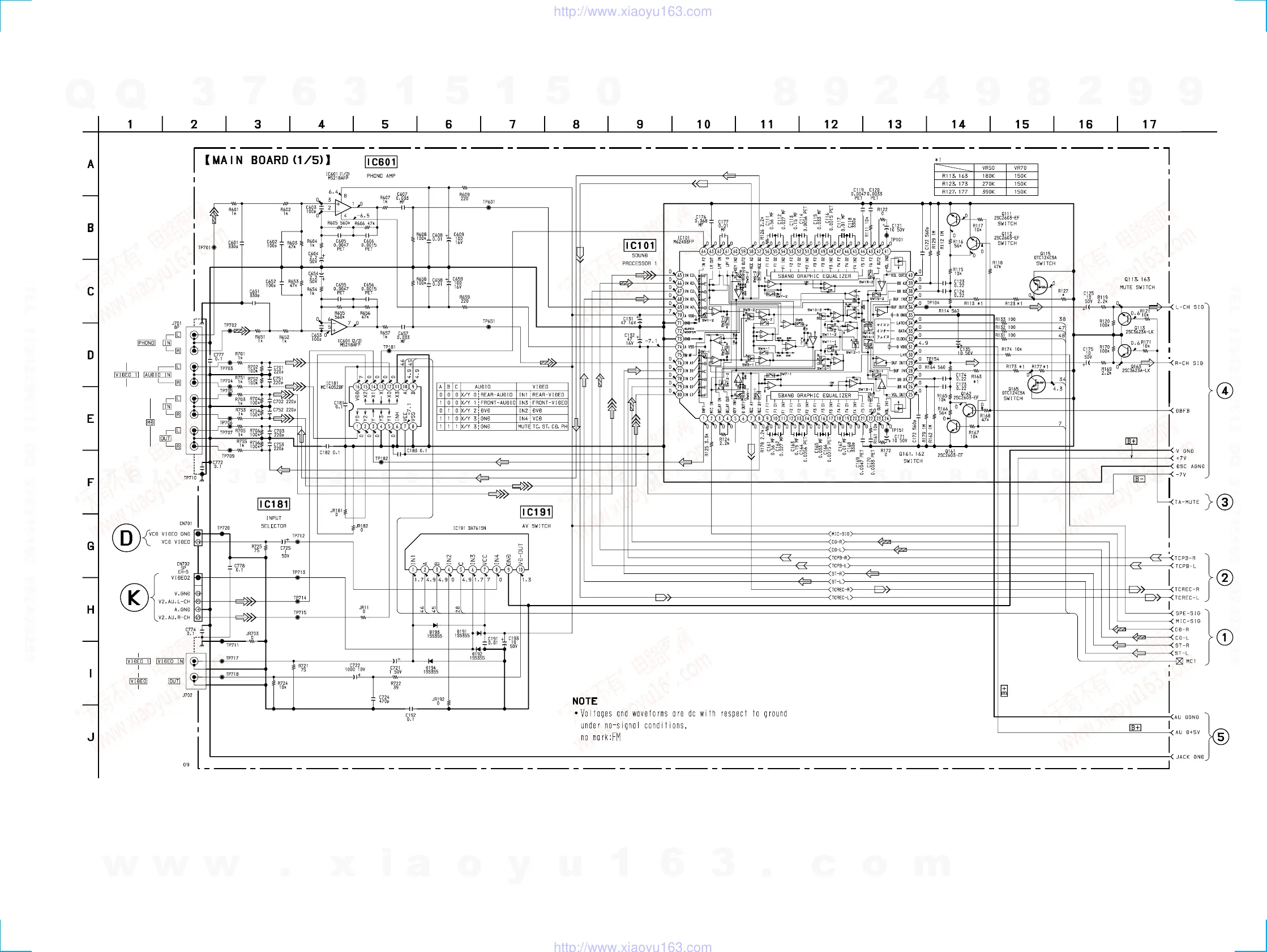
7-12. SCHEMATIC DIAGRAM – MAIN (1/5) SECTION –
• See page 99 for IC Block Diagrams.
(Page 50)
(Page 84)
(Page
62)
(Page
57)
(Page
60)
(Page
56)
(Page
61)
w
w
w
.
x
i
a
o
y
u
1
6
3
.
c
o
m
Q
Q
3
7
6
3
1
5
1
5
0
9
9
2
8
9
4
2
9
8
T
E
L
1
3
9
4
2
2
9
6
5
1
3
9
9
2
8
9
4
2
9
8
0
5
1
5
1
3
6
7
3
Q
Q
TEL 13942296513 QQ 376315150 892498299
TEL 13942296513 QQ 376315150 892498299
http://www.xiaoyu163.com
http://www.xiaoyu163.com

Table of Contents

Related product manuals