EasyManua.ls Logo

Sony HCD-VR70 - Schematic Diagram - CD Panel Section

Sony HCD-VR70
98 pages
Print Icon
To Next Page IconTo Next Page
To Next Page IconTo Next Page
To Previous Page IconTo Previous Page
To Previous Page IconTo Previous Page
Loading...
HCD-VR50/VR70
– 83 – – 84 –
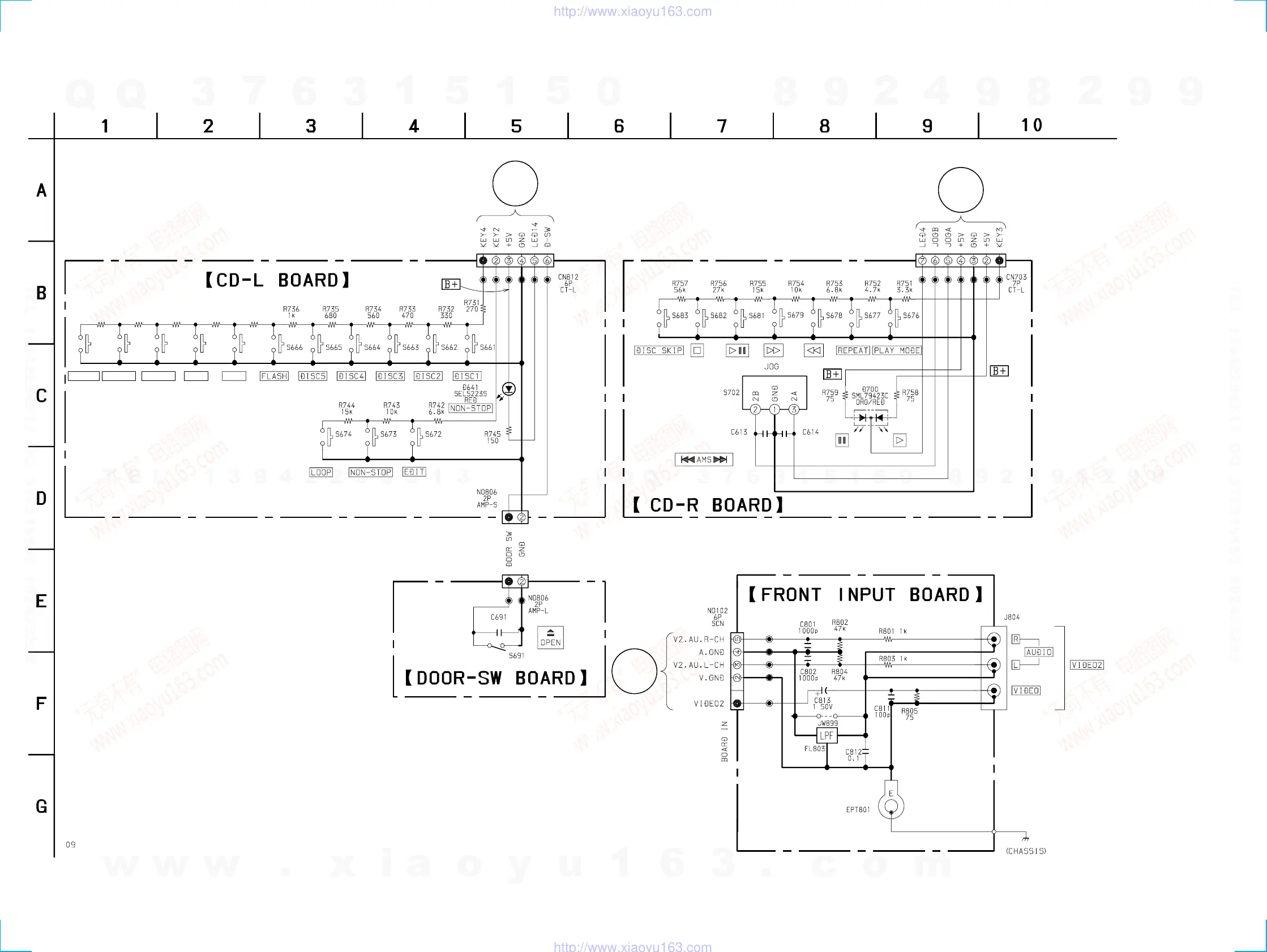
7-28. SCHEMATIC DIAGRAM – CD PANEL SECTION –
(Page 80)
(Page 53)
(Page 79, 80)
S
R
K
(
)
(
)
(
)
0.01
0.01 0.01
S667
R737
1.2k
S668
R738
1.8k
S669
R739
2.7k
S670
R740
3.3k
S671
R741
4.7k
NEXTPREVRETURNSELECT
ACTIVE
w
w
w
.
x
i
a
o
y
u
1
6
3
.
c
o
m
Q
Q
3
7
6
3
1
5
1
5
0
9
9
2
8
9
4
2
9
8
T
E
L
1
3
9
4
2
2
9
6
5
1
3
9
9
2
8
9
4
2
9
8
0
5
1
5
1
3
6
7
3
Q
Q
TEL 13942296513 QQ 376315150 892498299
TEL 13942296513 QQ 376315150 892498299
http://www.xiaoyu163.com
http://www.xiaoyu163.com

Table of Contents

Related product manuals