EasyManua.ls Logo

Sony HCD-VX333 - Main Section

Sony HCD-VX333
72 pages
Print Icon
To Next Page IconTo Next Page
To Next Page IconTo Next Page
To Previous Page IconTo Previous Page
To Previous Page IconTo Previous Page
Loading...
2222
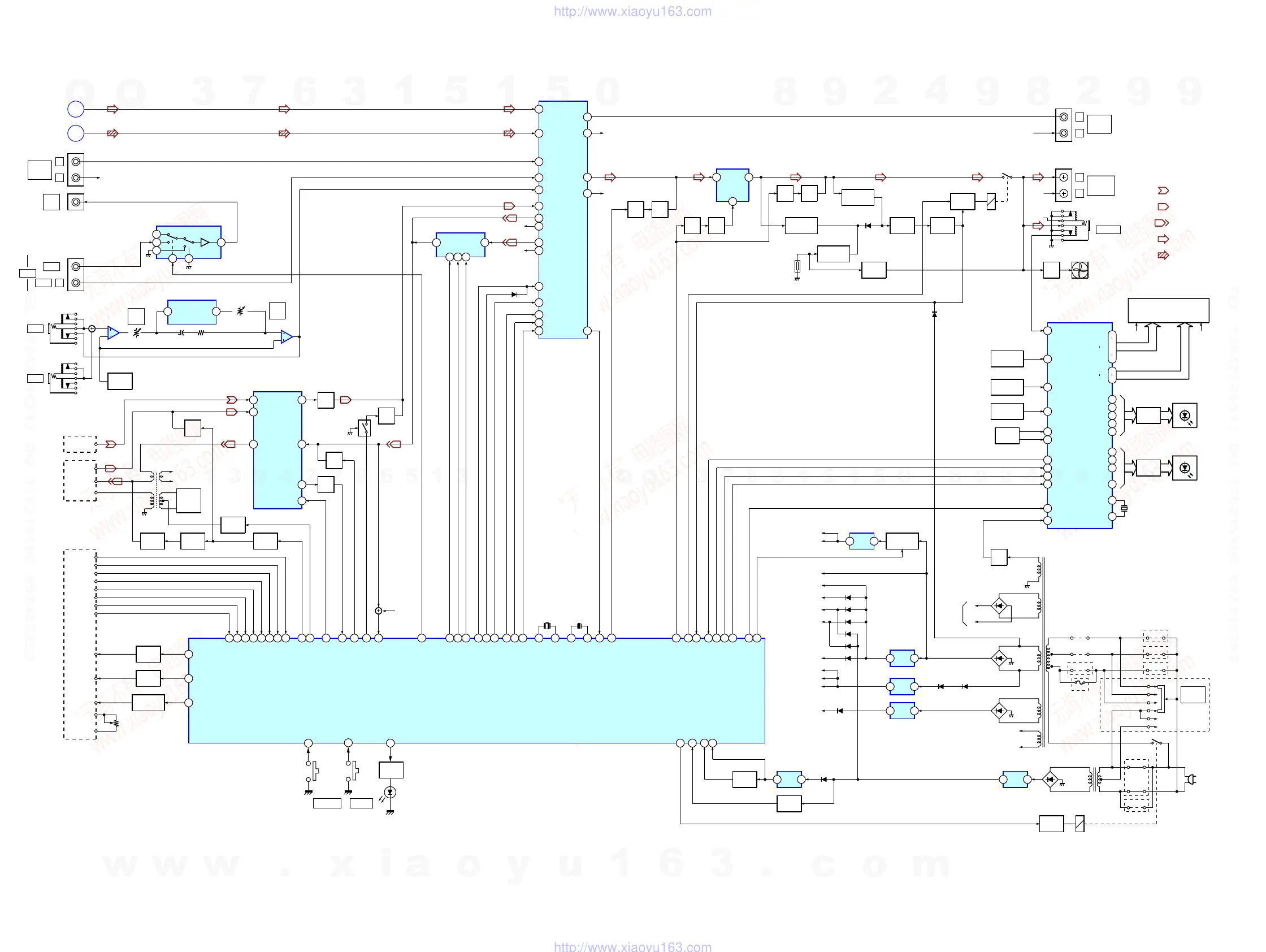
HCD-VX333
MAIN SECTION
: FM
: CD
Signal Path
RCH is omitted
: PB (DECK A)
: PB (DECK B)
: REC (DECK B)
R-CH
BIAS
OSC
Q223
A
TUNER/CD
SECTION
(Page 21)
E
VIDEO CD
SECTION
(Page 23)
R-CH
L-CH
LOUT
L-CH
JK301(1/2)
L
R
DECK-B
DECK-A
INPUT SELECT
TONE/VOL CONT
IC301
TUNER/L
43
CD/L
42
DPLL1
57
TAPE/L
45
32
OUT L
SI
34
SCK
35
MUTE
Q301
MUTE
CONT
Q361,362
POWER
AMP
IC501
1
12
6
MUTE
CONT
Q503,504
MUTE
Q363
MUTE
CONT
Q365
OVER LOAD
DETECTOR
Q501
D502
PROTECT
DETECTOR
Q381,382
PROTECT
CONT
Q383
PROTECT
SWITCH
Q386,387
RELAY
DRIVE
Q384,385
RY371
J701
PHONS
R CH
R CH
M961
DC FAN
FAN
DRIVE
Q371,373
L
R
JK302
SPEAKER
IMPEDANCE
6-16
90
B SHUT
89
A SHUT
71
B PLAY
70
A PLAY
69
B HALF
68
A HALF
A TRIG
DRIVE
CAP MOTOR
DRIVE
Q605,606
Q601,602
B TRIG
DRIVE
Q603,604
A TRIG
60
B TRIG
61
CAP M CONT
65
TC BLOCK
A MODE
B MODE
A HALF
B HALF
REC(FWD)
REC(REW)
A PHOTO
B PHOTO
A SOL
B SOL
MOTOR H
77
TC PLAY
IC401(2/2)
MASTER CONTROL
91
SP/VACS
79
REC MUTE
72
AMS IN
5
DATA
6
LAT
83
LINE MUTE
84
STK MUTE
10
XC IN
11
XC OUT
15
X IN
13
X OUT
32.768kHz
X601
16MHz
X602
S0
S29
G0
G11
FLOURESCENT
INDICATOR TUBE
DISPLAY CONTROL
IC701
F1 F2
D702-706
D716-720
FUCTION
KEY
9
S-OUT
8
S-IN
VOL A
13
VOL B
14
VR701
VOLUME
RES701
5MHz
FLD1
80
69
HEADPHONE
17
S713-725
31
MO/VIDEO LED
32
TAPE LED
33CD LED
34TUNER LED
30GAME LED
LED
DRIVER
Q702-706
KEY0
22
FUCTION
KEY
S727-738
KEY1
21
FUCTION
KEY
S703-712
KEY2
20
7
S-CLK
6
RESET
3X1
4X2
MIC2
J702
MIC1
J703
MIC
LEVEL
RV703
ECHO
LEVEL
RV702
IC702
IC703
ECHO AMP
IC702
T911
MAIN TRANS
JW6
JW911
F919
TH
-V
REG
+5V
REG
Q911
D541
+B
-B
POWER
AMP
D681-684
EVER +5.6V
F1
F2
D902-905
AC
IN
RELAY
DRIVE
Q907
IC901
T901
SUB TRSNS
3
1
+5.6V
REG
1
3
RY901
+12V
REG
3
1
+9V
REG
3
1
CD POWER
SWITCH
+5V
REG
3
1
IC681 Q681,682
IC682
IC683
IC684
CD D+5V
CD A+5V
RDS D+5V
TC A+12V
MIC A+12V
TU +12V
TC M+9V
D687-690
D686
STBY RELAY
86
RESET
12
Q661 IC661
L201
BIAS
67
B REC REW
66
B REC FWD
PLAY/REC
CONTROL
Q227
PLAY/REC
SWITCH
Q224,228
BIAS
SWITCH
Q222,225
SWITCH
Q220,221
47
BIAS
PB/REQ EQ AMP
IC201
CH1/A
1
REC OUT
9
5
PRE OUT
LPFIN
LPF2OUT
Q217
MUTE
CH1/B
2
11
REC IN
6
MIX OUT
76
PB A/B
19
TAPE A/B
Q210,211
AMS
Q213
Q214
MUTE
Q229
MUTE
Q226
78
PB MUTE
95
VACS
3
2
1
6
5
7
Q711
LIMITER
MD/VIDEO
(AUDIO)
IN
VIDEO
OUT
VIDEO
L
AUDIO
IN PUT
JK705
J704
7
1
3
2
5
4
VIDEO AMP
IC704
94
VIDEO SW2
SUR2
SUR3
SUR1
MD/L
47
INLE GAME
49
MIC
56
DPLR1
59
A
36
B
37
C
38
39
BP OUT
7
CLK
80
SP LAT A
81
SP LAT B
82
SP LAT C
31
OUT R
R-CH
51
REC L
52
REC R
R-CH
R-CH
DPLL1
58
DPLR1
60
R-CH
MUTE
Q581
OVER HEAT
DETECTOR
Q582,583
TH501
FAN ON
SWITCH
Q584
MOTOR L
RV661
CAP M+
68
61
58
37
.
D707-709,711
29
REC LED
28
ENTER LED
26
DVD5.1 LED
35GROOVE LED
LED
DRIVER
Q707-709,712
10
S-BSY
88
FRONT RELAY
85
PROTECT
100
S-IN
41
M-RESET
1
S-OUT
2
S-CLK
3
S-BSY
S901
JW5
220
230V-240V
120
JW912
JW913
EXCEPT TH
JW3
JW4
JW1
TH
EXCEPT TH
VOLTAGE
SELECTOR
EXCEPT TH
JW7 TH
TH
TH
60
VP
38
CD POWER
D662
D661
D668
D667
D670
FAN +B
TC D+5V
µCOM +B
µCOM +B
PANEL +5V
D543 D542
D691-693
RESET
1
3
RESET
SWITCH
ACCUT
18
D664
REMOTE
4
SENS701
D383
73
74
97
Q701
LED
DRIVE
D701
POWER
DISPLAY
S726 S701
REMOTE
R-CH
L-CH
JK301(2/2)
L
R
2
9
R-CH
AMP
IC302
SURROUND AMP
1 2 3
10
7
58 5957
MIC AMP
MD/VIDEO
(AUDIO)
IN
w
w
w
.
x
i
a
o
y
u
1
6
3
.
c
o
m
Q
Q
3
7
6
3
1
5
1
5
0
9
9
2
8
9
4
2
9
8
T
E
L
1
3
9
4
2
2
9
6
5
1
3
9
9
2
8
9
4
2
9
8
0
5
1
5
1
3
6
7
3
Q
Q
TEL 13942296513 QQ 376315150 892498299
TEL 13942296513 QQ 376315150 892498299
http://www.xiaoyu163.com
http://www.xiaoyu163.com

Related product manuals