EasyManua.ls Logo

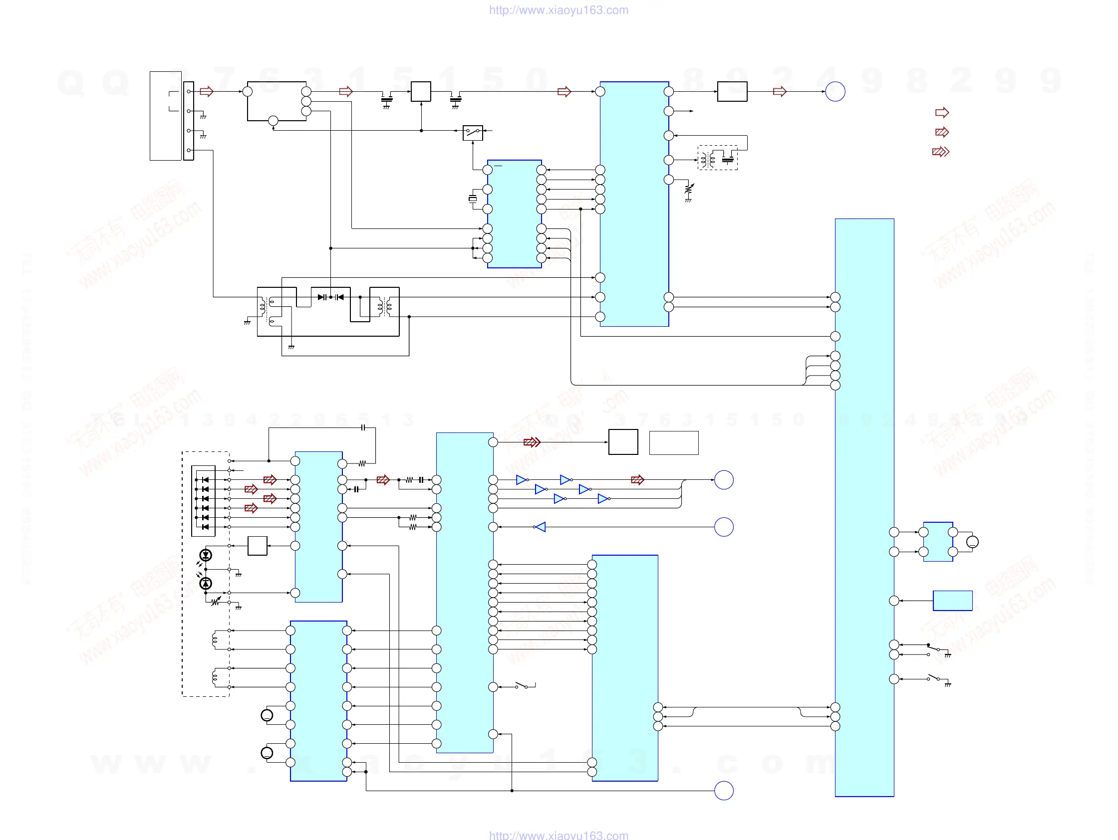
Sony HCD-VX333 - Tuner;CD Section Block Diagram

Sony HCD-VX333
72 pages
Print Icon
To Next Page IconTo Next Page
To Next Page IconTo Next Page
To Previous Page IconTo Previous Page
To Previous Page IconTo Previous Page
Loading...
2121
HCD-VX333
6-2. BLOCK DIAGRAMS
TUNER/CD SECTION
: FM
: CD
• Signal Path
• RCH is omitted
: DIGITAL OUT
FM 75
AM
TM101
ANT IN
1
7
IF OUT
8
OSC OUT
5
6
VT
+B
FE101
+B
TU+12V
Q102
+B SWITCH
FM
10
FM OSC
15
VT1 IN
18
VT1
17
PD1
19
PLL
IC102
12
FM/AM IF
7
FM
14
AM OSC
2VCO STOP
8IF REQ
6DO
4DI
5
CL
3
CE
XIN
1
XOUT
24
X101
4.5MHz
RF IF
AMP
Q101
CF101 CF102
DO
DI
CL
CE
1
13
3
4
55
122
14
1511
67
9
RB101
19
AM MIX OUT
IF OUT
9
AM/IF
12
AM OSC
24
VCO STOP
13
IF REQ MUTE
8
AM RF IN
20
AM OSC
22
V REG
23
FM IF
1
AM/FM IF MPX
IC101
11
L OUT
10
R OUT
BUFFER
Q103
18AM IF IN
IFT101
R-CH
A
MAIN
SECTION
(Page 22)
6
TUNED
17
STEREO
3
FM SD ADJ
RV101
(FM TUNED LEVEL)
ST MUTE
22
ST CE
25
ST CLK
28
ST DOUT
26
ST DIN
27
STEREO
23
TUNED
24
MASTER CONTROL
IC401(1/2)
DO
CL
CE
DI
DI
L-CH
TBL ADDRESS
SENSOR
49
T SENS
IC711
48
BU UP/DOWN SW
46OPEN SW
47CLOSE SW
44
MTR CNT2
OPEN/CLOSE
S701
BU UP/
DOWN
S711
45MTR CNT1
MOTOR
DRIVE
9
7
4
2
M
IC701
TURN
MOTOR
M721
OPTICAL PICK-UP
BLOCK
(KSM-213DCP/Z-NP)
A
B
C
D
E
F
LD
VC
+5V
GND
PD
VR
LD
DRIVE
FOCUS
COIL
TRACKING
COIL
Q101
RF AMP
IC103
VC
12
A
5
B
6
C
7
D
8
E
11
F
10
LD
3
PD
4
IC102
MOTOR/COIL DRIVE
VO1(+)
14
VO1(-)
13
12
11
15
16
M
M102
SLED
MOTOR
17
18
M
M101
SPINDLE
MOTOR
F+
F-
T+
T-
2
OP1(+)
3
OP1(-)
5
6
27
26
23
20
STBY2
MDP
25
SRDR
30
SFDR
29
TRDR
32
TFDR
31
FRDR
34
FFDR
33
DIGITAL SIGNAL PROC.
IC101
DIGITAL SERVO
64
D OUT
RFAC
50
17
RFI
16
15
RFO
14FE
13TE
22
LD ON
21
HOLD SW
RFDC
43
FE
39
TE
41
SE
40
4
DATA
6
CLOK
5
XLAT
3
MUTE
76
SQSO
77
SQCK
7
SENS
26SSTP
2
XRST
S101
LIMIT
SW
DEVICE RST
9
STBY1
66
PCMD
67
BCLK
65LRCK
14C2PO
71XTAI
69
XTSL
LEVEL SHIFT
B
CD DATA
CD BCK
CD LRCK
C2PO
C
CD MECHA CONT
IC502(1/2)
30
I2C.DATA
DSP DATA
95
8
SCLK
15
SCOR
12
XRESET
XRST
DSP CLK
5
DSP LATCH
97
DSP MUTE
10
SUBQ DATA
36
SUBQ CLK
37
SENSE
1
SENSE CLK
2
SCOR
18
CTRL1
11
LDON
28
LPH
27
29
30
29
I2C.CLK
D
VO2(+)
VO2(-)
VO4(+)
VO4(-)
VO3(+)
VO3(-)
OP2(+)
OP2(-)
OP4(+)
OP4(-)
OP3(-)
A+5V
42
IC104
I2C-DATA
I2C-CLK
MCLK
RFE
PH671
DIGITAL
OUT
CD
DIGITAL OUT
OPTICAL
43
XRST
IIC_DATA
IIC_CLK
VIDEO CD
SECTION
(Page 23)
VIDEO CD
SECTION
(Page 23)
VIDEO CD
SECTION
(Page 23)
IC501
ANTENNA
INVERTER
w
w
w
.
x
i
a
o
y
u
1
6
3
.
c
o
m
Q
Q
3
7
6
3
1
5
1
5
0
9
9
2
8
9
4
2
9
8
T
E
L
1
3
9
4
2
2
9
6
5
1
3
9
9
2
8
9
4
2
9
8
0
5
1
5
1
3
6
7
3
Q
Q
TEL 13942296513 QQ 376315150 892498299
TEL 13942296513 QQ 376315150 892498299
http://www.xiaoyu163.com
http://www.xiaoyu163.com

Related product manuals