EasyManua.ls Logo

Sony HT-DDW5000 - Connecting the DIGITAL MEDIA PORT adapter

Sony HT-DDW5000
76 pages
Print Icon
To Next Page IconTo Next Page
To Next Page IconTo Next Page
To Previous Page IconTo Previous Page
To Previous Page IconTo Previous Page
Loading...
59
GB
Other Operations
You can listen to the sound from the
component connected through the DIGITAL
MEDIA PORT adapter to the DMPORT jack
on the receiver.
You can also view the images on the TV
screen by connecting the video output of the
DIGITAL MEDIA PORT adapter to the
receiver.
To view the images, proceed to “Watching a
connected component through DMPORT
connection” on page 60.
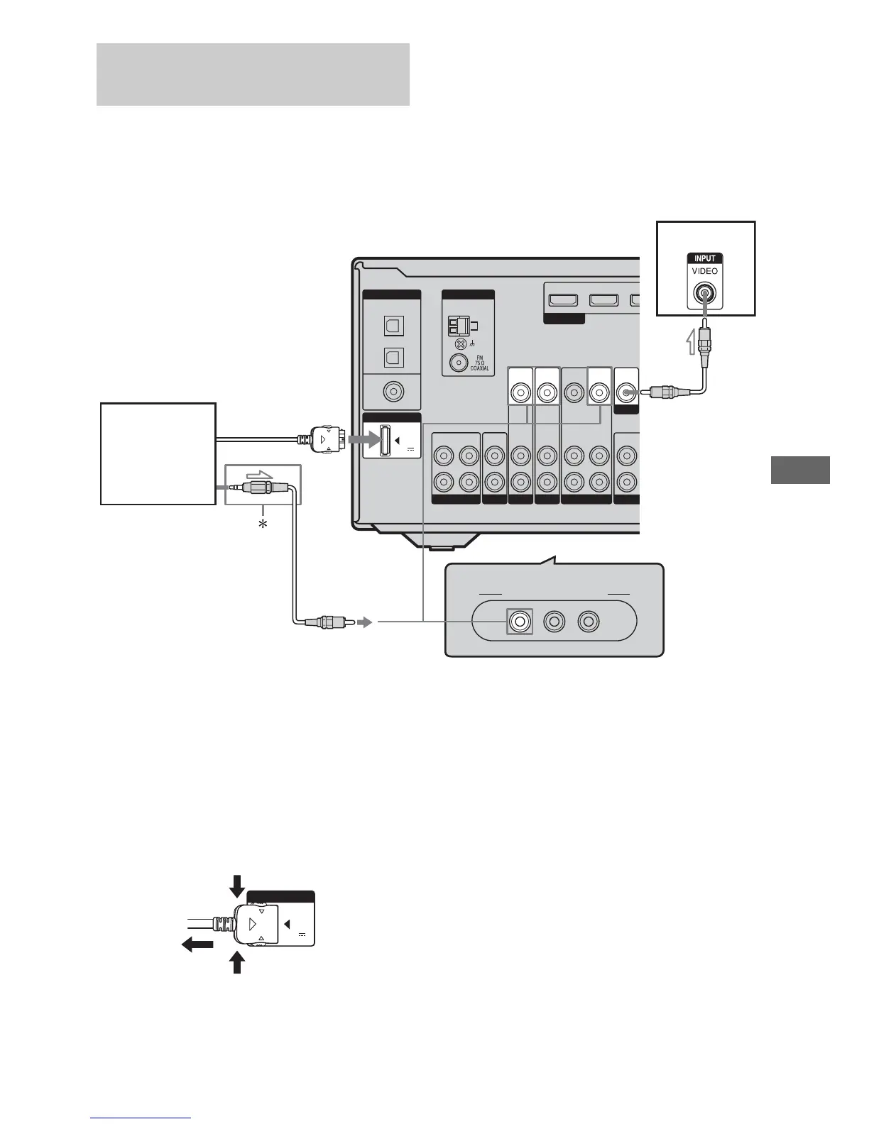
To detach the DIGITAL MEDIA
PORT adapter from DMPORT
jack
Press and hold both sides of the connector and
then pull out the connector.
Notes
When connecting the DIGITAL MEDIA PORT
adapter, be sure the connector is inserted with the
arrow mark facing toward the arrow mark on the
DMPORT jack.
Be sure to make DMPORT connections firmly,
insert the connector straight in.
As the connector of the DIGITAL MEDIA PORT
adapter is fragile, be sure to handle with care when
placing or moving the receiver.
Connecting the DIGITAL MEDIA
PORT adapter
VIDEO 2 IN/PORTABLE AV IN
VIDEO L AUDIO R
DVD IN BD IN
OPTICAL
COAXIAL
BD
IN
SAT
IN
DVD
IN
HDMI
VIDEO
OUT
AUDIO
OUT
AUDIO
IN
AU
D
O
U
SUBW
O
DIGITAL
AM
ANTENNA
L
R
L
R
SA-CD
/
CD
/
CD-R
ININOUT
TV VIDEO 1
DMPORT
DC5V
0.7A MAX
VIDEO
OUT
MONITOR
VIDEO
IN
AUDIO
IN
VIDEO
IN
AUDIO
IN
SAT DVD
VIDEO
IN
A
A
TV
DIGITAL MEDIA
PORT adapter
To one of the
VIDEO IN jacks
(On the front panel)
* The type of connector varies depending on the DIGITAL MEDIA PORT adapter.
For details, refer to the operating instructions supplied with the DIGITAL MEDIA PORT adapter.
A Video cord (not supplied)
DMPORT
DC5V
0.7A MAX
2
1

Table of Contents

Other manuals for Sony HT-DDW5000

Related product manuals