EasyManua.ls Logo

Sony KF-E50A10 - Page 43

Sony KF-E50A10
60 pages
Print Icon
To Next Page IconTo Next Page
To Next Page IconTo Next Page
To Previous Page IconTo Previous Page
To Previous Page IconTo Previous Page
Loading...
Using Optional Equipment
43
GB
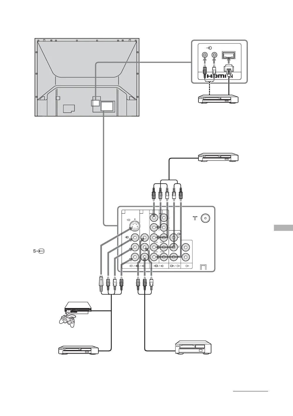
Connecting to the rear of the TV
L
(
MONO
)
R
L
P
R/CR
Y
1312
PB/CB
R
L
R
S
S
RL
DVD player
with component output
DVD player without
component output
VCR
Digital Satellite
Receiver/Digital
Terrestrial Receiver
Video game
equipment
D
E
G
H
*1*2
*1Use an HDMI cable, HDMI-to-DVI cable, or adaptor (not supplied).
*2When using an HDMI cable, it is not necessary to connect the audio cable. When
using an HDMI-to-DVI cable or an adaptor, it is necessary to connect the audio cable.
To Y, PB/CB, PR/CR 1/2 (component
video input)
L (audio input)
R (audio input)
To t1/3 (video input)
L (MONO) (audio input)
R (audio input)
To 1 (S video input)
t1/3 (video input)
L (MONO) (audio input)
R (audio input)
Continued

Table of Contents

Related product manuals