EasyManua.ls Logo

Sony KLV-26M400A - Page 102

Sony KLV-26M400A
132 pages
Print Icon
To Next Page IconTo Next Page
To Next Page IconTo Next Page
To Previous Page IconTo Previous Page
To Previous Page IconTo Previous Page
Loading...
18
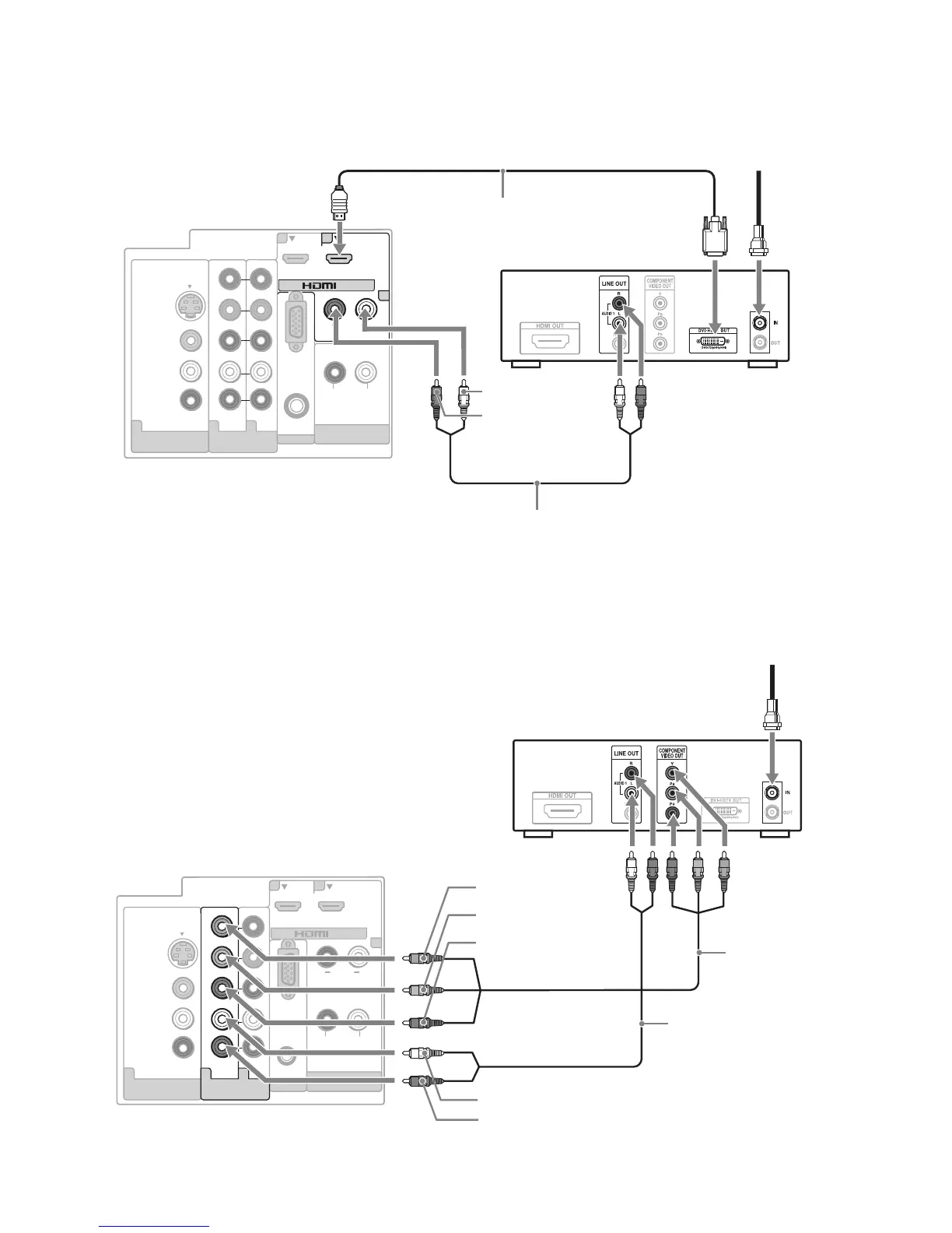
Muestra con conexión de DVI
~
Si el equipo tiene una toma DVI pero no tiene una toma HDMI, conecte la toma DVI a la toma HDMI IN 2 (con cable
de DVI a HDMI y/o adaptador) y conecte la toma de audio a las tomas AUDIO IN (L/R) de la entrada HDMI IN 2.
Para obtener más información, consulte la página 14.
VIDEO IN
VIDEO
AUDIO
AUDIO
AUDIO
(MONO)
L
R
S VIDEO
PC IN
COMPONENT IN
Y
P
B
P R
L
R
RGB
2 1
1
1
2
2
L R
IN
(1080p/1080i/720p/
480p/480i)
AUDIO OUT
(FIX/VAR)
2
L
R
AUDIO
Parte posterior
del TV
AUDIO-R (rojo)
AUDIO-L (blanco)
Cable de audio
Cable de DVI a HDMI
Decodificador de cable HD/
Decodificador de satélite HD
C
a
bl
e
d
e
CATV/
antena de satélite
VIDEO IN
VIDEO
AUDIO
AUDIO
(MONO)
L
R
S VIDEO
PC IN
RGB
2 1
1
AUDIO
COMPONENT IN
Y
P
B
P R
L
R
1 2
IN
(1080p/1080i/720p/
480p/480i)
AUDIO OUT
(FIX/VAR)
2
L R
L
R
A UDI O
Cable de video
componente
Parte posterior
del TV
Cable de CATV/
antena de satélite
P
B (azul)
AUDIO-L (blanco)
AUDIO-R
(
ro
j
o
)
Decodificador de cable HD/
Decodificador de satélite HD
Y (verde)
P
R (rojo)
Cable de audio
Muestra con conexión de componente

Table of Contents

Related product manuals