EasyManua.ls Logo

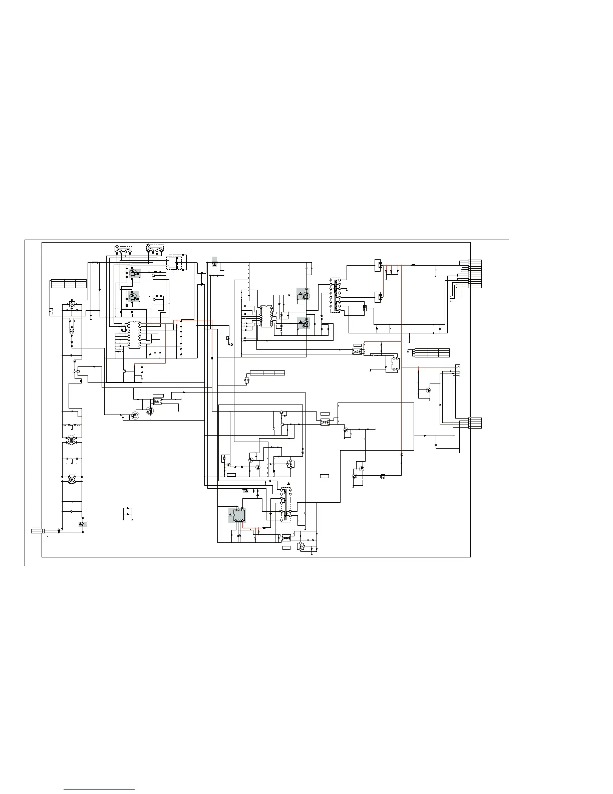
Sony KLV-26M400A - IP5 Z Board Schematic Diagram (1 of 2) (KLV-40 M400 A Only)

Sony KLV-26M400A
132 pages
Print Icon
To Next Page IconTo Next Page
To Next Page IconTo Next Page
To Previous Page IconTo Previous Page
To Previous Page IconTo Previous Page
Loading...
KLV-26M400A/32M400A/37M400A/40M400A
KLV-26M400A/32M400A/37M400A/40M400A 48
1 | 2 | 3 | 4 | 5 | 6 | 7 | 8 | 9 | 10 | 11 | 12 | 13 | 14 | 15 | 16 | 17 | 18 | 19 | 20 | 21 | 22 | 23 | 24
A
B
C
D
E
F
G
H
I
J
K
L
M
N
O
P
IP5Z BOARD SCHEMATIC DIAGRAM (1 OF 2) (KLV-40M400A ONLY)
EY6202
EY6001
JL6002
1/10W
RN-CP
1k
R6414
5%
1/10W
RN-CP
10k
R6309
5%
GND_1
1/10W
RN-CP
6.8k
R6308
5%
GND_1
EY6023
EY6500
1/10W
RN-CP
R6011
5%
1M
EY6200
1/10W
RN-CP
0.5%
220k
R6301
10ERB20-TB3
D6204
PC123Y22JOOF
PH6300
TMP
1
23
4
1W
RS
100k
R6202
EY6022
EY6501
1/4W
FPRD
2.2
R6203
EY6201
1/2W
RF
0.47
R6500
GND_1
JL6500
1/10W
RN-CP
4.7k
R6310
5%
JL6001
10ERB20-TB3
D6203
EY6024
87 5
4321
MIP2H2
IC6200
VDD
FB
OLP
VCC DRAIN
SOURCE
SOURCE
R6314
10k
50V
100
C6205
EY6000
1/10W
RN-CP
5%
1k
R6418
2SA1364-T111-1DE
Q6300
1/10W
RN-CP
0.5%
47k
R6302
1
3
CN6000
3P
ACIN<N>
ACIN<L>
GND_1
1/10W
RN-CP
0.5%
5.6k
R6201
1608
1/10W
RN-CP
0.5%
R6303
6.8k
47k
R6311
1/10W
RN-CP
5%
EY6025
PC123Y22JOOF
PH6200
TMP
1
23
4
3.3k
R6407
EY6010
EY6006
EY6002
VD6000
EY6007
EY6014
EY6003
EY6015
EY6011
250V
4700p
C6014
F
50V
1000p
C6206
B
1608
25V
0.1
X7R
C6408
50V
B
C6302
1608
1000p
250V
4700p
C6015
F
50V
100p
CH
C6201
1608
50V
X7R
C6020
0.01
630V
0.001
C6203
PP
25V
0.1
X7R
C6200
50V
X7R
C6402
0.01
250V
B
C6006
470p
250V
470p
B
C6010
1/2W
RF
10
R6200
JL6300
16V
470
C6250
1/10W
RN-CP
0.5%
6.8k
R6255
GND_1
50V
1
C6202
50V
2.2
C6204
25V
0.1
X7R
C6251
3.3k
R6251
1/10W
RN-CP
5%
1/10W
RN-CP
5%
1k
R6250
1/10W
RN-CP
0.5%
10k
R6254
1/10W
RN-CP
R6253
0.5%
47k
1/10W
RN-CP
5%
47
R6252
GND_1
50V
0.01
X7R
C6410
1/10W
RN-CP
0.5%
R6101
4.7k
1/10W
RN-CP
680
R6150
5%
1/10W
RN-CP
0.5%
4.7k
R6156
EY6107
BAT54HT1
D6101
50V
0.01
X7R
C6100
GND_1
1/10W
CHIP
22
R6116
5%
1608
50V
0.01
X7R
C6106
1/10W
CHIP
22
R6115
2012
5%
50V
4.7
C6103
1/10W
RN-CP
0.5%
47k
R6111
1608
50V
0.01
X7R
C6300
1/10W
RN-CP
1k
R6151
5%
1/10W
RN-CP
0.5%
18k
R6154
1/10W
RN-CP
1M
R6106
2012
1/10W
0.5%
39k
R6100
25V
47
C6107
18
16
15
14
12
11
10
9
8
7
6
5
4
3
2
1
CXD9841P
IC6100
VSEN
FB
CT
RT
GND
PROT
SS
VC1
OCP VC2
PGND
VGL
VB
VS
VGH
VD
2012
1/10W
RN-CP
100k
R6109
EY6100
1/10W
RN-CP
1M
R6108
2012
XX
R6104
1/10W
RN-CP
0.5%
47
R6114
50V
1000p
C6101
CH
1/10W
RN-CP
1k
R6121
0.5%
50V10
C6102
EY6102
2012
1/10W
RN-CP
1M
R6107
R6117
1/10W
RN-CP
10k
5%
35V
100
C6104
1/10W
0.5%
100
R6102
EY6106
25V
0.22
C6108
X7R
1608
1/10W 0 .5%18k
R6103
PC123Y22JOOF
PH6100
TMP
1
23
4
1/10W
RN-CP
1k
R6152
5%
Mount Mecha
234989201
A6002
Q6100,Q6101
1/10W
RN-CP
1M
R6300
50V
0.047
X7R
C6150
R6118
1/10W
RN-CP
5%
10k
GND_1
R6329
2.2
1/4W
FPRD
CHIP
0
R6153
2SC3052EF-T1-LEF
Q6302
10uH
L6400
C6407
25V
1
X7R
1608
25V
0.1
X7R
C6304
1kV
470p
D
C6110
AK04V1
D6201
TMP
FB6100
0uH
FB6101
0uH
D15XB60
D6000
1
2
3
4
JL6155
JL6154
1608
50V
X7R
C6161
0.022
1/10W
RN-CP
47k
R6158
1/10W
RN-CP
4.7
R6159
JL6150
GND_1
GND_1
GND_1
JL6152
50V
X7R
C6155
0.01
GND_1
JL6404
JL6401
1/10W
RN-CP
5%
470
R6406
CHIP
0
R6404
50V
X7R
C6400
0.01
4.7k
R6335
1/10W
RN-CP
5%
D1NS6-TR2
D6250
JL6400
SG10SC6-F5
D6150
1
2
3
SG10SC6-F5
D6151
EY6026
RY6000
1
2
3
4
EY6029
VD6001
XX
JL6156
1/10W
RN-CP
1k
R6421
5%
16V
1500
C6152
16V
1500
C6153
1/10W
RN-CP
5%
47k
R6157
0.018
C6111
1kV
PP
25V
C6159
3300
3
1
2
MM1530ATT
IC6250
S
2SK3561(LBS2SONY,Q)
Q6100
S
2SK3561(LBS2SONY,Q)
Q6101
GND_4
GND_4
FB6500
0uH
SG10SC6-F5
D6152
C6002
0.22
C6007
B
220p
250V
250V
B
C6011
220p
C6018
0.22
1
23
4
L6001
8.5mH
1
23
4
L6000
8.5mH
MAZ8150G0LS0
D6102
MA2J1110GLS0
D6202
MA2J1110GLS0
D6301
MA2J1110GLS0
D6300
MAZ8150G0LS0
D6400
EY6522
1608
50V
B
C6310
1000p
1608
CHIP
R6316
0
EY6523
JL6406
EY6203
3216
CHIP
R6015
0
TMP
2012
1/10W
RN-CP
R6017
100k
MA2J1110GLS0
D6001
2012
1/10W
RN-CP
R6014
430k
2012
1/10W
RN-CP
R6018
470k
1/10W
RN-CP
R6324
5%
10k
1/10W
RN-CP
0.5%
43k
R6322
2012
16V
C6301
0.33
B
PC123Y22JOOF
PH6302
TMP
1
23
4
1608
1/10W
RN-CP
R6400
5%
22k
0
R6417
1608
RN-CP
R6326
43k
1/10W
0.5%
1/10W
RN-CP
5%
220k
R6323
AC_DET
1
2
610
8
14
9
3
4
15
T6200
1
4
2
3
1/10W
RN-CP
R6336
5%
47
2W
RS
R6120
0.22
2W
RS
R6123
0.22
EY6041
EY6042
250V
F6001
4A
TMP
1
2
3
4
5
5P
CN6154
BARANCER_ERR
GND
INV_ERR
BACK_LIGHT_ON/OFF
DIMMER
POWER_ON
POWER_ON
STBY_3.3V
STBY_3.3V
AC_DET
4.7uH
L6151
1
2
3
1
2
RT9H301C-T112-1
IC6302
R6019
0
TMP
CHIP
3216
RT1P14BC-TP-1
Q6402
RT1N14BC-TP-1
Q6403
1/10W
RN-CP
10k
R6410
5%
CHIP
0
R6428
S
INK0001AC
Q6303
S
INK0001AC
Q6304
M1FM3
D6104
UF4005PKG23
D6103
M1FM3
D6100
BACL_LIGHT
BALANCER_ERR
VCC_12V
INV_ERR
DIMMER
PFC_OUT
25V
0.1
X7R
C6312
RT1P14BC-TP-1
Q6306
RT1N14BC-TP-1
Q6307
C6311
25V
1
X7R
MA2J1110GLS0
D6305
1/10W
RN-CP
5%
10k
R6333
CHIP
0
R6338
JL6302
1608
1/10W
RN-CP
R6306
5%
100k
TH6300
ISA1235AC1TP-1EF
Q6305
25V
C6303
1
X7R
1/10W
RN-CP
R6307
5%
22k
JL6301
Mount Mecha
263406632
A6005
Q6551,Q6552,TH6300,D6555
GND_1 GND_3
CHIP
0
R6012
CHIP
0
R6010
1
2
3
4
5
6
7
8
9
10
11
12
13
13P
CN6150
POWER_ON
AC_OFF_DET
STBY3.3V
UNREG_15V
UNREG_15V
UNREG_15V_GND
UNREG_15V_GND
REG12V_GND
REG12V_GND
REG12V_GND
REG12V
REG12V
REG12V
EY6557
EY6556
C6571
470p
2012
25V
1
X7RC6522
GND_4
1/10W
RN-CP
10k
R6569
5%
1/10W
R6509
1608
100
450V
1
C6550
PT
1/10W
RN-CP
5%
R6534
10k
1608
1/10W
RN-CP
0.5%
R6524
68k
1
2
4
5
3
380uH
L6551
TMP
1/10W
RN-CP
100
R6529
5%
EY6558
1/10W
R6517
1608
100
1/10W
RN-CP
22k
R6561
2SA1364-T111-1DE
Q6502
S
2SK3934(LBS1SONY.Q
Q6551
EY6553
1/10W
22k
R6508
EY6559
1/10W
22k
R6503
1kV
C6559
D
470p
1kV
C6561
D
470p
2012
25V
0.22
B
C6513
EY6555
MA2J1110GLS0
D6504
1/10W
RN-CP
330k
R6527
0.5%
EP05FA20
D6553
TMP
1/10W
RN-CP
0.5%
220
R6501
EY6552
EY6550
1608
25V
0.1
X7R
C6510
2W
RS
R6565
22
2012
1/10W
RN-CP
470k
R6523
1608
50V
4700p
X7R
C6509
RN-CP
33k
R6525
1/10W
0.5%
FPRD
100
R6574
1/4W
2W
RS
R6564
22
EY6551
C6568
470p
EY6554
1608
25V
0.1
X7R
C6518
1608
50V
4700p
X7R
C6508
JL6550
2SA1364-T111-1DE
Q6500
1/10W
20k
R6506
0.5%
C6551
100p
1
2
4
5
3
380uH
L6552
TMP
C6570
470p
1/10W
2.2M
R6507
0.5%
1608
50V
1000p
CH
C6511
FPRD
100
R6575
1/4W
450V
*C6574
TMP
220
1/10W
RN-CP
330k
R6528
0.5%
C6569
470p
1kV
C6560
D
470p
1/10W
RN-CP
10k
R6568
5%
ISA1235AC1TP-1EF
Q6503
1/10W
RN-CP
10
R6572
1/10W
RN-CP
0.5%
220
R6502
1/10W
RN-CP
10
R6573
S
2SK3934(LBS1SONY.Q
Q6552
1kV
C6562
D
470p
R6577
6.8
16
15
14
13
12
11
10
98
7
6
5
4
3
2
1
MAX232N
IC6500
ZCD-M
ZCD-S
NC
VREF
SGND
RT
RAMP
COMP FB
OCP-S
OCP-M
NC
GD-S
PGND
GD-M
VCC
1/10W
RN-CP
470
R6504
0.5%
50V
C6519
10
50V
10
C6523
R6576
6.8
260uH
L6550
TMP
10p
C6532
1/10W
RN-CP
22k
R6571
EP05FA20
D6554
TMP
1/10W
RN-CP
470
R6505
0.5%
PRI_GND
5
JW6500
FB6504
0uH
RT1N14BC-TP-1
Q6400
RT1N14BC-TP-1
Q6404
43
12
MM1431AURE
IC6101
TMP
MA113
D6003
TMP
MA113
D6401
TMP
500V
1
C6552
PP
TMP
2012
1/10W
RN-CP
1M
R6105
2012
1/10W
RN-CP
1M
R6522
2012
1/10W
RN-CP
1M
R6526
2012
CHIP
0
R6538
2012
1/10W
RN-CP
1M
R6521
5
JW6000
5
JW6001
S3K60
D6556
S3K60
D6555
EY6560
EY6562
EY6565
EY6561
*EY6566
*EY6567
E
ET6702
Mount Mecha
263406611
A6003
D6150,D6151,D6152
C6024
470p
10p
C6531
R6319
4.7k
1k
R6403
1/10W
RN-CP
5%
33k
R6405
R6533
5W
RB
0.1
TMP
R6531
5W
RB
0.1
TMP
GND_1
T6100
TMP
1
3
8
9
10
11
12
15
13
14
4
5
7
6
2
400
400400
400
POWER ON
STBY FB
MAIN FB
PROTECT
TO B-board+
D10xL20
AC DET
PFC OTP
IP5Z 1/2
POWER
A-1494-684-C <EX1> IP5Z-P1

Table of Contents

Related product manuals